Foram encontradas 70 questões.
Um professor universitário recebeu da instituição em que trabalha um Netbook para uso em sala de aula contendo as seguintes configurações de hardware:
2 GB, 1 Gbps, 320 GB, 1.6 Ghz, 2 MB e 64 bits.
De acordo com as configurações de componentes de hardware acima, podemos afirmar que:
Provas
Questão presente nas seguintes provas
Servidor Público Federal, Armando, foi flagrado furtando um computador do setor onde trabalhava. Diante do flagrante, Armando foi demitido sumariamente pela maior autoridade da instituição.
Com base nessa formulação, marque a alternativa que se adequa corretamente à situação descrita.
Provas
Questão presente nas seguintes provas
- UniãoExecutivoDecreto 1.171/1994: Código de Ética do Servidor Público Civil do Poder Executivo Federal
O Decreto nº 1.171/94 trata do Código de Ética Profissional do Servidor Público Civil do Poder Executivo Federal.
Das regras a seguir apresentadas, apenas uma não está formulada de acordo com o citado decreto. Marque-a.
Provas
Questão presente nas seguintes provas
- Fundamentos de Sistemas OperacionaisClassificação de Sistemas Operacionais
- Fundamentos de Sistemas OperacionaisLicenciamento
- LinuxSegurança no Linux
- WindowsDesktopWindows 7
Leia cada uma das afirmativas abaixo e assinale (V) para verdadeiro ou (F) para falso.
( ) O GNU/Linux é um sistema operacional de código aberto, distribuído sob a licença pública GPL.
( ) Existem versões gratuitas do Microsoft Windows, como o Windows 7 Home Basic
( ) O sistema operacional GNU/Linux é imune a qualquer vírus de computador.
( ) Um exemplo de antivírus para Windows é o software Microsoft Security Essentials. Enquanto que o sistema operacional Linux não possui antivírus compatível
Assinale a alternativa que apresenta a sequência correta, de cima para baixo.
Provas
Questão presente nas seguintes provas
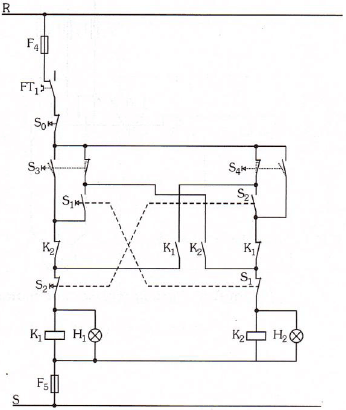
A figura a seguir apresenta diagramas de força e comando da partida reversora de um motor trifásico, com a utilização de interruptores fim de curso (identificados na figura por S3 e S4). Analisando a dinâmica dos diagramas abaixo, é incorreto afirmar que:


Provas
Questão presente nas seguintes provas
Diante do circuito abaixo, marque a alternativa que corresponde a tensão de fase e a potência total dissipada pela carga, respectivamente:

Provas
Questão presente nas seguintes provas
Analise um argumento composto pelas seguintes premissas:
• Se existe corrupção, então o povo votou mal.
• Se não existe corrupção, então o povo estudou.
• O povo não estudou.
Considerando que as três premissas são verdadeiras, então a conclusão que tornaria o argumento válido é:
Provas
Questão presente nas seguintes provas
São direitos administrativos, de acordo com a Lei nº 9.784/99, exceto:
Provas
Questão presente nas seguintes provas
Texto para a questão
Desmatamento na Amazônia sobe 35% em um ano
São Paulo - O acumulado da perda de floresta na Amazônia entre agosto do ano passado e julho deste ano subiu pela primeira vez em 5 anos e ficou 34,84% superior à taxa do mesmo período do ano passado.
O número se baseia na análise amostral realizada pelo sistema Deter, do Inpe, a partir de alertas de corte raso e de degradação - não configurando, portanto, o consolidado do ano, que o governo só costuma divulgar em novembro.
Mas é o sinal mais categórico de que a principal política ambiental do país não está sendo mais tão eficiente.
No período houve uma perda de 2.765,62 km² de floresta, contra 2.050,97 km² entre agosto de 2011 e julho de 2012. O mês mais grave foi maio, quando houve perda de 464,96 km².
Após o pico, medidas de comando e controle se intensificaram e em junho o desmate ou a degradação ocorreram em 210,4 km². Em julho voltou a subir um pouco, chegando a 217,45 km². No total, o ano acumulou alta pela primeira vez desde 2008.
O revés se dá um ano depois de o país registrar a taxa de desmatamento mais baixa da história do monitoramento, motivo, aliás, que fez representantes brasileiros serem aplaudidos nas negociações internacionais de mudanças climáticas.
Isso porque a perda da Amazônia é o setor que mais contribuiu historicamente para as emissões de gases estufa do Brasil. Sua queda vem permitindo que o país chegue bem perto das metas voluntárias que estabeleceu para reduzir suas emissões até 2020. De agosto de 2011 a julho de 2012 a taxa de desmate caiu 29% em relação ao período anterior, chegando a 4.571 km².
(AGÊNCIA ESTADO. 10 de setembro de 2013. Disponível em:<http://www.estadao.com.br/noticias/geral,
desmatamento-na-amazonia-sobe-35-em-um-ano,1073249,0.htm>. Acesso em 26 set. 2013. Com alterações)
Considerando as normas de concordância verbal, assinale a alternativa que contém o sujeito da forma verbal “estabeleceu”, no último parágrafo do texto.
Provas
Questão presente nas seguintes provas
Isadora possui um dinheiro para investir. Foi ao banco e investiu seu capital a uma certa taxa de juros. Após 200 meses o valor do montante era igual ao triplo do capital. O valor da taxa mensal de juros simples era:
Provas
Questão presente nas seguintes provas
Cadernos
Caderno Container