Foram encontradas 40 questões.
Analise as afirmativas abaixo.
I. Segundo o Vocabulário de Termos Fundamentais e Gerais de Metrologia, a repetibilidade de uma medição é o grau de concordância dentre os resultados de medições sucessivas de um mesmo mensurando, efetuadas sob condições variadas de medição.
II. A soma dos ângulos (96º 32' 18") e (45' 45"), medidos com um goniômetro, tem como resultado o ângulo (96º 77' 63").
III. A medida indicada no nônio abaixo corresponde a 0,151 mm.

IV. O número 84,6 x 109 tem 12 algarismos significativos.
Assinale a alternativa CORRETA.
Provas
Questão presente nas seguintes provas
A conversão de medidas do sistema inglês para o sistema internacional é uma tarefa comum na vivência em ambiente técnico e de pesquisa. Calcule a equivalência dos dados fornecidos como 120 psi e 2000 Btu/h do seu sistema de medida original para o sistema internacional (SI).
Assinale a alternativa CORRETA.
Provas
Questão presente nas seguintes provas
Texto 1
Universalizar pré-escola e ensino médio ainda é desafio
Por Nathalia Goulart
O Brasil possui um número elevado de crianças e jovens dentro das salas de aula, mas a universalização do ensino ainda é um desafio nacional. De acordo com dados divulgados nesta terça-feira pelo movimento independente Todos Pela Educação relativos a 2010, 91,5% dos jovens entre 4 e 17 anos estão na escola. Isso significa que 3,8 milhões ainda não têm acesso à educação, sendo que 2,9 milhões deles deveriam cursar pré-escola ou ensino médio. Enquanto o ensino fundamental atende 96,7% das crianças, as taxas da pré-escola e do ensino médio ainda deixam muito a desejar: 80,1% e 83,3%, respectivamente.
A região com menor oferta de educação é a Norte, onde apenas 69% das crianças entre 4 e 5 anos estão na escola. Também no ensino médio, a região aparece com o pior indicador: só 81,3% dos jovens de 15 a 17 anos estão na escola. O Nordeste, com atendimento de 86,3%, figura como a área com maior abrangência da pré-escola. O Sudeste apresenta o maior índice de inclusão no ensino médio: 85%.
"O problema vai além da ampliação do número de vagas. Temas como evasão e atraso escolar deverão figurar nas agendas políticas", afirma o relatório De Olho Nas Metas 2011, do Todos Pela Educação. De acordo com um estudo coordenado por Marcelo Neri, da Fundação Getúlio Vargas (FGV), 67,4% dos jovens entre 15 e 17 anos que estão fora da escola dizem que a falta de interesse ou a necessidade de trabalhar os afastaram dos bancos escolares. "Fatores relacionados à oferta de educação, como falta de vaga e transporte escolar, foram apontados por somente 10,9% da amostra", ressalta o Todos Pela Educação.
Outro ponto de destaque do relatório divulgado nesta terça-feira aponta para o fracasso da alfabetização durante os primeiros anos escolares. Os dados mostram que, em média, 43,9% dos estudantes deixam o ciclo de alfabetização sem aprender o que deveriam em leitura. Na lanterna, estão as escolas públicas do Nordeste, onde a taxa chega a 63,5%. Em matéria de escrita, 46,6% não têm o desempenho esperado, sendo que nas unidades públicas nordestinas apenas uma em cada quatro crianças domina a competência. Em matemática, os números são ainda piores: 57,2% dos estudantes do país não conseguem fazer contas elementares de soma e subtração. Nas escolas públicas da região Norte, três em cada quatro crianças falham na tarefa.
Parte da explicação para esse cenário está no baixo atendimento da pré-escola, já que a educação infantil favorece a permanência do aluno no sistema escolar e tem impactos comprovados no seu desempenho acadêmico futuro.
Revista Veja online, publicado em 07 de fevereiro de 2012,
acesso em 20 de fevereiro de 2012, disponível em http://veja.abril.com.br/noticia/educacao/municipios-brasileiros-nao-atingem-nem-as-metas-modestas-de-educacao [adaptado]
De acordo com o Texto 1, é possível afirmar que:
1. os níveis de leitura e escrita das crianças das unidades públicas do Nordeste estão abaixo do esperado.
2. em relação à alfabetização, a região Nordeste apresenta aspectos positivos que a destacam das demais regiões.
3. a falta de vagas e o transporte escolar são fatores predominantes quando o assunto é acesso à educação.
4. a região Norte é a menos favorecida em relação à oferta de educação, tanto na pré-escola quanto no ensino médio.
5. a falta de interesse e a necessidade de trabalhar são fatores apontados pelos jovens que não frequentam a escola.
2. em relação à alfabetização, a região Nordeste apresenta aspectos positivos que a destacam das demais regiões.
3. a falta de vagas e o transporte escolar são fatores predominantes quando o assunto é acesso à educação.
4. a região Norte é a menos favorecida em relação à oferta de educação, tanto na pré-escola quanto no ensino médio.
5. a falta de interesse e a necessidade de trabalhar são fatores apontados pelos jovens que não frequentam a escola.
Assinale a alternativa CORRETA.
Provas
Questão presente nas seguintes provas
Sobre Proteção e Segurança no Trabalho e sabendo-se que EPI significa “Equipamento de Proteção Individual”, é CORRETO afirmar que:
Provas
Questão presente nas seguintes provas
Considere as seguintes afirmativas a respeito do uso de estilos em documentos do Microsoft Word©.
I. O sumário do documento pode ser gerado automaticamente com base nos parágrafos formatados com estilos de título.
II. Mala direta pode ser gerada substituindo os textos aos quais foi aplicado um estilo com o conteúdo armazenado em uma fonte de dados.
III. As características de formatação de um estilo podem ser modificadas de forma que estas sejam efetuadas automaticamente em todos os parágrafos que utilizam o referido estilo em um documento.
IV. A estrutura de tópicos de um documento é exibida com base nos parágrafos formatados com estilos de título.
Assinale a alternativa CORRETA.
Provas
Questão presente nas seguintes provas
Associe as causas mais comuns de desbalanceamento listadas na coluna 1, abaixo, às fases de desenvolvimento e uso de peças e de produtos, listadas na coluna 2.
Coluna 1
I. Configuração geométrica assimétrica.
II. Usinagens excêntricas, aparecimento de inclusões e/ou vazios em peças forjadas ou fundidas.
III. Mancais e/ou acoplamentos não concêntricos.
IV. Distorções permanentes devido a efeitos térmicos ou sobre-esforços.
V. Incrustações, desgaste e corrosão.
II. Usinagens excêntricas, aparecimento de inclusões e/ou vazios em peças forjadas ou fundidas.
III. Mancais e/ou acoplamentos não concêntricos.
IV. Distorções permanentes devido a efeitos térmicos ou sobre-esforços.
V. Incrustações, desgaste e corrosão.
Coluna 2
( ) fabricação
( ) tempo de uso
( ) ação aleatória
( ) projeto
( ) montagem
( ) tempo de uso
( ) ação aleatória
( ) projeto
( ) montagem
Assinale a alternativa que apresenta a sequência CORRETA, de cima para baixo.
Provas
Questão presente nas seguintes provas
Texto 1
Universalizar pré-escola e ensino médio ainda é desafio
Por Nathalia Goulart
O Brasil possui um número elevado de crianças e jovens dentro das salas de aula, mas a universalização do ensino ainda é um desafio nacional. De acordo com dados divulgados nesta terça-feira pelo movimento independente Todos Pela Educação relativos a 2010, 91,5% dos jovens entre 4 e 17 anos estão na escola. Isso significa que 3,8 milhões ainda não têm acesso à educação, sendo que 2,9 milhões deles deveriam cursar pré-escola ou ensino médio. Enquanto o ensino fundamental atende 96,7% das crianças, as taxas da pré-escola e do ensino médio ainda deixam muito a desejar: 80,1% e 83,3%, respectivamente.
A região com menor oferta de educação é a Norte, onde apenas 69% das crianças entre 4 e 5 anos estão na escola. Também no ensino médio, a região aparece com o pior indicador: só 81,3% dos jovens de 15 a 17 anos estão na escola. O Nordeste, com atendimento de 86,3%, figura como a área com maior abrangência da pré-escola. O Sudeste apresenta o maior índice de inclusão no ensino médio: 85%.
"O problema vai além da ampliação do número de vagas. Temas como evasão e atraso escolar deverão figurar nas agendas políticas", afirma o relatório De Olho Nas Metas 2011, do Todos Pela Educação. De acordo com um estudo coordenado por Marcelo Neri, da Fundação Getúlio Vargas (FGV), 67,4% dos jovens entre 15 e 17 anos que estão fora da escola dizem que a falta de interesse ou a necessidade de trabalhar os afastaram dos bancos escolares. "Fatores relacionados à oferta de educação, como falta de vaga e transporte escolar, foram apontados por somente 10,9% da amostra", ressalta o Todos Pela Educação.
Outro ponto de destaque do relatório divulgado nesta terça-feira aponta para o fracasso da alfabetização durante os primeiros anos escolares. Os dados mostram que, em média, 43,9% dos estudantes deixam o ciclo de alfabetização sem aprender o que deveriam em leitura. Na lanterna, estão as escolas públicas do Nordeste, onde a taxa chega a 63,5%. Em matéria de escrita, 46,6% não têm o desempenho esperado, sendo que nas unidades públicas nordestinas apenas uma em cada quatro crianças domina a competência. Em matemática, os números são ainda piores: 57,2% dos estudantes do país não conseguem fazer contas elementares de soma e subtração. Nas escolas públicas da região Norte, três em cada quatro crianças falham na tarefa.
Parte da explicação para esse cenário está no baixo atendimento da pré-escola, já que a educação infantil favorece a permanência do aluno no sistema escolar e tem impactos comprovados no seu desempenho acadêmico futuro.
Revista Veja online, publicado em 07 de fevereiro de 2012,
acesso em 20 de fevereiro de 2012, disponível em http://veja.abril.com.br/noticia/educacao/municipios-brasileiros-nao-atingem-nem-as-metas-modestas-de-educacao [adaptado]
Assinale a alternativa que EXPLICA CORRETAMENTE o uso das aspas no início do terceiro parágrafo do Texto 1.
Provas
Questão presente nas seguintes provas

Um sistema de transmissão de engrenagens é mostrado na figura acima, na qual os círculos definem o diâmetro primitivo das engrenagens. Considere que a engrenagem E1 tem 18 dentes e gira a 2.000 rpm. O número de dentes da engrenagem E2 é de 50, da engrenagem E3 é de 36 e da engrenagem E4 é de 24 dentes. Determine a rotação da engrenagem E4. Assinale a alternativa CORRETA.
Provas
Questão presente nas seguintes provas
A partir do gráfico apresentado abaixo, é possível concluir que:

I. aços de alto carbono são menos resilientes do que os de alto carbono.
II. aços de médio carbono são mais dúcteis do que os de alto carbono.
III. a composição química não altera o módulo elástico dos aços.
IV. aços de médio carbono apresentam queda de resistência devido à redução de área da seção transversal após a estricção.
V. aços de alto carbono são mais tenazes do que os de médio carbono.
II. aços de médio carbono são mais dúcteis do que os de alto carbono.
III. a composição química não altera o módulo elástico dos aços.
IV. aços de médio carbono apresentam queda de resistência devido à redução de área da seção transversal após a estricção.
V. aços de alto carbono são mais tenazes do que os de médio carbono.
Assinale a alternativa CORRETA.
Provas
Questão presente nas seguintes provas
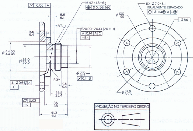
No detalhamento de peças é comum utilizar um conjunto de símbolos para orientar o processo de fabricação, o controle dimensional e o acabamento desejado para a superfície da peça. Assim, observando o desenho da peça abaixo, é possível deduzir que:

I. o desenho como um todo tem suas dimensões e disposição de vistas especificada no sistema métrico.
II. no detalhe 1 circunscrito, está indicado que o processo de fabricação deve garantir a tolerância geométrica de planicidade entre as faces, as quais referem-se à anotação do desenho.
III. no detalhe 2 circunscrito, está indicado que se deve garantir que todos os furos sejam concêntricos.
IV. no detalhe 3 circunscrito, está indicado que apenas o furo contato deve ser gerado, garantindo uma excentricidade de no máximo 0.1 mm.
V. no detalhe 4 circunscrito, o símbolo M indica que deve ser garantida a condição máxima de material, ou seja, o mínimo diâmetro do furo e o máximo diâmetro do eixo.
Assinale a alternativa CORRETA.
Provas
Questão presente nas seguintes provas
Cadernos
Caderno Container