Foram encontradas 40 questões.
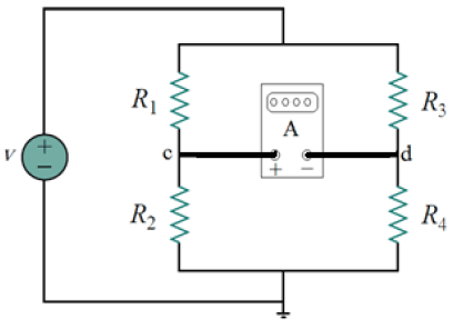
Considere o circuito da figura abaixo, onde !$ R_1 !$ = 4 kΩ, !$ R_2 !$ = 2 kΩ, !$ R_3 !$ = 2 kΩ, !$ R_4 !$ = 2 kΩ e V = 16 volts. Considere, ainda, que a leitura do amperímetro é de -2 mA. Assinale a alternativa que apresenta o valor CORRETO da corrente fornecida pela fonte de tensão V.

Provas
Questão presente nas seguintes provas
Considere a expressão lógica a seguir.
!$ f (A,B,C,D) = \overline A \;\overline B\; \overline C\; \overline D + \overline A \;\overline B \;\overline C D + \overline A \; \overline B \;C \;\overline D + \overline A\;\overline B \;C\; D + A \;\overline B\;\overline C \;\overline D + A \; \overline B\;\overline C D + A \;\overline B \;C \;\overline D !$
!$ + A\;\overline B \;C\; D + A \;B \;\overline C\; D + A \;B\; C\; D !$
Assinale a alternativa que apresenta a simplificação CORRETA da expressão, utilizando-se a técnica de Mapa de Karnaugh.
Provas
Questão presente nas seguintes provas
Um microcontrolador possui uma CPU com a seguinte arquitetura:
• Registrador PC (program counter) de 8 bits que contém o endereço da próxima instrução a ser executada;
• Registrador AC (accumulator) de 8 bits que armazena resultados intermediários de operações;
• Memória de dados;
• Memória de instruções;
• Conjunto de instruções, listadas na tabela a seguir (onde loc representa um endereço de memória de 8 bits).
| Código de máquina | Instrução | Descrição |
| 00000000 loc | LDA loc | AC <- memória [loc] |
| 00000001 loc | STA loc | memória [loc] <- AC |
| 00000010 loc | ADD loc | AC <- AC + memória [loc] |
| 00000011 loc | AND loc | AC <- AC AND memória [loc] |
| 00000100 loc | JMP loc | PC <- loc |
| 00000101 loc | BRN loc | PC <- (AC < 0) ? loc : PC + 2 |
| 00000110 loc | BRZ loc | PC <- (AC == 0) ? loc : PC + 2 |
| 11111111 XX | HALT | Halt |
Nessa arquitetura, que considera números com sinal e representação em complemento de 2, a instrução LDA (load accumulator) é utilizada para armazenar em AC o conteúdo da posição de memória endereçada por loc. A instrução STA (store accumulator) é utilizada para armazenar o conteúdo de AC na posição de memória endereçada por loc. A instrução ADD (add) armazena em AC o resultado da operação aritmética de adição realizada entre o valor contido em AC e o valor armazenado na posição de memória endereçada por loc. A instrução AND (and) armazena em AC o resultado da operação lógica AND realizada entre o valor contido em AC e o valor armazenado na posição de memória endereçada por loc. A instrução JMP (jump) realiza um desvio incondicional para a posição de memória indicada por loc. A instrução BRN (branch if negative) realiza um desvio condicional para a posição de memória indicada por loc se o conteúdo de AC for menor do que zero; caso contrário, a instrução seguinte a BRN é executada. A instrução BRZ (branch if zero) realiza um desvio condicional para a posição de memória indicada por loc se o conteúdo de AC for igual a zero; caso contrário, a instrução seguinte a BRZ é executada. A instrução HALT (halt) causa a parada da execução das instruções.
O programa em linguagem assembly a seguir foi desenvolvido para execução nesse microcontrolador. Na primeira coluna foi incluído um label para representar o endereço de memória da instrução em questão; a segunda coluna contém a instrução e a terceira coluna contém os operandos da instrução (endereços de memória).
INICIO: LDA 0
ADD 1
BRN INICIO
HALT
Assuma que o programa inicia sua execução na primeira instrução da listagem, localizada no endereço INICIO (label INICIO). Assuma também que na posição 0 (zero) da memória de dados está armazenado o valor 127 (em decimal) e que na posição 1 (um) dessa mesma memória está armazenado o valor 1 (em decimal). Com base na execução do programa, assinale a alternativa CORRETA.
Provas
Questão presente nas seguintes provas
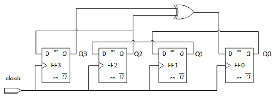
A figura a seguir apresenta o diagrama esquemático de um circuito sequencial.

O diagrama esquemático representa um circuito contador de quatro bits. Considerando que o circuito possui um sinal de relógio na entrada clock, que as entradas set e clr dos flip-flops estão desativadas, ou seja, o circuito está habilitado para realizar uma contagem, e que o valor inicial em !$ Q_3Q_2Q_1Q_0 !$ é 1 (em decimal), assinale a alternativa que apresenta a sequência CORRETA de valores, em decimal, fornecida nas saídas !$ Q_3Q_2Q_1Q_0 !$ do circuito para os primeiros dez pulsos do sinal de relógio na entrada clock.
Provas
Questão presente nas seguintes provas
Qualquer pessoa pode prender um criminoso?
Em 1º de fevereiro um jovem apareceu nu, espancado e acorrentado pelo pescoço com uma trava de bicicleta no bairro do Flamengo, Rio de Janeiro. O rapaz seria um criminoso conhecido na área por assaltar os moradores junto de comparsas. Cansados dos crimes do grupo, moradores resolveram dar uma lição no garoto e a história virou notícia. Para justificar o ato, comentaristas evocaram dois princípios dos códigos legais brasileiros argumentando que os cidadãos do Flamengo haviam colocado em prática direitos seus: de dar voz de prisão e de autodefesa.
É verdade: o Código de Processo Penal brasileiro permite a um cidadão comum dar voz de prisão caso veja um crime acontecendo. O artigo 301 diz: “Qualquer do povo poderá e as autoridades policiais e seus agentes deverão prender quem quer que seja encontrado em flagrante delito”. Porém, antes de vestir sua fantasia de Batman, afivelar o cinto de utilidades e sair pelas ruas em busca de justiça, você deve saber de algumas coisas. Em primeiro lugar, é preciso que seja um flagrante, como o texto diz. Não adianta prender a pessoa porque é um criminoso conhecido.
Segundo, não deve haver polícia por perto. Se os guardiões da lei estiverem nas redondezas, melhor deixar a missão para eles. Também é verdadeira a afirmação a respeito da autodefesa. O artigo 23 do Código Penal diz que existe esse direito e que ele não é crime.
Mas isso não significa dizer que os “justiceiros” do Rio estivessem certos. Em primeiro lugar, eles não poderiam ter espancado o jovem, mesmo tendo flagrado crime. Isso não se justifica nem para dar a voz de prisão, tampouco como autodefesa. Além disso, deveriam ter chamado a polícia, uma vez contido o criminoso. Não fizeram isso: preferiram arrancar as roupas do rapaz e prendê-lo a um poste, como forma de humilhação. Ao tentar fazer justiça, cometeram pelo menos dois crimes: lesão corporal e constrangimento ilegal. Embora esses dois direitos estejam garantidos pelas leis, quem deve punir é o Estado, seguindo regras e procedimentos. As falhas na segurança pública não são justificativa para justiciamentos.
RODRIGUEZ, Diogo Antonio. Qualquer pessoa pode prender um criminoso?
Galileu, n. 272, p. 16, mar. 2014.
Assinale a alternativa CORRETA.
As palavras sublinhadas no Texto podem ser substituídas, correta e respectivamente, sem alterar o sentido do texto, por:
Provas
Questão presente nas seguintes provas
Lanche 30/08/2012 [data de publicação da matéria]
10 cachorros-quentes muito apetitosos pelo Brasil
Conheça os hot-dogs considerados os melhores de São Paulo, Rio, Brasília, Porto Alegre, Belém e região do ABC paulista
Cachorro-quente é uma comida democráticaII). Ao mesmo tempo em que ele pode ser um simples pão com salsicha e molho, também pode ter ingredientes finos ou mais próximos da realidade de uma região específica.
O preço também varia. Se em uma barraquinha ele pode custar por volta de três reais, versões mais elaboradas podem chegar a milhares de dólares. Um exemplo é o hot-dog mais caro do mundo, vendido por 2,3 mil dólares em um restaurante de Nova York.
Independentemente das peculiaridades de cada tipo, esse sanduíche é um grande sucesso dentro e fora do país. Confira a seguir um dentre alguns exemplares que já foram considerados os melhores em sete cidades brasileiras para provar in locoIII) ou tentar copiar em casa.
Cachorro-quente do R, em Porto Alegre
A especialidade destaIV) lanchonete, criada em 1962 em Porto Alegre, foi considerada pelos moradores o melhor cachorro-quenteI) da cidade, de acordo com uma consulta feita pela revista Veja Porto Alegre Comer e Beber, neste ano. Não é a primeira vez que o hot-dogI) ganha destaque. Ele já foi vencedor na categoria de melhor cachorro-quente da cidade nas edições de 1998, 2000, 2001, 2004, 2005, 2006 e 2009.
Os sanduíches variam no tamanho e podem vir com uma, duas ou três salsichas. A lista de ingredientes também inclui ervilha, salsa, queijo ralado, ketchup, mostarda e molho especial.
[...]
Disponível em: <http://exame.abril.com.br/estilo-de-vida/noticias/10-cachorros-quentes-muito-apetitosos-pelo-brasil>.
[Adaptado]. Acesso em: 20 abr. 2014.
Em relação ao Texto, analise as afirmativas abaixo.
I. Os termos sublinhados “cachorro-quente”, “hot-dog” e “ele” são usados com o mesmo sentido para evitar a repetição de palavras.
II. A frase Cachorro-quente é uma comida democrática pode ser substituída, sem prejuízo de sentido, por “Cachorro-quente é uma comida popular”.
III. A locução latina “in loco” pode ser compreendida como “no local” ou “no lugar”.
IV. O pronome demonstrativo “desta” retoma o nome da lanchonete: “Porto Alegre”.
Assinale a alternativa CORRETA.
Provas
Questão presente nas seguintes provas
Frases
Luís Fernando Verissimo
O Nietzsche tem uma frase terrível que Harold Bloom usou como epígrafe do seu livro Shakespeare
– A Invenção do Humano: “Aquilo para o qual encontramos palavras é algo que já morreu em nossos corações”. Estranho pensamento (significando, se não me falha a interpretação, que só podemos falar ou escrever sobre o que não nos apaixona mais) para inaugurar um livro como o de Bloom, um tijolo de 745 páginas escritas com evidente paixão. Talvez o que Nietzsche quisesse dizer era que só encontramos palavras racionais para tratar de fatos quando os fatos já não desafiam a razão ou aceleram o coração. Ou seja: para escrever sobre um furacão é melhor não estar no meio do furacão. Tudo é mais bem compreendido a distância. Com o passar do tempo, todos nós viramos filósofos.
[...]
Nietzsche também definiu piada como o epitáfio para a morte de um sentimento. Interpretações a gosto. Acho que o que ele quis dizer se encaixa na atual discussão sobre os limites do humor. A respeito de um sentimento que não tem mais sentido, pode-se fazer piadas à vontade, sem ofender ninguém. Quanto mais obsoleto e piegas o sentimento, melhor a piada. O diabo é que um sentimento pode não valer mais nada para o humorista, mas ainda ser um sentimento vigente para outros, e aí se dá a confusão. Neste caso, o epitáfio é prematuro, pois o sentimento ainda não morreu.
Outra frase de Nietzsche, esta mais conhecida e menos enigmática, é: o que não nos mata nos torna mais fortes. O que serve de consolo para humoristas obrigados a enfrentar os que não entenderam a piada.
Disponível em: <http://www.estadao.com.br>. [Adaptado]. Publicado em: 28 fev. 2014.
Acesso em: 30 abr. 2014.
Com base no Texto, assinale V (verdadeiro) ou F (falso) para as asserções abaixo.
( ) O uso dos dois pontos em Ou seja: para escrever sobre um furacão é melhor não estar no meio do furacão. antecede uma enumeração.
( ) Dizer que algo acelera o coração pode ser o mesmo que dizer que algo mexe com as emoções.
( ) A palavra “tijolo” é utilizada no texto em seu sentido conotativo.
( ) O uso dos parênteses em “(significando, se não me falha a interpretação, que só podemos falar ou escrever sobre o que não nos apaixona mais)” pode ser substituído por travessões sem prejudicar o sentido do texto.
Assinale a alternativa que apresenta a sequência CORRETA, de cima para baixo.
Provas
Questão presente nas seguintes provas
Considere VBE = 0,7V. É CORRETO afirmar que a tensão VCE está no intervalo de:

Provas
Questão presente nas seguintes provas
Frases
Luís Fernando Verissimo
O Nietzsche tem uma frase terrível que Harold Bloom usou como epígrafe do seu livro Shakespeare
– A Invenção do Humano: “Aquilo para o qual encontramos palavras é algo que já morreu em nossos corações”. Estranho pensamento (significando, se não me falha a interpretação, que só podemos falar ou escrever sobre o que não nos apaixona mais) para inaugurar um livro como o de Bloom, um tijolo de 745 páginas escritas com evidente paixão. Talvez o que Nietzsche quisesse dizer era que só encontramos palavras racionais para tratar de fatos quando os fatos já não desafiam a razão ou aceleram o coração. Ou seja: para escrever sobre um furacão é melhor não estar no meio do furacão. Tudo é mais bem compreendido a distância. Com o passar do tempo, todos nós viramos filósofosD).
[...]
Nietzsche também definiu piada como o epitáfio para a morte de um sentimento. Interpretações a gostoA). Acho que o que ele quis dizer se encaixa na atual discussão sobre os limites do humor. A respeito de um sentimento que não tem mais sentido, pode-se fazer piadas à vontade, sem ofender ninguém. Quanto mais obsoleto e piegas o sentimento, melhor a piada. O diabo é que um sentimento pode não valer mais nada para o humoristaB), mas ainda ser um sentimento vigente para outros, e aí se dá a confusão. Neste caso, o epitáfio é prematuro, pois o sentimento ainda não morreu.
Outra frase de Nietzsche, esta mais conhecida e menos enigmática, é: o que não nos mata nos torna mais fortes. O que serve de consolo para humoristas obrigados a enfrentar os que não entenderam a piada.
Disponível em: <http://www.estadao.com.br>. [Adaptado]. Publicado em: 28 fev. 2014.
Acesso em: 30 abr. 2014.
Com base no Texto 1, assinale a alternativa CORRETA.
Provas
Questão presente nas seguintes provas
Para o circuito da figura abaixo, assinale a alternativa que apresenta o valor CORRETO da diferença de potencial (!$ V_6 !$) no resistor de 6kΩ.

Provas
Questão presente nas seguintes provas
Cadernos
Caderno Container