Foram encontradas 60 questões.
Dado o circuito digital a seguir, defina qual o valor das saídas S1, S2 e S3 quando a entrada E1 = 1 e a entrada E2 = 0.

Provas
Quantos bits estão contidos em 9 bytes?
Provas
Os números binários 0010, 111000 e 0101111 podem ser representados por quais números na base decimal?
Provas
Pode-se afirmar que o resistor Rf mostrado na figura a seguir realiza a função de:

Provas
Considere a tensão na junção base-emissor do transistor sendo 0,7 V, o ganho de corrente do transistor infinito e a tensão no diodo Zener igual a 5,7 V. Qual o valor da corrente Is?

Provas
Considerando que a tensão direta nos diodos 1N4148 é de 0,7 V e a tensão Zener nos diodos 1N4733A é de 5,1 V. Quais são os valores das tensões V1 e V2?

Provas
Pode-se afirmar que o circuito da figura a seguir é geralmente utilizado em:

Provas
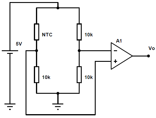
O circuito da figura a seguir é utilizado para medir temperatura. Pode-se afirmar que, com o aumento da temperatura, o valor da tensão Vo na saída do amplificador de instrumentação A1:

Provas
Pode-se afirmar que a figura a seguir representa um circuito:

Provas
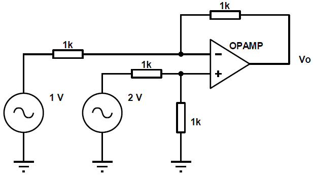
Considerando o amplificador operacional mostrado na figura a seguir como sendo ideal, pode-se afirmar que:

Provas
Caderno Container