Foram encontradas 60 questões.
A ponte de Wheatstone é utilizada em diversos sistemas de medições.
Assinale a alternativa incorreta.

Provas
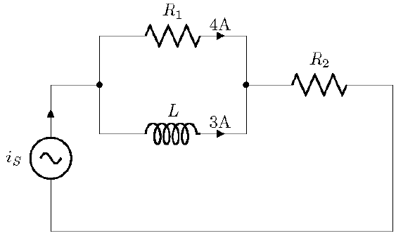
Sabendo-se que a fonte ilustrada na figura a seguir é de corrente, cuja frequência é de 60 Hz, assinale a alternativa correta:

Provas
Um circuito RLC de corrente alternada de 60Hz é ilustrado na figura a seguir. Sabendo-se que os valores de tensão indicados são eficazes, assinale a alternativa que indica corretamente a tensão no capacitor (Vc):

Provas
As correntes i1 e i2 do circuito ilustrado na figura a seguir são, respectivamente:

Provas
A indutância equivalente vista dos terminais A e B da figura a seguir é de:

Provas
Em determinado projeto, determinou-se que o capacitor de filtro de uma fonte de tensão deverá ter uma capacitância de no mínimo 185 uF e suportar uma tensão de 190 V. Entretanto, no almoxarifado do laboratório, apresentam-se apenas capacitores com valores nominais de 100uF de 50 V. Assinale a alternativa correta:
Provas
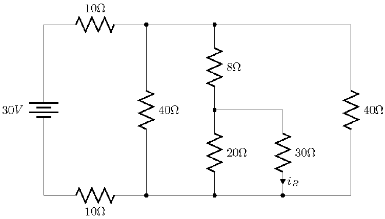
Considerando-se o circuito da figura a seguir, o valor da corrente iR que passa no resistor de 30 !$ Ω !$ é dado por:

Provas
Sobre o circuito da seguinte figura, assinale a alternativa correta.

Provas
Determine a resistência equivalente do ponto de vista de A e B do circuito ilustrado na seguinte figura.

Provas
Três lâmpadas (L) incandescentes idênticas, cujos valores nominais são de 100 V de tensão e 100 W de potência, são alimentadas por uma fonte de 100 V, conforme o diagrama esquemático ilustrado na figura a seguir. A potência total consumida pelo circuito é de:

Provas
Caderno Container