Magna Concursos

Foram encontradas 50 questões.

4067377 Ano: 2026
Disciplina: Eletroeletrônica
Banca: Verbena
Orgão: UFSCAR
A segurança no trabalho com sistemas elétricos e eletrônicos é regida por normas rigorosas para prevenir acidentes graves, como choques elétricos, quedas, incêndios e explosões. As principais diretrizes e práticas envolvem o cumprimento de normas e a adoção de procedimentos de segurança específicos. Qual é a norma que trata da segurança em instalações e serviços em eletricidade?
 

Provas

Questão presente nas seguintes provas
4067376 Ano: 2026
Disciplina: Engenharia de Automação
Banca: Verbena
Orgão: UFSCAR
A automação industrial baseia-se no controle automático de processos, utilizando dispositivos eletromecânicos e eletrônicos para aumentar a eficiência e segurança. Os pilares fundamentais envolvem relés, contatores e CLPs (Controlador Lógico Programável). Sobre o CLP:
 

Provas

Questão presente nas seguintes provas
4067375 Ano: 2026
Disciplina: Eletroeletrônica
Banca: Verbena
Orgão: UFSCAR
A manutenção de equipamentos eletrônicos laboratoriais é fundamental para garantir a confiabilidade dos resultados, a segurança dos operadores e a longevidade dos dispositivos. A substituição de um equipamento, cuja falha é prevista, é o tipo de manutenção
 

Provas

Questão presente nas seguintes provas
4067374 Ano: 2026
Disciplina: TI - Sistemas Operacionais
Banca: Verbena
Orgão: UFSCAR
Sistemas embarcados são sistemas computacionais dedicados, projetados para realizar funções específicas dentro de um dispositivo maior. Eles combinam hardware e software para controlar, monitorar ou processar dados em tempo real, sendo comuns em aplicações automotivas, eletrodomésticos, dispositivos médicos e IoT. Qual é a função principal do UBoot em um sistema embarcado?
 

Provas

Questão presente nas seguintes provas
4067373 Ano: 2026
Disciplina: Engenharia Eletrônica
Banca: Verbena
Orgão: UFSCAR
Microcontroladores são “computadores em um único chip" projetados para sistemas embarcados e automação, integrando CPU, memória e periféricos de entrada/saída. Como são conhecidas as interfaces que podem ser configurados como entrada, ler botões/sensores, ou saída, acionar LEDs/motores, de um microcontrolador ESP8266?
 

Provas

Questão presente nas seguintes provas
4067372 Ano: 2026
Disciplina: Engenharia Eletrônica
Banca: Verbena
Orgão: UFSCAR
Sensores e atuadores são componentes de hardware essenciais em sistemas de automação e robótica. Sensores medem grandezas físicas (temperatura, luz, posição) e as convertem em sinais elétricos. Atuadores recebem esses sinais e realizam ações mecânicas ou físicas, como movimentar braços robóticos ou abrir válvulas. Um sensor de temperatura gera uma tensão de saída (VO) em função da temperatura de exposição que pode variar de 0 °C a 100 °C. Sabe-se que na temperatura de 0 °C a tensão de saída do sensor é igual a 0 volts e a taxa de variação da tensão VO é de 15 mV/°C. Qual é a tensão de saída para uma temperatura de exposição de 60 °C?
 

Provas

Questão presente nas seguintes provas
4067371 Ano: 2026
Disciplina: Engenharia Eletrônica
Banca: Verbena
Orgão: UFSCAR
A análise de circuitos elétricos e eletrônicos envolve a compreensão de como a energia flui através de componentes como resistores, capacitores e transistores, utilizando leis fundamentais para identificar falhas e realizar testes. Durante a análise de um equipamento, um técnico mediu, em relação ao terra comum, as tensões nos terminais de um transistor BJT NPN de silício, obtendo os seguintes valores: tensão de emissor (Ve) = 0 volts, tensão de base (Vb) = 0,7 volts e tensão de coletor (Vc) = 0,1 volts. Com base nessas medições, qual é a região de operação do transistor?
 

Provas

Questão presente nas seguintes provas
4067370 Ano: 2026
Disciplina: Eletroeletrônica
Banca: Verbena
Orgão: UFSCAR
Os procedimentos operacionais de montagem e soldagem de circuitos eletrônicos em bancada envolvem um conjunto de técnicas manuais e boas práticas essenciais para garantir a funcionalidade, durabilidade e confiabilidade do protótipo ou reparo. O processo engloba a organização da bancada, prototipagem, soldagem de componentes através do furo na placa de circuito impresso (PCI) e montagem em superfície de PCI. Os procedimentos de soldagem são preparação dos componentes e da PCI, inserção/posicionamento dos componentes, soldagem, inspeção visual, correção e finalização. Qual dos procedimentos de soldagem que garante a inexistência de solda fria?
 

Provas

Questão presente nas seguintes provas
4067369 Ano: 2026
Disciplina: Eletroeletrônica
Banca: Verbena
Orgão: UFSCAR
Instrumentação eletrônica básica envolve técnicas e dispositivos para medir, monitorar e controlar variáveis físicas. Um multímetro digital é utilizado para medir a tensão entre os terminais de um resistor, o qual é alimentado por uma fonte de tensão. Com um osciloscópio um técnico observou que existe sobre este resistor uma onda senoidal cuja tensão de pico a pico é 150 volts. Em seguida ele substituiu o osciloscópio por um multímetro digital ajustado para medir tensão eficaz. De acordo com as informações acima, qual é o valor tensão mostrada no visor do multímetro?
 

Provas

Questão presente nas seguintes provas
4067368 Ano: 2026
Disciplina: Engenharia Eletrônica
Banca: Verbena
Orgão: UFSCAR
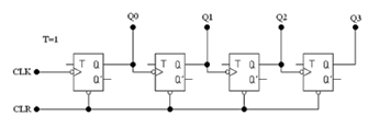
Analise a imagem a seguir.

Enunciado 4567635-1

A eletrônica digital é o ramo que manipula informações e sinais discretos, baseados no sistema binário (0 ou 1 – ligado ou desligado) para processar, armazenar e transmitir dados. Seus principais componentes são portas lógicas e flip-flops. A Figura 1 apresenta um circuito contador
 

Provas

Questão presente nas seguintes provas