Foram encontradas 560 questões.
Analise a tabela verdade a seguir.
A tabela verdade é uma ferramenta da lógica matemática utilizada na eletrônica digital para determinar o valor lógico (verdadeiro ou falso) de proposições compostas, mapeando todas as combinações possíveis entre proposições simples. Um determinado processo industrial é representado pela tabela verdade apresentada, composta por três entradas (A, B e C) e uma saída (Y). A expressão simplificada de saída da tabela é
A tabela verdade é uma ferramenta da lógica matemática utilizada na eletrônica digital para determinar o valor lógico (verdadeiro ou falso) de proposições compostas, mapeando todas as combinações possíveis entre proposições simples. Um determinado processo industrial é representado pela tabela verdade apresentada, composta por três entradas (A, B e C) e uma saída (Y). A expressão simplificada de saída da tabela é
Provas
Questão presente nas seguintes provas
Analise a imagem a seguir.
A imagem que representa a forma de onda de saída V0 do circuito apresentado é:
A imagem que representa a forma de onda de saída V0 do circuito apresentado é:
Provas
Questão presente nas seguintes provas
Analise a imagem a seguir.
Considere o circuito da figura onde são dados Hfe = 100; Vcc = 18 V; RC = 2,2 kohms e RE = 1,1 kohms. Com base na imagem apresentada, o valor do resistor RB que faz com que o transistor opere no meio da reta de carga é de
Considere o circuito da figura onde são dados Hfe = 100; Vcc = 18 V; RC = 2,2 kohms e RE = 1,1 kohms. Com base na imagem apresentada, o valor do resistor RB que faz com que o transistor opere no meio da reta de carga é de
Provas
Questão presente nas seguintes provas
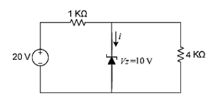
Analise a imagem a seguir.

Com base na imagem apresentada, o valor da corrente i é de
Provas
Questão presente nas seguintes provas
Qual é a resistência equivalente à ligação em paralelo de
três resistores, sendo seus respectivos valores iguais a 5
ohms, 10 ohms e 15 ohms?
Provas
Questão presente nas seguintes provas
A associação de capacitores é a conexão de dois ou mais
capacitores em um circuito para obter uma capacitância total
desejada (capacitância equivalente), aumentar a tensão
suportada ou o armazenamento de energia. Um capacitor
de 200 nF (nano Farad) ligado em série com um capacitor
de 300 nF resulta em uma capacitância equivalente de
Provas
Questão presente nas seguintes provas
As boas práticas de laboratório em eletrônica são essenciais
para garantir a segurança, a confiabilidade dos resultados,
a integridade dos componentes e a eficiência no
desenvolvimento ou reparo de circuitos. A seleção
adequada dos componentes eletrônicos é primordial para
atingir os resultados esperados. Um resistor com as
seguintes cores: marrom, preto e laranja, respectivamente.
Sua resistência é de
Provas
Questão presente nas seguintes provas
Os procedimentos de manutenção, limpeza, conservação e
controle de equipamentos são essenciais para garantir a
segurança, eficiência e longevidade dos ativos. Embora os
detalhes específicos variem conforme o tipo de
equipamento e o setor, as práticas gerais envolvem
inspeções regulares, limpeza adequada e documentação
rigorosa. Quais são os procedimentos-chave gerais de
manutenção e conservação?
Provas
Questão presente nas seguintes provas
A segurança do trabalho em laboratórios eletrônicos é
crucial para prevenir choques elétricos, queimaduras,
incêndios e danos aos equipamentos. As normas técnicas
exigem a combinação de Equipamentos de Proteção
Individual (EPIs), Equipamentos de Proteção Coletiva
(EPCs) e procedimentos rigorosos. Quais são os EPIs para
trabalhar com eletricidade?
Provas
Questão presente nas seguintes provas
A ética no serviço público brasileiro é um conjunto de
princípios morais, normas de conduta e valores que
orientam a atuação dos servidores, visando garantir que a
administração pública trabalhe em benefício da coletividade.
Os princípios éticos (Legalidade, Impessoalidade,
Moralidade, Publicidade e Eficiência) norteiam a atuação do
agente público. O princípio ético que trata da transparência
nos atos, garantindo o direito à informação, exceto em casos
de sigilo é
Provas
Questão presente nas seguintes provas
Cadernos
Caderno Container