Foram encontradas 40 questões.
Assinale a alternativa que completa, de forma adequada, o sentido da frase.
Zona de risco é o entorno de parte _______________ energizada, não ____________, acessível inclusive _________________ , de dimensões estabelecidas de acordo com o nível de ____________.
Provas
Um transformador tem a seguinte característica 220/110 V. Em relação a esse transformador, assinale a alternativa correta.
Provas
Assinale a alternativa que completa, de forma adequada, o sentido da frase.
Capacitor é um dispositivo ____________________ formado por duas placas ________________ separadas por um _____________.
Provas
Em relação à teoria de filtros passivos, pode-se afirmar:
Provas
Um circuito RLC série com resistência de 50 !$ \Omega !$, capacitor de 25mF e indutor de 0,15Hest ligado a uma fonte de tens o 120 V/60 Hz.
Determine o valor da imped nciâ do circuito.
Provas
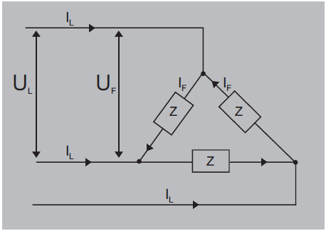
Um gerador trifásico com uma tensão de linha no valor de 208 V alimenta uma carga em triângulo.Acorrente em cada impedância da carga é de 3A, e o fator de potência é igual a 0,8 em atraso. Qual é o valor da corrente na linha (IL)?

Provas
A bateria de um automóvel apresenta as seguintes especificações: 12V e 60Ah. Deseja-se saber por quanto tempo essa bateria poderá suprir uma carga de 48W.
Provas
Considere o circuito apresentado na figura. Qual o valor da potência total dissipada quando (i) a chave está aberta? Equando (ii) a chave está fechada? (Dados: VA = 35 V;VB = 5 V; R1 = 10 A !$ \Omega !$;R2 = 20 !$ \Omega !$;R3 = 10 !$ \Omega !$).

Provas
Assinale a alternativa que apresenta o material com maior valor de permeabilidade magnética relativa.
Provas
Considere o circuito apresentado na figura. Se R estiver aberto, qual será a tensão no coletor? Se C estiver em curto, a lâmpada (L) acenderá?

Provas
Caderno Container