Foram encontradas 50 questões.
A representação de sistemas dinâmicos no domínio da frequência complexa s facilita a análise e o projeto de sistemas de controle, pois, em vez de se lidar com equações diferenciais, é possível lidar-se com equações algébricas.
Seja o sistema dinâmico descrito pela função de transferência
| !$ G(s) = { \large y(s) \over u(s)} = { \large s - 1 \over s^2 + 2s + 1}. !$ |
Considerando G(s), assinale verdadeira (V) ou falsa (F) em cada afirmativa a seguir.
( ) O sistema dinâmico G(s) é dito subamortecido.
( ) O sistema dinâmico G(s) possui dois polos e um zero.
( ) O sistema dinâmico G(s) é dito de fase não-mínima.
( ) O grau relativo do sistema dinâmico G(s) é 2.
A sequência correta é
Provas
Considerando-se as prerrogativas estabelecidas pela NBR - 5410: 2004 - Instalações elétricas de baixa tensão, considere as afirmações a seguir.
I → Com exceção das áreas inferiores a 6m2, não são admitidos circuitos comuns para iluminação e tomadas.
II → Os componentes da instalação elétrica devem possuir, no mínimo, grau de proteção FP24.
III → Admite-se omitir a proteção contra correntes de sobrecarga em uma linha destinada a circuitos de motores destinados a serviços de segurança, circuitos secundários de transformadores de corrente e circuitos de excitação de máquinas rotativas.
IV → As proteções contra correntes de curto-circuito não podem ser omitidas, e as amplitudes dessas correntes devem ser calculadas ou medidas na origem dos circuitos em que serão instaladas as proteções.
Está(ão) correta(s)
Provas
Conforme a NBR - 8995: 2013 - Iluminação de Ambientes de Trabalho, a iluminância mantida para a área de leitura de uma biblioteca é de 500lux. Em um projeto luminotécnico, prevê-se a iluminação de uma área de leitura de biblioteca com dimensões de 9,0m de comprimento e 4,0m de largura, com pé-direito de 2,5m. Nesse ambiente, o teto e as paredes são claras e o piso é escuro. Deverão ser usadas luminárias Philips, modelo TMS011 2xTL-D36W HFER, que acomodam duas lâmpadas por luminária. Cada lâmpada possui um fluxo luminoso de 3.350 lúmens. Considerando-se um fator de depreciação de 0,6 e um fator de utilização de 0,8 e fazendo o projeto luminotécnico pelo Método dos Lúmens, o número mínimo de luminárias a ser utilizado é:
Provas
Em relação aos princípios constitucionais que norteiam a Administração Pública, assinale a alternativa correta.
Provas
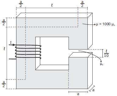
Observe o circuito magnético da figura a seguir, cujas dimensões estão nela definidas. Uma bobina com 200 espiras é percorrida por uma corrente I = 2A. A permeabilidade magnética do entreferro de ar é μ0 , e a permeabilidade magnética do núcleo magnético é μ = 1.000μ0 .

Com base na figura, a relutância magnética do circuito magnético é
Provas
Não sorria. Você está sendo fotografado
Ninguém, com exceção de Mona Lisa, ria nos retratos antigos. Já nas selfies de hoje...
Como observaram acuradamente aqueles que fizeram a pergunta ao Google, não vemos sorrisos nas antigas fotografias. O retrato foi uma das principais atrações da fotografia desde a sua invenção. Em 1852, por exemplo, uma menina posou para um daguerreótipo com a cabeça ligeiramente inclinada, dando à lente um olhar firme, confiante, grave. Ela está preservada para sempre como uma garota realmente muito séria.
Essa seriedade é onipresente nas fotografias vitorianas. Charles Darwin, que, segundo todos os relatos, era uma personalidade calorosa e um pai brincalhão e amoroso, parece congelado em tristeza nas fotografias. No grande retrato feito por Julia Margaret Cameron, em 1867, do astrônomo John Frederick William Herschel, sua profunda introspecção melancólica e o cabelo revolto, beijado pela luz, lhe dão o ar de um trágico Rei Lear.
Por que nossos ancestrais, desde os desconhecidos sentados em retratos de família até os grandes e famosos, ficam tão sem graça diante das lentes? Não é preciso olhar por muito tempo para essas antigas fotos sérias para ver quão incompleta é a resposta aparentemente óbvia – que eles estão congelando seus rostos para se manterem imóveis durante os longos tempos de exposição.
No retrato de Alfred Tennyson, por Julia Margaret Cameron, o poeta medita e sonha, seu rosto é uma máscara de gênio sombreada. E isso não é simplesmente um truque técnico. É uma opção estética e emocional. As pessoas do passado não eram necessariamente mais tristonhas que nós. Elas não andavam por aí em um perpétuo estado de lamentação – embora pudessem ser perdoadas por fazê-lo, em um mundo com índices de mortalidade muito mais altos do que no Ocidente hoje e uma medicina que era realmente inferior pelos nossos padrões.
O riso e a alegria simplesmente não apenas eram comuns no passado, como eram muito mais institucionalizados que hoje, desde os carnavais medievais em que comunidades inteiras se entregavam a pantomimas cômicas às oficinas de gravura georgianas, onde as pessoas se reuniam para ver as últimas caricaturas. Longe de suprimir os festivais e a diversão, os vitorianos, que inventaram a fotografia, também criaram o Natal como a festa secular que é hoje.
Por isso, a severidade das pessoas nas fotos do século XIX não pode ser evidência de uma tristeza e depressão generalizadas. Não era uma sociedade em permanente desespero. A verdadeira resposta tem a ver com as atitudes em relação ao próprio retrato. As pessoas que posaram para as primeiras fotografias,desde famílias simples de classe média, registrando seu status, a celebridades capturadas pelas lentes, compreendiam que era um momento importante. A fotografia ainda era rara. Ter sua foto tirada não era algo que acontecia todos os dias. Para muitas pessoas podia ser uma experiência única na vida.
Posar para a câmera, em outras palavras, não parecia tão diferente de ter seu retrato pintado. Era mais barato, mais rápido (mesmo com os longos tempos de exposição) e significava que pessoas que nunca tiveram a chance de ser pintadas podiam agora ser retratadas, mas as pessoas parecem levar isso a sério da mesma maneira que fariam com um retrato pintado. Não era um “instantâneo”. Como um retrato pintado, pretendia ser um registro atemporal de uma pessoa.
Na verdade, a pergunta poderia ser reformulada: por que as antigas fotografias são tão mais comoventes que as modernas? Pois a grandeza existencial do retrato tradicional, a gravitas de Rembrandt, ainda sobrevive na fotografia vitoriana. Hoje tiramos tantos instantâneos sorridentes que a ideia de alguém encontrar profundidade e poesia na maioria deles é absurda.
As fotos têm relação com sociabilidade. Queremos nos comunicar como seres sociais felizes. Por isso sorrimos, rimos e gargalhamos em selfies interminavelmente compartilhadas. Uma selfie sorridente é o oposto de um retrato sério. É apenas uma apresentação de felicidade momentânea. Ela tem profundidade zero e, portanto, valor artístico zero. Como documento humano é perturbadoramente descartável. (Na verdade, nem sequer é sólido o suficiente para se jogar fora – basta clicar delete.).
Como são belas e assombrosas as antigas fotografias, em comparação com nossas tolas selfies. Aquelas pessoas sérias, provavelmente, se divertiam tanto quanto nós, ou mais. Mas não sentiam uma necessidade histérica de provar isso com imagens. Ao contrário, quando posavam para uma fotografia, pensavam no tempo, na morte e na memória.
A presença dessas graves realidades nas fotografias antigas as faz valer muito mais que nossos instantâneos ridiculamente felizes no Instagram. Talvez nós também devêssemos parar de sorrir um pouco.
Fonte: JONES, Jonathan. Não sorria. Você está sendo fotografado. Disponível em: <www.cartacapital.com.br/revista/870/nao-sorria-voce-esta-sendofotografado-
8773.html>. Acesso em: out. 2015. (Adaptado)
Em relação ao ponto de vista defendido no texto, considere as afirmações a seguir.
I → A seriedade das pessoas nas fotografias do século XIX está relacionada à cultura de tristeza, característica da época.
II → A atitude das pessoas nas fotografias antigas pode ser comparada à experiência de ter seu retrato pintado a óleo, tendo em vista a raridade da fotografia e a importância do momento.
III → As fotografias antigas emocionam muito mais que as modernas, porque capturam a profundidade e poesia do ser humano retratado.
Está(ão) correta(s)
Provas
Quanto à NBR – 5419: 2015 – Proteção contra descargas atmosféricas, assinale a alternativa INCORRETA.
Provas
Qual das seguintes equivalências de portas lógicas NÃO é verdadeira?
Provas
O método dos dois wattímetros é usado para medir a potência de um sistema trifásico ligado em estrela, sem fio neutro. As bobinas de corrente do primeiro e do segundo wattímetro são ligadas nas linhas A e C. Considerando o circuito ABC, equilibrado, com tensão de linha de 440V, e impedâncias de !$ 40 \angle - 60º \Omega !$, o valor da leitura do primeiro e do segundo wattímetro e da potência total calculada é, respectivamente,
Provas
A respeito da área de circuitos eletrônicos, considere as afirmações a seguir.
I → Um filtro RC passa-altas, composto de um capacitor e um resistor de !$ 0,1 μ F !$ e !$ 1k\Omega !$, respectivamente, permitirá a passagem de sinais com frequências inferiores a 1,6kHz, aproximadamente.
II → Os retificadores controlados de silício são dispositivos bidirecionais de quatro camadas e três terminais, onde o terminal de gatilho (ou porta) é usado para disparar ou cortar a condução de corrente entre o anodo e o catodo.
III → Incluir um resistor de emissor ao circuito de polarização de um transistor de junção bipolar permite a obtenção de uma melhoria na estabilidade da polarização, mesmo que ocorram modificações nas condições externas, garantindo os níveis de tensão e corrente próximos aos estabelecidos no projeto do circuito.
IV → É possível criar um estágio de ganho unitário usando um amplificador operacional com a finalidade de se isolar um sinal de entrada de uma carga, ligada à saída do amplificador. Neste sentido o amplificador operacional se comportará como um dispositivo de impedâncias de entrada e saída muito baixas, de maneira tal que o consumo de energia e a distorção de sinal se tornam desprezíveis.
Está(ão) correta(s)
Provas
Caderno Container