Foram encontradas 50 questões.
Observe a figura.

A figura representa uma parcela do sinal de tensão de uma fonte alternada simétrica e senoidal. Com relação a essa fonte, o seu valor eficaz em volts e a sua frequência em hertz serão, respectivamente,
Provas
A estrutura de rede primária de distribuição de energia elétrica aérea com cabos nus do tipo é utilizada quando .
Assinale a alternativa que preenche corretamente as lacunas.
Provas
Uma empresa que fabrica embalagens emprega um sensor para a detecção e posterior separação de objetos que possuem o mesmo formato, mas são compostos de diferentes materiais metálicos. Em uma etapa do processo de fabricação, outro sensor é utilizado para detectar se um recipiente lacrado está vazio ou cheio de água. Esse recipiente plástico possui um revestimento de cor escura e opaca; por isso, foi escolhido um sensor para a aplicação.
Assinale a alternativa que preenche corretamente as lacunas.
Provas
Observe a figura.

Fonte: MACIEL, E. S.; CORAIOLA, J. A. .Transformadores e
motores de indução: manual do professor Curitiba: Base Editorial, 2010. p. 178. (Adaptado)
A placa de identificação de um motor de indução trifásico, representada na figura, está com o valor da corrente nominal apagado. Entretanto, sabe-se que a potência no eixo do motor em kW é igual a 1,7. Para a instalação adequada desse motor com tensão de linha de 220V, utilize as informações disponíveis na placa e assinale a alternativa que representa, respectivamente, os valores, em ampères, da corrente nominal e da corrente de partida do motor.
Provas
Os dispositivos de corrente diferencial-residual, ou simplesmente DR, são largamente utilizados em instalações elétricas visando à proteção contra contatos diretos e indiretos. Sobre os DR, assinale a alternativa INCORRETA.
Provas
Um motor CC, com resistência do rotor igual a 0,5 ohms, é alimentado em 300 volts e possui, para determinada carga, uma corrente no rotor de 40 ampères, funcionando a 2800 rpm. Se uma alteração na carga no eixo do motor aumentar a corrente em 20% do seu valor, a nova velocidade do motor, supondo que o fluxo permaneça constante, será, em rpm,
Provas
Pequenas falhas no isolamento das bobinas e nas conexões internas do transformador provocam formação de arcos elétricos e aquecimento local, causando decomposição do óleo com formação de bolhas e gás. Esses tipos de defeitos são denominados de incipientes e podem, com o decorrer do funcionamento do transformador, evoluir para defeitos mais graves, como curto-circuito interno. O relé mais apropriado para detectar defeitos incipientes no transformador é o
Provas
O acionamento adequado de motores elétricos pode prolongar a vida útil dos equipamentos e evitar problemas na instalação elétrica. Com relação ao acionamento de motores elétricos, considere as afirmativas a seguir.
I - A partida estrela-triângulo consiste em reduzir a tensão aplicada nas bobinas do motor, com o objetivo de controlar a velocidade no seu eixo.
II - A partida suave de um motor de indução pode ser feita através de um circuito que emprega tiristores, alterando, assim, a tensão aplicada nas bobinas do motor.
III - Soft-Starter é o equipamento recomendado quando se deseja controlar a velocidade de um motor de indução de forma precisa.
IV - Para alimentar um motor de indução trifásico com uma frequência inferior à da rede elétrica,pode-se utilizar um Inversor de Frequência.
Está(ão) correta(s)
Provas
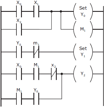
Observe a figura.

Uma das linguagens de programação de controladores lógicos programáveis (CLP) mais utilizadas na indústria é a linguagem Ladder. O diagrama Ladder mostrado na figura utiliza três entradas digitais (X0, X1 e X2), três saídas digitais (Y0, Y1, Y2) e uma função de memória (M1).
Com relação ao diagrama Ladder apresentado na figura, é correto afirmar:
Provas
Observe a figura.

A figura acima representa o projeto elétrico de um pequeno refeitório. O projeto é composto por tomadas e lâmpadas que foram distribuídas em três circuitos diferentes. De acordo com a figura, assinale V (verdadeira) ou F (falsa) em cada afirmativa a seguir.
O circuito 1 representa o acionamento do sistema de iluminação comandado por dois pontos, e o seu projeto elétrico está adequado para executar essa função.
O circuito 2 está projetado corretamente, permitindo a instalação adequada das tomadas.
O circuito 3 está projetado corretamente, permitindo a instalação adequada da tomada.
A sequência correta é
Provas
Caderno Container