Foram encontradas 50 questões.
Em uma instalação elétrica, são utilizadas três lâmpadas incandescentes de 220V conectadas em paralelo. A respeito dessa instalação, assinale V (verdadeira) ou F (falsa) em cada afirmativa a seguir.
( ) Ao medir a resistência equivalente de todas as lâmpadas, obteve-se um valor de 90 ohms; por isso, a resistência de cada lâmpada é de 30 ohms.
( ) Se uma das três lâmpadas for retirada, a corrente em cada lâmpada que permanecer acesa aumentará.
( ) Se uma lâmpada auxiliar for acrescentada ao circuito, conectada em série com uma das lâmpadas, a corrente da fonte de alimentação reduzirá.
A sequência correta é
Provas
Para responder à questão leia o texto a seguir.
A tolerância à corrupção no Brasil: uma antinomia
entre normas morais e prática social.
Quando se abre o jornal, é raro não nos defrontarmos com escândalos no mundo político. Casos de malversação de recursos públicos, uso indevido da máquina administrativa, redes de clientelas e tantas outras mazelas configuram uma sensação de mal-estar coletivo, que nos leva a olhar de modo muito cético os rumos que a política, no Brasil, tem tomado. Criam-se, dessa forma, um clamor moral e um clima de caça às bruxas que geram instabilidade e um muro de lamentações e barreiras a projetos de políticas públicas. Contudo, apesar da sucessão de escândalos no Brasil, existe uma sensação de impotência por parte da sociedade; a corrupção é tolerada, e os cidadãos ficam apenas aguardando qual será o próximo escândalo que circulará nos jornais.
Essa sensação de mal-estar coletivo com a corrupção cria concepções de senso comum de uma natural desonestidade do brasileiro.
Um dos traços característitcos do senso comum no Brasil é que o brasileiro típico tem caráter duvidoso e, , não se nega a levar algum tipo de vantagem no âmbito das relações sociais ordinárias. Por isso, vários indicadores de confiança apontam o Brasil como um país onde a desconfiança impera. Para além do senso comum, esse tipo de leitura da realidade social brasileira converge para termos centrais das interpretações do país, e a produção de conceitos no mundo acadêmico também incorpora esse tipo de visão, sendo o brasileiro típico um cidadão voltado para seus desejos agonísticos, que se expressam em formas sociais como o jeitinho e a malandragem. Culpa-se, sobremaneira, nossa herança histórica deixada pelo mundo ibérico, que teria feito com que o Brasil não conhecesse o processo de racionalização típico do Ocidente e não incorporasse os valores e princípios do mundo protestante, ascético e voltado para uma ética dos deveres e do trabalho.
O projeto de interpretação do Brasil fornecido pela vertente do patrimonialismo tende tomar esse pressuposto como característica antropológica, alicerçada em visão muitas vezes derivada de outras experiências sociais. Afinal, a herança do patrimonialismo ibérico deixou algumas mazelas na constituição da sociedade brasileira, o que acarretaria projetos de ruptura com o passado.
A prática de corrupção não está relacionada aspectos do caráter do brasileiro, mas à constituição de normas informais que institucionalizaram certas práticas tidas como moralmente degradantes, mas cotidianamente toleradas. A antinomia entre normas morais e prática social da corrupção no Brasil revela que há uma outra antinomia: a corrupção é explicada, no plano da sociedade brasileira, pelofosso que separa os aspectos morais e valorativos da vida e da cultura política. Isso acarreta uma tolerância à corrupção que está na base da vida democrática pós- 1985.
Fonte: FILGUEIRAS, F. A tolerância à corrupção no Brasil: uma antinomia entre normas morais e prática social. Revista Opinião Pública, Campinas, v. 15, n. 2, nov. 2009. Disponível em: http://www.scielo.br/pdf/op/v/s/n2/05.pdf. Acesso em 30 mai. 2015. (Adaptado)
Considerando o emprego da norma-padrão e à construção de sentido, assinale a alternativa que preenche corretamente as lacunas na sequência do texto.
Provas
Observe a figura.

Circuitos reguladores de tensão, geralmente, são empregados como estágio de saída em fontes de alimentação. Para o circuito acima, qual o valor da tensão, em volts, aplicada ao resistor RCARGA?
Provas
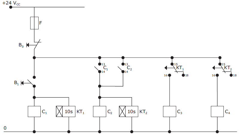
Observe a figura.

A figura acima representa um circuito lógico de comando para acionamento de cargas elétricas com o uso de contatoras e temporizadores, sendo os temporizadores com retardo na energização programados para 10 segundos. De acordo com a figura, considere que o botão B é pressionado manual mente por 1 segundo e assinale a alternativa que contenha apenas os componentes que permanecerão energizados após 60 segundos do acionamento do botão pulsante B1.
Provas
O Disjuntor Motor (DM) é um equipamento usado na proteção de circuitos com motores elétricos. Com relação ao DM, considere as afirmativas a seguir:
I - Apresenta atuação múltipla, evitando a operação desequilibrada dos equipamentos trifásicos, diferentemente do uso de fusíveis, no qual pode ocorrer a queima de um único elemento.
II - Pode apresentar proteção contra correntes de sobrecarga e curto-circuito.
III - Não apresenta operação repetitiva, isto é, necessita de substituição de componentes internos para ser religado.
Está(ão) correta(s)
Provas
Para detectar defeitos na isolação de equipamentos elétricos, tais como transformadores e motores, podendo determinar o estado do isolamento e seu processo de envelhecimento, é utilizado o equipamento
Provas
Em um pavilhão poliesportivo que possui uma rede elétrica de 220V, são instaladas 10 lâmpadas de 200W cada. No vestiário do pavilhão, constam 5 chuveiros elétricos. As lâmpadas permanecem acesas durante 10 horas por dia, enquanto os chuveiros são utilizados diariamente durante 30 minutos. Sabe-se que a resistência elétrica de cada chuveiro é de 11 Ohms e o custo total de um kWh é de cinquenta centavos (R$ 0,50). Devido ao uso desses equipamentos, ao final de um dia, qual será o valor gasto, em reais, de energia elétrica?
Provas
Para responder à questão leia o texto a seguir.
A tolerância à corrupção no Brasil: uma antinomia
entre normas morais e prática social.
Quando se abre o jornal, é raro não nos defrontarmos com escândalos no mundo político. Casos de malversação de recursos públicos, uso indevido da máquina administrativa, redes de clientelas e tantas outras mazelas configuram uma sensação de mal-estar coletivo, que nos leva a olhar de modo muito cético os rumos que a política, no Brasil, tem tomado. Criam-se, dessa forma, um clamor moral e um clima de caça às bruxas que geram instabilidade e um muro de lamentações e barreiras a projetos de políticas públicas. Contudo, apesar da sucessão de escândalos no Brasil, existe uma sensação de impotência por parte da sociedade; a corrupção é tolerada, e os cidadãos ficam apenas aguardando qual será o próximo escândalo que circulará nos jornais.
Essa sensação de mal-estar coletivo com a corrupção cria concepções de senso comum acerca de uma natural desonestidade do brasileiro.
Um dos traços característitcos do senso comum no Brasil é que o brasileiro típico tem caráter duvidoso e, a princípio , não se nega a levar algum tipo de vantagem no âmbito das relações sociais ordinárias. Por isso, vários indicadores de confiança apontam o Brasil como um país onde a desconfiança impera. Para além do senso comum, esse tipo de leitura da realidade social brasileira converge para termos centrais das interpretações do país, e a produção de conceitos no mundo acadêmico também incorpora esse tipo de visão, sendo o brasileiro típico um cidadão voltado para seus desejos agonísticos, que se expressam em formas sociais como o jeitinho e a malandragem. Culpa-se, sobremaneira, nossa herança histórica deixada pelo mundo ibérico, que teria feito com que o Brasil não conhecesse o processo de racionalização típico do Ocidente e não incorporasse os valores e princípios do mundo protestante, ascético e voltado para uma ética dos deveres e do trabalho.
O projeto de interpretação do Brasil fornecido pela vertente do patrimonialismo tende a tomar esse pressuposto como característica antropológica, alicerçada em visão muitas vezes derivada de outras experiências sociais. Afinal, a herança do patrimonialismo ibérico deixou algumas mazelas na constituição da sociedade brasileira, o que acarretaria projetos de ruptura com o passado.
A prática de corrupção não está relacionada a aspectos do caráter do brasileiro, mas à constituição de normas informais que institucionalizaram certas práticas tidas como moralmente degradantes, mas cotidianamente toleradas. A antinomia entre normas morais e prática social da corrupção no Brasil revela que há uma outra antinomia: a corrupção é explicada, no plano da sociedade brasileira, pelofosso que separa os aspectos morais e valorativos da vida e da cultura política. Isso acarreta uma tolerância à corrupção que está na base da vida democrática pós- 1985.
Fonte: FILGUEIRAS, F. A tolerância à corrupção no Brasil: uma antinomia entre normas morais e prática social. Revista Opinião Pública, Campinas, v. 15, n. 2, nov. 2009. Disponível em: http://www.scielo.br/pdf/op/v/s/n2/05.pdf. Acesso em 30 mai. 2015. (Adaptado)
Em relação à formação de palavras usadas no texto, considere as afirmativas a seguir.
I - As palavras "impotência" e "desonestidade" são formadas pelo processo de derivação prefixal e sufixal, e os prefixos de ambas as palavras denotam negação.
II - A palavra "malandragem" é formada pelo processo de derivação sufixal e significa o resultado da ação de ser malandro.
III - As palavras "sobremaneira" e "antinomia" são formadas pelo processo de composição por justaposição e derivação prefixal, respectivamente.
Está(ão) correta(s)
Provas
Sobre harmônicas nas instalações elétricas, assinale V (verdadeira) ou F (falsa) em cada afirmativa a seguir.
( ) Os multímetros de valor eficaz, também chamados de true rms, não são indicados para utilização em circuitos com harmônicas.
( ) Dentre os vários efeitos provocados pelas harmônicas em circuitos elétricos, encontra-se o efeito pelicular.
( ) Um circuito trifásico equilibrado, conectado em estrela a quatro fios, com uma elevada corrente de terceira harmônica, poderá apresentar uma corrente maior no condutor neutro do que nos condutores de fase.
A sequência correta é
Provas
Observe a figura.

A figura mostra um circuito de uma associação mista de resistores. Se a potência total dissipada no circuito é 2,0 kW, o valor do resistor R é, em ohms, X
Provas
Caderno Container