Foram encontradas 220 questões.
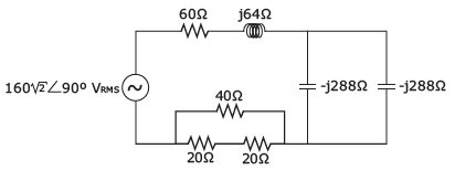
O circuito mostrado na figura a seguir é parte integrante do circuito elétrico de um equipamento hospitalar. Como manutenção preventiva, o fabricante do equipamento orienta que a tensão em cada um dos componentes do circuito seja medida e comparada com o valor de referência a cada 6 meses de uso. Para isso, um técnico em Eletrotécnica realiza a medição de tensão no resistor de !$ 60 \ \Omega !$.

Com base nas informações mostradas na figura, o módulo da tensão RMS nesse resistor é
Provas
O controle de insetos-praga em lavouras de arroz irrigado deve ser realizado de acordo com os fundamentos do Manejo Integrado de Pragas. Para ser eficiente na tomada de decisão de práticas de manejo, o Engenheiro Agrônomo deve saber identificar os principais insetos-praga.
Assinale a alternativa que apresenta os principais insetos-praga que provocam danos nas lavouras de arroz irrigado no sul do Brasil.
Provas
Em relação aos indicadores para avaliação do bem-estar animal, considere as afirmativas a seguir.
I - São alguns indicadores para avaliar o bem-estar animal: comportamentais, fisiológicos, produtivos, reprodutivos e bioquímicos.
II - São exemplos de indicadores comportamentais de bem-estar: higiene pessoal, apetite, perda de peso, postura/agressão, vocalização, expressão facial, temperatura e resposta ao contato.
III - É mais prudente avaliar o bem-estar animal escolhendo apenas um dos grupos de indicadores, o que evitará resultados discrepantes e interpretação subjetiva.
IV - São exemplos de indicadores fisiológicos de bem-estar a pulsação e os batimentos cardíacos.
V - São utilizados como exemplos de indicadores bioquímicos de bem-estar: insulina, corticosteroides, catecolaminas, vasopressina, estrutura celular e prolactina.
Estão correta(s)
Provas
Para responder à questão, leia o texto a seguir.

A UFSM lança, neste mês de junho, a campanha institucional “Transforma o lugar que te transforma”. Iniciativa do projeto Universidade Meio Ambiente (UMA), a campanha é composta por materiais gráficos que orientam a comunidade universitária sobre o uso racional dos recursos, chamando a atenção para a responsabilidade de cada um na sustentabilidade da instituição.
A campanha foi elaborada pela Facos Agência e desdobrada por bolsistas de Comunicação Social e Desenho Industrial do UMA e do Laboratório de Relações Públicas (LARP). Os materiais elaborados trazem dados e orientações sobre o consumo de energia, água e copos plásticos, o uso correto do ar-condicionado, entre outros temas. As peças serão veiculadas no site institucional da UFSM e do UMA, em mídias sociais e murais das unidades universitárias. Os dados da campanha foram obtidos por meio de estudos realizados pelo UMA e pelo Grupo de Eficiência Energética e também de pesquisa desenvolvida pela Universidade Federal de Lavras (UFLA), de Minas Gerais, instituição referência em sustentabilidade e preservação do meio ambiente na América Latina.
Para a coordenadora pedagógica do LARP, professora Carlise Rudnicki, a campanha se apresenta como uma importante ferramenta de conscientização e estímulo ao debate, em que os diversos públicos da Universidade atentam a questões de interesse público e passam a fazer parte dos processos de forma mais crítica. “Temos pensado em ações a partir de estatísticas e informações que tangenciam o cotidiano e que demandam contemplação de todos nós. Sabemos da complexidade de entendermos que somos autores dos acontecimentos e que, a partir de cada um de nós, estudantes e servidores, será possível entender os processos e buscar soluções de forma coletiva”, avalia Carlise.
Fonte: UNIVERSIDADE FEDERAL DE SANTA MARIA. Disponível em: https://www.ufsm.br/2018/06/19/campanha-institucional-busca-conscientizar-
estudantes-e-servidores-para-sustentabilidade-da-universidade-2/. Acesso em: 29 jul. 2019.(Adaptado)
Para responder à questão a seguir, considere o que se destaca a seguir.
Os dados da campanha foram obtidos por meio de estudos realizados pelo UMA e pelo Grupo de Eficiência Energética e também de pesquisa desenvolvida pela Universidade de Lavras (UFLA), de Minas Gerais, instituição referência em sustentabilidade e preservação do meio ambiente na América Latina.
Uma informação sobre a UFLA é acrescentada à sequência frasal após Minas Gerais, o que deixa o leitor mais esclarecido sobre o referente e, argumentativamente, cria uma imagem bastante positiva da universidade mineira. Na organização da frase, essa informação é antecedida de uma vírgula por se tratar de um
Provas
De acordo com as possibilidades de transição para a montagem de uma sequência de imagens, assinale V (verdadeiro) ou F (falso) em cada afirmativa.
( ) A dissolvência é frequentemente utilizada para indicar a passagem de tempo.
( ) O corte é o principal responsável pelo ritmo básico de uma sequência.
( ) O fade é considerado um efeito especial devido ao impacto que produz na transição entre imagens.
( ) O wipe é usado para sinalizar o início (wipe in) ou final (wipe out) definido de uma cena.
A sequência correta é
Provas
Associe os movimentos de operação de uma câmera apresentados na coluna à esquerda com suas respectivas descrições na coluna à direita.
(1) Panorâmica
(2) Panorâmica vertical
(3) Zoom
(4) Push-in e Pull-out (dolly)
(5) Panorâmica de pêndulo
(6) Circulando
( ) Mudar a distância focal da lente.
( ) Movimentar a câmera fisicamente em direção à cena ou para longe dela.
( ) Mover a câmera para cima ou para baixo sob seu próprio eixo, em movimentos retos.
A sequência correta é
Provas
Quanto à constituição e operação dos sensores industriais, assinale a alternativa INCORRETA.
Provas
Os raios X são um tipo de radiação descoberto por Roentgen, em 1895, cuja natureza permaneceu desconhecida até 1912, motivo pelo qual passou a ser chamada por raios X ou raios de Roentgen. Hoje sabemos tratar-se de ondas eletromagnéticas, idênticas às ondas luminosas que diferem pelo comprimento de onda.
É correto afirmar que os raios x
Provas
A simbologia é muito importante em qualquer área do conhecimento, conferindo ordem, padronização e alertando, por meio de sinalização, profissionais e leigos. Com relação aos Brasões da Radiologia e da Radiação, marque a alternativa correta.
Provas
A temperatura é um dos elementos climáticos de maior importância para o crescimento, o desenvolvimento e a produtividade do arroz irrigado. Cada fase fenológica da planta tem suas temperaturas críticas ótima, mínima e máxima (YOSHIDA, 1981). Com base nessa interação planta e ambiente, o(a) é o principal elemento meteorológico que governa o(a) das cultivares atualmente semeadas nas lavouras de arroz irrigado no Rio Grande do Sul e Santa Catarina.
Assinale a alternativa que preenche corretamente as lacunas.
Provas
Caderno Container