Foram encontradas 170 questões.
Um circuito elétrico é composto por uma fonte de tensão alternada V = 10<0° V, que alimenta um resistor de 1 ohm conectado em série com um capacitor cuja reatância capacitiva é Xc = -j 1 ohm.
A tensão presente no capacitor é
Considere: !$ \sqrt{\left(2\right)} !$ = 1,41
Provas
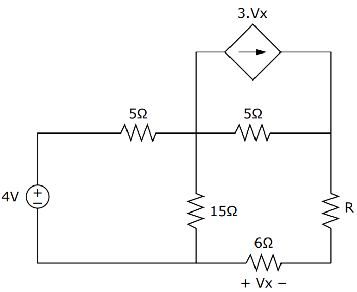
Considere o circuito a seguir.

A tensão equivalente de Thévenin vista pelo resistor R é
Provas
De acordo com o Código de Ética do Conselho Internacional de Museus - ICOM, considere as afirmativas a seguir.
I → Os acervos de remanescentes humanos e de material de caráter sagrado devem ser adquiridos somente se estes puderem ser conservados em segurança e tratados com respeito. Isso deve ser feito de acordo com normas profissionais, resguardando, quando conhecidos, os interesses e crenças da comunidade ou dos grupos religiosos ou étnicos dos quais os objetos se originaram.
II → As pesquisas sobre restos humanos e objetos considerados sagrados devem ser realizadas de acordo com normas profissionais, levando-se em consideração, quando conhecidos, os interesses e as crenças da comunidade e dos grupos étnicos ou religiosos dos quais os bens se originaram.
III → Os restos humanos e objetos considerados sagrados não devem ser expostos, em respeito à dignidade humana e à sacralidade relacionadas aos grupos étnicos ou religiosos dos quais os bens se originaram.
IV → A política do museu deve definir claramente os procedimentos a serem aplicados, e o museu deve responder com diligência, respeito e sensibilidade às solicitações de retirada ou devolução, pela comunidade de origem, de restos humanos ou de objetos considerados sagrados expostos ao público.
Está(ão) correta(s)
Provas
Os sistemas de museus, segundo a Lei nº 11.904, de 14 de janeiro de 2009, possuem alguns propósitos.
Assinale a alternativa que NÃO representa um desses propósitos.
Provas
Em relação ao planejamento de mobiliário específico para exposições, é correto afirmar que
Provas
Em um laboratório de citogenética vegetal, são realizadas análises de cromossomos meióticos. No geral, o material vegetal é coletado e essas análises não são realizadas no momento da coleta. Para isso, é fundamental conhecer os procedimentos adequados desde a coleta até o momento das análises em microscopia.
Sobre os procedimentos e a análise de cromossomos meióticos em plantas, assinale a afirmativa correta.
Provas
O tampão TE 1 X (Tris 10 mM; EDTA 1 mM) é comumente utilizado para eluir e conservar amostras de DNA após a extração. Em geral, o TE é preparado na concentração 10 X e diluído para 1 X antes do uso.
Sabendo que as massas moleculares aproximadas do tris (ou tris-hidroximetil-aminometano) e do EDTA (ácido etilenodiaminotetra-acético) são 121 u e 292 u, respectivamente, para preparar 500 mL de TE 10 X é necessário pesar
Provas
Em relação aos invertebrados, assinale V (verdadeiro) ou F (falso) em cada afirmativa a seguir.
( ) A simetria radial é encontrada em esponjas, cnidários e platelmintos.
( ) Nematódeos, anelídeos e artrópodes apresentam metameria.
( ) Moluscos, nematódeos, anelídeos, artrópodes e equinodermos têm sistemas digestório completos.
( ) O sistema circulatório de artrópodes é aberto.
A sequência correta é
Provas
Para fazer uma preparação de cromossomos mitóticos, com a finalidade de visualizar o cariótipo de uma pessoa, um dos métodos comumente empregados é a cultura de células em estufa a 37 °C, a partir de uma amostra de sangue periférico, por 72 horas. No início do cultivo, adiciona-se a fitohemaglutinina ao meio líquido de cultura e, após a incubação ultrapassar 71 horas, adiciona-se a colchicina.
As funções dessas substâncias na cultura são, respectivamente,
Provas
Um laboratorista precisa preparar uma solução de sulfato de sódio na concentração de 213 g/L. No laboratório onde ele trabalha, não há sulfato de sódio sólido, mas há uma solução 3 M desse sal. Considerando que a massa molecular do sulfato de sódio anidro é 142 u, para preparar 100 mL de solução na concentração de 213 g/L, qual a quantidade da solução 3 M de sulfato de sódio o laboratorista deverá diluir em água?
Provas
Caderno Container