Foram encontradas 40 questões.
Esse é o hino
De quatro em quatro anos, por ocasião das Copas do Mundo, milhões de pessoas pelo planeta afora têm a oportunidade de entrar em contato com uma das melhores realizações que o Brasil já foi capaz de pôr em pé – o Hino Nacional Brasileiro, tocado e transmitido globalmente antes do começo de cada jogo. É sempre um momento de sucesso garantido junto ao público. O time, no campo, pode ir melhor ou pior, mas o hino não falha nunca. Seus primeiros acordes já deixam claro para a plateia presente aos estádios que ela vai ouvir, nos instantes que se seguem, música de primeira qualidade no gênero; dali para frente as coisas só melhoram. Ao se executar a última nota, todos os que prestaram atenção ao que estavam ouvindo ficam com a impressão de ter recebido um brinde inesperado antes do jogo: em vez da monotonia habitual dos hinos nacionais, em geral áridas arrumações de movimentos marciais que têm como característica mais notável o fato de parecerem todas iguais umas às outras, o que se ouve é uma das melodias mais vibrantes, calorosas e inspiradas que se podem escutar numa cerimônia oficial.
Não há momento sequer de tédio no Hino Nacional; tudo ali é energia, emoção, vigor. Com quase 200 anos de vida, a peça composta por Francisco Manuel da Silva em 1822 mantém intactas até hoje todas as qualidades que fizeram dela uma das composições mais bem-sucedidas na história da música brasileira. Escrita originalmente em homenagem à Independência, e oficializada como Hino Nacional Brasileiro após a proclamação da República, a obra de Francisco Manuel tem um longo histórico de aplausos. Louis Gottschalk, o grande compositor americano do século XIX, que morreu no Brasil em 1869 e tinha entre seus admiradores Chopin, Liszt e Berlioz, considerava-a um dos melhores momentos da criação musical de sua época; em sua homenagem, escreveu a celebrada Fantasia Triunfal sobre o Hino Nacional Brasileiro. [...]
Mas e a letra? Já se falou mal o suficiente da letra do Hino Nacional para que se ganhe alguma coisa insistindo no assunto. Sua linguagem, provavelmente, já era antiquada na época em que foi escrita, 101 anos atrás; é confusa, às vezes absurda, e muito pouca gente consegue decorá-la direito, mesmo porque muita pouca gente entende o que ela está dizendo. Mas isso não afeta a melodia nem embaraça o gênio de Francisco Manuel – que, por sinal, já estava morto quase meio século antes de colocarem palavras em sua música. Além do mais, a letra do Hino Nacional nunca causou prejuízo a ninguém – e, francamente, talvez nem seja pior que a média das letras presentes em hinos de outros países, em geral, obcecados por sangue, morte, canhões, tiranias e outros horrores. O mais prático, portanto, é deixar tudo como está, antes que venha a ideia de adotar uma nova letra através de concurso público. Com certeza, teríamos muita saudade, aí, do lábaro estrelado e dos raios fúlgidos.
(GUZZO, J.R. Veja, edição 2170 – ano 43 – nº 25, 23 de junho de 2010.)
Assinale a alternativa em que a alteração da pontuação do fragmento original prejudica o sentido.
Provas
Sobre o LibreOffice Calc 4.0.4 (idioma Português) em sua configuração padrão de instalação, marque V para as afirmativas verdadeiras e F para as falsas.
( ) É o programa padrão no pacote para edição de texto.
( ) A extensão de arquivo padrão das planilhas eletrônicas criadas nele é ODS.
( ) Não permite exportar arquivos que não sejam no seu formato padrão.
( ) É possível editar planilhas eletrônicas do Microsoft Excel no formato XLS.
Assinale a sequência correta.
Provas
- Segurança de RedesSegurança de Redes Sem Fio
- Transmissão de DadosPadrões IEEE 802IEEE 802.11: Wireless LAN
As redes sem fio possuem protocolos de segurança, e os mais comuns são o WEP, WAP e WAP2. Sobre o assunto, assinale a afirmativa INCORRETA.
Provas
A figura abaixo apresenta um texto no Microsoft Word 2007 (idioma português) com um bloco selecionado.

Sobre a figura, marque V para as afirmativas verdadeiras e F para as falsas.
( ) O bloco de texto selecionado possui alinhamento centralizado.
( ) A margem direita utilizada no documento é de 2 cm.
( ) O alinhamento do título (primeira linha do texto) é centralizado.
( ) A margem esquerda utilizada no documento é de 2 cm.
( ) A fonte utilizada no bloco de texto selecionado é Times New Roman, tamanho 12.
Assinale a sequência correta.
Provas
- UniãoExecutivoDecreto 1.171/1994: Código de Ética do Servidor Público Civil do Poder Executivo Federal
O Decreto N.º 1.171/1994 estabelece, nas regras deontológicas, que toda ausência injustificada do servidor de seu local de trabalho é
Provas
Uma máscara de rede é um número de 32 bits usado em um número IP para identificação de redes no protocolo TCP/IP. São fornecidos abaixo dois números IP e duas máscaras de rede:

Com base nos dados apresentados, assinale a afirmativa correta.
Provas
Os critérios para previsão de número de pontos telefônicos em projeto são fixados em função do tipo de edificação e do uso a que se destina, ou seja:
1 - Residência ou Apartamento:
De até 2 quartos – 01 ponto telefônico.
De até 3 quartos – 02 pontos telefônicos.
De 4 ou mais quartos – 03 pontos telefônicos.
2 - Lojas: 01 ponto telefônico/50 m2.
3 - Escritórios: 01 ponto telefônico/10 m2.
4 - Indústrias:
Área de Escritórios: 01 ponto telefônico/10 m2.
Área de Produção: nenhum ou a pedido do proprietário.
Com base nessas informações, serão projetadas as instalações telefônicas de um condomínio formado por quatro prédios iguais, em que cada prédio possui trinta andares, cada andar possui seis apartamentos. Dos seis apartamentos, dois são de dois quartos, sendo um dos quartos uma suíte; e quatro apartamentos possuem dois quartos e mais duas suítes. Faz parte do projeto do condomínio um escritório de 6 m2 para o síndico, e uma guarita, na qual está previsto um ponto telefônico.
Qual o número total de pontos telefônicos que esse condomínio terá no projeto?
Provas
Em muitas redes de computadores, são utilizados servidores DHCP. Sobre o assunto, assinale a afirmativa correta.
Provas
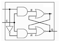
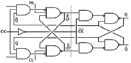
Os flip-flops (FF) são construídos a partir das portas lógicas digitais e possuem diferentes funções na eletrônica digital. Numere as estruturas internas na 1ª coluna de acordo com os nomes dos FF na 2ª coluna.
1 - Flip-Flop RS
2 - Flip-Flop Mestre Escravo
3 - Flip-Flop D
4 - Flip-Flop JK
( )

( )

( )

( )

Assinale a sequência correta.
Provas

Sobre a linguagem usada, assinale V para as afirmativas verdadeiras e F para as falsas.
( ) O pronome nossa estabelece entre leitores e tecnologia uma relação de posse.
( ) O adjetivo encabulado expressa uma característica do personagem que se manifesta nessa charge.
( ) A expressão de olho, empregada no sentido denotativo, explica como o mundo enxerga a nossa tecnologia.
( ) Para criar efeito de ironia nessa charge, o autor estabelece relação semântica de oposição entre tecnologia e o ato de comer com a mão.
Marque a sequência correta.
Provas
Caderno Container