Foram encontradas 480 questões.
Analise a representação gráfica das tensões V1(t) e V2(t) a seguir.

Considere: \( \sqrt{2} = 1,41 \) e \( \sqrt{3} = 1,73 \)
Com relação a essas tensões, está CORRETO afirmar que
Provas
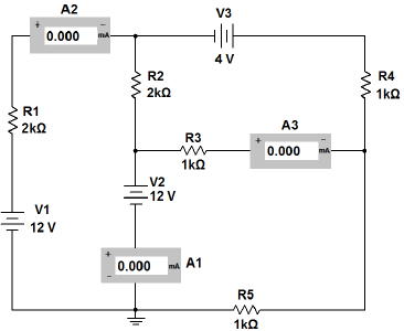
Analise o circuito a seguir.

Assinale a alternativa que apresenta a indicação CORRETA dos três miliamperímetros.
Provas
Analise os passos necessários para elaboração de um relatório técnico, numerando-os de 1 a 6 na ordem correta em que eles devem ocorrer.
( ) Análise das possíveis conclusões.
( ) Classificação dos fatos ou dados.
( ) Levantamento dos fatos ou dados.
( ) Escolha da conclusão pertinente.
( ) Verificação do valor dos fatos ou dados.
( ) Explicação da apreciação realizada.
Assinale a sequência CORRETA.
Provas
Dentre os métodos e ferramentas utilizados na confecção de relatórios para análise técnica-financeira, se encontra o gráfico de Gantt.
Sobre esse gráfico, está CORRETO afirmar que
Provas
Analise esse gráfico elaborado a partir de uma planilha eletrônica.

Com relação à elaboração desse gráfico, está CORRETO afirmar que
Provas
Observe a seguinte figura em que uma página de livro foi elaborada utilizando um editor de texto.

Com relação à realização desse trabalho, está CORRETO afirmar que utilizou o comando
Provas
Observe o micrômetro para medição em milímetros a seguir.

Nesse caso, a leitura CORRETA indicada é igual a
Provas
Observe a figura de um paquímetro a seguir.

Assinale a alternativa que apresenta a leitura CORRETA dessa medida.
Provas
Observe a figura a seguir.

Analise as afirmativas referentes a essa figura, assinalando com V as afirmativas verdadeiras e com F as falsas.
( ) O espaço para o desprendimento do material cortado se faz pelo ângulo de saída.
( ) O rendimento das máquinas operatrizes está associado ao formato da ponta da ferramenta, isto é, do ângulo de saída.
( ) O espaço para evitar que a ferramenta freie ou atrite com a peça em rotação determina o ângulo de folga.
( ) A usinagem de materiais com maior dureza requer um ângulo da cunha maior, ou seja, a ferramenta resiste melhor.
( ) Os três ângulos determinam a função ou a operação que a ferramenta é capaz de realizar.
Assinale a sequência CORRETA.
Provas
Analise as afirmativas relativas às questões ergonômicas dos equipamentos utilizados no processamento eletrônico de dados com terminais de vídeo, assinalando V para as verdadeiras e F para as falsas.
( ) Os terminais devem permitir o ajuste da tela do equipamento à iluminação do ambiente.
( ) O teclado deve ser independente e ter mobilidade, permitindo ao trabalhador ajustá-lo.
( ) Os equipamentos serão posicionados em uma superfície de trabalho com altura fixa.
( ) As distâncias olho-tela, olho-teclado e olho-documento devem ser diferentes entre si.
Assinale a sequência CORRETA.
Provas
Caderno Container