Foram encontradas 440 questões.

Analisando o circuito esquematizado na figura acima, é correto afirmar que esse circuito é um
Provas

O circuito acima pode ser utilizado na seguinte aplicação:
Provas

Sobre a aplicação de amplificadores operacionais representada na figura acima, é correto afirmar que a aplicação é um
Provas

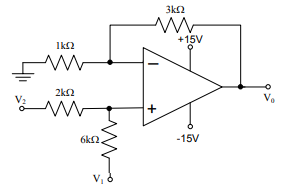
Para o circuito acima, tem-se que V1 = +2 V e V2 = +1 V. Considerando que o AOP é ideal, o valor da tensão de saída V0 será de:
Provas

Para o circuito acima, os valores da tensão de Thévenin, Vth, e da resistência de Thèvenin, Rth, entre os pontos a e b valem, respectivamente,
Provas

O valor da resistência equivalente entre os pontos a e b é igual a
Provas
Qual método deve ser utilizado para calibrar um micrômetro para externos usando blocospadrão?
Provas
Em qual tipo de erro sistemático se enquadra o erro de paralaxe?
Provas

O valor da impedância equivalente vista pela fonte do circuito de corrente alternada mostrado na figura acima é
Provas

A partir da figura acima, assinale a alternativa que apresenta a indicação do micrômetro.
Provas
Caderno Container