Foram encontradas 35 questões.
No nônio da figura abaixo, é indicada a leitura que determina o valor da dimensão ‘d’, destacada em vermelho:

Paquímetro - medida em milímetros
Assinale a alternativa que apresenta CORRETAMENTE a resolução do paquímetro e a dimensão 'd', respectivamente:
Provas
O paquímetro analógico é um dos instrumentos de medição mais comuns e versáteis presentes em oficinas e na indústria em geral. Com ele pode-se medir dimensões externas, internas e profundidades, por exemplo. De acordo com a configuração da escala do nônio, tem-se a leitura da medida com uma certa exatidão. Observe a figura abaixo, que representa um paquímetro aberto para uma dimensão 'd':

Paquímetro - medidas em milímetros
Assinale a alternativa que apresenta CORRETAMENTE a leitura da dimensão ‘d', na posição destacada em vermelho, e a resolução do paquímetro respectivamente:
Provas
Considere o circuito da Figura abaixo.

Circuito elétrico
Assinale a alternativa que apresenta CORRETAMENTE o valor da corrente que passa pelo resistor de 150Ω:
Provas
Considere o circuito do Amplificador Inversor da Figura 1a e do Não Inversor da Figura 1b, onde, para ambos, Rf = 1,2kΩ e R1 = 1kΩ.

Figura 1a) Amplificador Inversor. Figura 1b) Amplificador não inversor.
A alternativa que apresenta CORRETAMENTE o valor de Vo das figuras 1a e 1b, respectivamente, é:
Provas
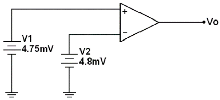
Considere o circuito ilustrado na figura a seguir. O ganho deve ser considerado igual 100.000.

Circuito esquemático
Com base nos dados acima, é CORRETO afirmar que o valor de Vo é:
Provas
Na tela do osciloscópio, como ilustrado na figura abaixo, são mostrados dois sinais, um na forma de uma onda senoidal e outro na forma de uma onda dente de serra. O osciloscópio é ajustado no eixo do tempo, horizontal, para 1/3 ms/div, enquanto a escala de tensão é 2,5V/div.

Tela de um osciloscópio
Em relação à análise dos sinais observados nesse osciloscópio, assinale a afirmativa INCORRETA:
Provas
Observe o circuito ilustrado na figura abaixo. Trata-se de um circuito inversor básico. O ganho de tensão diferencial do circuito inversor é a relação entre a tensão da saída e a tensão de entrada.

Circuito inversor básico
Considerando RF = 10 kΩ e R1 = 1kΩ, assinale a alternativa que apresenta CORRETAMENTE o valor do ganho para este circuito:
Provas
Assinale a alternativa que NÃO apresenta os equipamentos de proteção individual (EPI) que devem ser utilizados na manutenção elétrica de uma máquina ou equipamento:
Provas
Facultativo
Estatuto dos Funcionários, artigo 240: “O dia 28 de outubro será consagrado ao Servidor Público” (com maiúsculas).
Então é feriado, raciocina o escriturário, que, justamente, tem um “programa” na pauta para essas emergências. Não, responde-lhe o governo, que tem o programa de trabalhar; é consagrado, mas não é feriado.
É, não é, e o dia se passou na dureza, sem ponto facultativo. Saberão os groenlandeses o que seja ponto facultativo? (Os brasileiros sabem.) É descanso obrigatório, no duro. João Brandão, o de alma virginal, não entendia assim, e lá um dia em que o Departamento Meteorológico anunciava: “céu azul, praia, ponto facultativo”, não lhe apetecendo a casa nem as atividades lúdicas, deliberou usar de sua “faculdade” de assinar o ponto no Instituto Nacional da Goiaba, que, como é do domínio público, estuda as causas da inexistência dessa matéria-prima na composição das goiabadas.
Hoje deve haver menos gente por lá, conjeturou; ótimo, porque assim trabalho à vontade. Nossas repartições atingiram tal grau de dinamismo e fragor, que chega a ser desejável o não comparecimento de noventa por cento dos funcionários, para que os restantes possam, na calma, produzir um bocadinho. E o inocente João via no ponto facultativo essa virtude de afastar os menos diligentes, ou os mais futebolísticos, que cediam lugar à turma dos “caxias”.
Encontrou cerradas as grandes portas de bronze, ouro e pórfiro, e nenhum sinal de vida nos arredores. Nenhum — a não ser aquele gato que se lambia à sombra de um tinhorão. Era, pela naturalidade da pose, o dono do jardim que orna a fachada do Instituto, mas — sentia-se pela ágata dos olhos — não possuía as chaves do prédioC.
João Brandão tentou forçar as portas, mas as portas mantiveram-se surdas e nada facultativas. Correu a telefonar de uma confeitaria para a residência do chefe, mas o chefe pescava em Mangaratiba, jogava pingue-pongue em Correias, estudava holandês com uma nativa, na Barra da Tijuca; o certo é que o telefone não respondeu. João decidiu-se a penetrar no edifício galgando-lhe a fachada e utilizando a vidraça que os serventes sempre deixam aberta, na previsão de casos como esse, talvez. E começava a fazê-lo, com a teimosia calma dos Brandões, quando um vigia brotou da grama e puxou-o pela perna.
— Desce daí, moço. Então não está vendo que é dia de descansar?
— Perdão, é dia em que se pode ou não descansar, e eu estou com o expediente atrasado.
— Desce — repetiu o outro, com tédio. — Olha que te encanam se você começa a virar macaco pela parede acima.
— Mas, e o senhor por que então está vigiando, se é dia de descanso?
— Estou aqui porque a patroa me escaramuçou, dizendo que não quer vagabundo em casa. Não tenho para onde ir, tá bem?
João Brandão aquiesceu, porque o outro, pelo tom de voz, parecia disposto a tudo, inclusive a trabalhar de braço, a fim de impedir que ele trabalhasse de pena. Era como se o vigia lhe dissesse: “Veja bem, está estragando meu dia. Então não sabe o que quer dizer facultativo?”. João pensava saber, mas nesse momento teve a intuição de que o verdadeiro sentido das palavras não está no dicionário; está na vida, no uso que delas fazemos. Pensou na Constituição e nos milhares de leis que declaram obrigatórias milhares de coisas, e essas coisas, na prática, são facultativas ou inexistentes. Retirou-se, digno, e foi decifrar palavras cruzadas.
(ANDRADE, C. Drummond. Fala amendoeira. São Paulo: Companhia das Letras, 2012. p. 34-35.)
Das alterações processadas em passagens do texto, aquela que está CORRETA quanto à pontuação, segundo a norma culta, é:
Provas
Facultativo
Estatuto dos Funcionários, artigo 240: “O dia 28 de outubro será consagrado ao Servidor Público” (com maiúsculas).
Então é feriado, raciocina o escriturário, que, justamente, tem um “programa” na pauta para essas emergências. Não, responde-lhe o governo, que tem o programa de trabalhar; é consagrado, mas não é feriado.
É, não é, e o dia se passou na dureza, sem ponto facultativo. Saberão os groenlandeses o que seja ponto facultativo? (Os brasileiros sabem.) É descanso obrigatório, no duro. João Brandão, o de alma virginal, não entendia assim, e lá um dia em que o Departamento Meteorológico anunciava: “céu azul, praia, ponto facultativo”, não lhe apetecendo a casa nem as atividades lúdicas, deliberou usar de sua “faculdade” de assinar o ponto no Instituto Nacional da Goiaba, que, como é do domínio público, estuda as causas da inexistência dessa matéria-prima na composição das goiabadas.
Hoje deve haver menos gente por lá, conjeturou; ótimo, porque assim trabalho à vontade. Nossas repartições atingiram tal grau de dinamismo e fragor, que chega a ser desejável o não comparecimento de noventa por cento dos funcionários, para que os restantes possam, na calma, produzir um bocadinho. E o inocente João via no ponto facultativo essa virtude de afastar os menos diligentes, ou os mais futebolísticos, que cediam lugar à turma dos “caxias”.
Encontrou cerradas as grandes portas de bronze, ouro e pórfiro, e nenhum sinal de vida nos arredores. Nenhum — a não ser aquele gato que se lambia à sombra de um tinhorão. Era, pela naturalidade da pose, o dono do jardim que orna a fachada do Instituto, mas — sentia-se pela ágata dos olhos — não possuía as chaves do prédio.
João Brandão tentou forçar as portas, mas as portas mantiveram-se surdas e nada facultativas. Correu a telefonar de uma confeitaria para a residência do chefe, mas o chefe pescava em Mangaratiba, jogava pingue-pongue em Correias, estudava holandês com uma nativa, na Barra da Tijuca; o certo é que o telefone não respondeu. João decidiu-se a penetrar no edifício galgando-lhe a fachada e utilizando a vidraça que os serventes sempre deixam aberta, na previsão de casos como esse, talvez. E começava a fazê-lo, com a teimosia calma dos Brandões, quando um vigia brotou da grama e puxou-o pela perna.
— Desce daí, moço. Então não está vendo que é dia de descansar?
— Perdão, é dia em que se pode ou não descansar, e eu estou com o expediente atrasado.
— Desce — repetiu o outro, com tédio. — Olha que te encanam se você começa a virar macaco pela parede acima.
— Mas, e o senhor por que então está vigiando, se é dia de descanso?
— Estou aqui porque a patroa me escaramuçou, dizendo que não quer vagabundo em casa. Não tenho para onde ir, tá bem?
João Brandão aquiesceu, porque o outro, pelo tom de voz, parecia disposto a tudo, inclusive a trabalhar de braço, a fim de impedir que ele trabalhasse de pena. Era como se o vigia lhe dissesse: “Veja bem, está estragando meu dia. Então não sabe o que quer dizer facultativo?”. João pensava saber, mas nesse momento teve a intuição de que o verdadeiro sentido das palavras não está no dicionário; está na vida, no uso que delas fazemos. Pensou na Constituição e nos milhares de leis que declaram obrigatórias milhares de coisas, e essas coisas, na prática, são facultativas ou inexistentes. Retirou-se, digno, e foi decifrar palavras cruzadas.
(ANDRADE, C. Drummond. Fala amendoeira. São Paulo: Companhia das Letras, 2012. p. 34-35.)
A sentença em que a concordância do adjetivo sublinhado está INCORRETA, com relação à norma culta da língua, é:
Provas
Caderno Container