Foram encontradas 40 questões.
Ligas metálicas podem passar por um processo de endurecimento em função do tempo de armazenamento, quando o tratamento de térmico de solubilização não é adequado, isto é, nem todo o soluto da liga encontra-se em solução sólida. Ensaios mecânicos realizados antes e depois da armazenagem podem indicar que a liga endureceu (aumentou sua resistência mecânica) durante o período em que ficou armazenada. Esse processo é conhecido por envelhecimento natural de ligas, devido à formação de precipitados da ordem de 10,0 nm.
Em relação a esses precipitados, é correto afirmar que eles podem ser identificados por microscopia
Provas

(C. P. dos Santos, A. J. J.esus Santos, A. A. Rabelo, S. L. Valença
e A. J. Santos. O interferômetro de Michelson aplicado a
o ensino de metrologia, 2023)
Considerando a figura, é correto afirmar que o princípio de funcionamento do interferômetro de Michelson tem base
Provas
Na Espectroscopia de Absorção no Infravermelho, os movimentos dos átomos que constituem as moléculas resultam em rotações e vibrações moleculares. Consequentemente, além das transições entre níveis eletrônicos, deve-se levar em consideração as transições devido a rotações e vibrações moleculares. Considerando a figura a seguir:

Assinale a alternativa que indica corretamente os modos de deformações axiais e angulares, considerando que os sinais (x) indicam o movimento para fora do plano do desenho.
Provas
A técnica de espectroscopia na região do infravermelho analisa as vibrações de uma ligação para uma molécula diatômica (AB). O modelo de um oscilador harmônico pode ser aplicado, e a energia vibracional (E) da molécula (AB) é obtida da equação usada para o cálculo da energia de um oscilador harmônico. Como a ordem de ligação nos compostos (C-N, C=N e C≡N) e a eletronegatividade nos compostos (H-F, H-O, H-N e H-C) influenciam no número de onda obtido em cm–1 ?
Provas
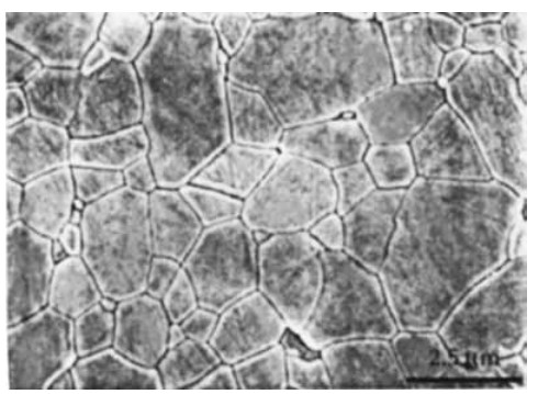
Considerando a figura a seguir, obtida por microscopia eletrônica de varredura (SEM), os grãos, após fratura, lixamento e polimento, foram revelados por ataque térmico.

(Mohamed N. Rahaman. Sintering of Ceramics, 2007)
Utilizando o método dos interceptos:

Sendo: Lt o comprimento total de traços, P o número total de interceptos e M a ampliação.
É correto afirmar que o tamanho médio de grãos (G) é
Provas
Através de um difratograma de raios X, é possível realizar análises qualitativas e quantitativa de uma amostra que está sendo estudada. Qual o procedimento para a identificação das fases presentes e da quantidade dessas fases utilizando um difratograma de raios X?
Provas
A microscopia correlativa (CLEM) é uma técnica que pode ser associada à microscopia eletrônica de varredura (SEM) e de transmissão (TEM).

(https://iopscience.iop.org/article/10.1088/1361-6463/aad055)
Assinale a alternativa que definir corretamente a microscopia correlativa e identifica as associações na figura, considerando que o feixe azul é relativo à luz e o verde aos elétrons.
Provas
A fonte de iluminação do MET, ou canhão eletrônico, é composto normalmente por um filamento de tungstênio em forma de “V”, conforme a figura a seguir, que funciona como um cátodo composto de íons e elétrons livres. Uma alta voltagem (que varia entre 50, 80, 100 e 120 ou mais KV) é aplicada sobre esse filamento, gerando uma corrente que flui através dele e o incandesce, emitindo elétrons. A propriedade de emitir elétrons por aquecimento é comum a todos os metais e chama-se emissão termiônica.

(https://www.scansci.pt/filamento-de-tungstenio-vs-filamento-de-ceb6/)
A relação do comprimento de onda dos elétrons emitidos em função da tensão aplicada é:
Provas
No fenômeno da difração, quando um feixe de raios X é dirigido a um material cristalino, esses raios são difratados pelos planos cristalinos dos átomos ou íons dentro do cristal e podem sofrer interferência. Observe a figura a seguir:

(William D. Callister, David G. Rethwisch,
Materials Science and Engineering, 2014)
Quais são os dois tipos de interferência e qual é a sua ação no comprimento de onda (λ) e na amplitude A após a interferência das duas ondas ilustradas?
Provas
O Refinamento de Rietveld tem diferentes aplicações científicas, tecnológicas e de controle de qualidade nas áreas de determinação de estruturas cristalinas, análise quantitativa de fases, caracterização de materiais (parâmetros de rede, tamanho de cristalitos, deformações etc.), estudo de transições de fase e desenvolvimento de novos materiais.
Assinale a alternativa que apresenta a definição correta para o refinamento Rietveld.
Provas
Caderno Container