Foram encontradas 1.045 questões.
Provas
Provas
Considere o circuito da figura a seguir, em que o voltímetro tem resistência interna de 10 MΩ.

A tensão indicada pelo voltímetro é igual a:
Provas
• Tensão = 220 V • Corrente = 18 A • Potência = 2 970 W
O fator de potência desse equipamento é aproximadamente igual a:
Provas
Um circuito elétrico opera durante um período de 12 horas com o seguinte perfil de potência:

Considerando a operação no intervalo apresentado, a energia consumida pelo circuito elétrico é igual a:
Provas
Considere um circuito contendo uma associação de fontes de tensão conforme apresentado na figura a seguir.

A tensão no ponto A, em relação ao ponto B, é igual a:
Provas
Considere o circuito de corrente contínua apresentado na figura a seguir.

O valor da corrente I no circuito é aproximadamente igual a:
Provas
Considere o circuito de corrente alternada mostrado na figura a seguir.

O valor do módulo do valor eficaz da corrente I é aproximadamente igual a:
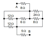
Provas
A resistência equivalente da associação entre os pontos A e B é igual a:
Provas
Provas
Caderno Container