Foram encontradas 50 questões.
Um motor de indução trifásico de 2 polos, 60 Hz, com escorregamento nominal de 5%, aciona um gerador síncrono trifásico de 24 polos por meio de um conjunto de engrenagens, de forma que a velocidade de saída desse conjunto é igual a 2 vezes a velocidade de entrada. A saída desse gerador é conectada à alimentação de uma ferramenta elétrica de alta velocidade equipada com um motor de indução trifásico de 2 polos e escorregamento nominal de 10%.
A velocidade do eixo do motor da ferramenta elétrica, em condições nominais de operação, é de:
Provas
Um gerador de corrente contínua de excitação independente possui os seguintes dados nominais: Potência desenvolvida na armadura = 10 kW; Tensão de armadura em vazio = 250 V; Tensão de armadura em plena carga = 240 V; Corrente de campo nominal = 2,0 A; Resistência do enrolamento de campo = 100 Ω; Velocidade nominal = 1 800 RPM. O circuito de campo é alimentado por uma fonte independente de 200 Vcc.
Se esse gerador for acionado por uma máquina primária a 1 080 RPM, a máxima potência da carga a ser conectada a seus terminais para que a corrente de operação não exceda seu valor nominal será de:
Provas
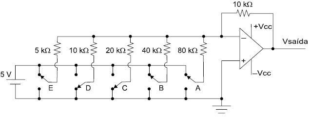
Considere o conversor D-A mostrado na figura a seguir, em que ±Vcc = ± 20 V:

Para a configuração apresentada, com a palavra digital de entrada correspondente à seleção das chaves (0b10011), a tensão de saída do conversor D-A (Vsaída) é igual a:
Provas
O conversor analógico- digital (ADC) é um dos principais elementos para a constituição de sistemas de aquisição de dados. Estes dispositivos têm por objetivo converter sinais analógicos condicionados em dados digitais, para posterior processamento, armazenamento e análise. Das arquiteturas de conversores analógico-digitais apresentadas a seguir, a que possibilita as maiores taxas de aquisição e conversão é a do tipo:
Provas
“Um sistema é considerado estável se, e somente se, para toda excitação limitada, a saída for limitada, ou seja, se |u(t)| < ∞, ∀t, então |Ru(t)| < ∞, ∀t”. Essa é a definição do critério de estabilidade:
Provas
Para sistemas Lineares e Invariantes no Tempo (LTI), pode-se determinar a resposta temporal a uma entrada arbitrária através da superposição de respostas ao impulso deslocadas no tempo. Em sistemas de tempo contínuo, essa superposição é denominada:
Provas
Observe o circuito lógico mostrado na figura a seguir.

A estrutura apresentada é a representação de um:
Provas
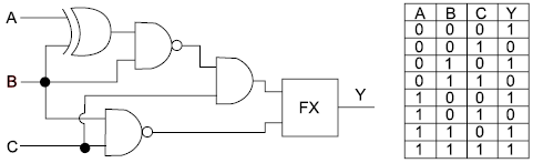
A figura a seguir mostra um circuito lógico e sua respectiva tabela-verdade:

Para os dados de saída mostrados na tabela, a função FX corresponde a um bloco lógico do tipo:
Provas
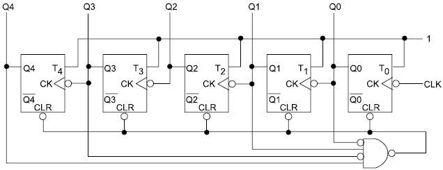
Considere o circuito contador mostrado na figura a seguir:

Sendo Q0 o bit menos significativo e Q4 o bit mais significativo da palavra binária de saída do contador, é possível afirmar que a maior contagem estável obtida em sua saída, em valores decimais, é:
Provas
A figura a seguir mostra uma aplicação de um amplificador operacional:

Considerando que o dispositivo opera na região linear, se a tensão de entrada Ventrada é igual a –1,5 V a tensão de saída (Vsaída) será:
Provas
Caderno Container