Foram encontradas 600 questões.
Em um ponto de uma tubulação de escoamento de água, é instalado um tubo de Venturi conforme mostrado na figura.

(Arquivo pessoal; imagem usada com autorização.)
Para as condições dadas, qual o valor da vazão de água que passa pela tubulação?
Equação de Bernoulli \( p_1 + { \large pv_1^2 \over 2} + pgz_1 = p_2 + { \large pv_2^2 \over 2} + pgz_2 \)
Provas
Os micrômetros são instrumentos de medição com precisão de medição muito elevada e são muito utilizados nas medições de peças.

(Arquivo pessoal; imagem usada com autorização.)
Na figura do micrômetro, o valor da medida indicada é:
Provas
Em instalações industriais de ar comprimido com elevado consumo de ar, o compressor mais indicado é do tipo
Provas
Termopares são muito utilizados nas instalações industriais para medição e controle de temperatura dos processos. Com relação ao princípio de funcionamento dos termopares, é correto afirmar que ele está baseado no fato de o termopar ser feito de
Provas
Em instalações hidráulicas, é comum se fazer a associação de bombas em série e em paralelo. Com relação à vazão total de uma associação em série, é correto afirmar que ela
Provas
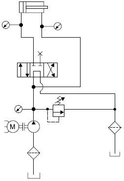
Circuitos hidráulicos, assim como os pneumáticos, são formados pela união de válvulas e de cilindros para o desempenho de funções programadas. Às vezes, são utilizados recursos de ligação das válvulas para melhorar o desempenho do circuito, sem aumentar o número de componentes.

(Arquivo pessoal; imagem usada com autorização.)
Na figura está representado um circuito em que a ligação feita na válvula
Provas
Em sistemas em que ocorre o escoamento de fluidos, é importante conhecer a velocidade do escoamento, que pode ser medida com o tubo de Pitot, instrumento cujo princípio básico de funcionamento é
Provas
O motor elétrico é um equipamento que converte potência elétrica em potência mecânica. Por um motor elétrico de um sistema de levantamento de carga, ligado em 220 V, está passando uma corrente de 6 A e fator de potência igual a 1. Esse motor é utilizado para elevar uma carga de 200 kg com uma velocidade de 0,5 m/s. Sabendo- se que o sistema de levantamento de carga tem um rendimento de 80%, para essa condição de operação, qual o rendimento do motor elétrico? (adotar g = 10 m/s2)
Provas
A ponte de Wheatstone é um esquema de montagem de resistências elétricas que tem a finalidade de descobrir o valor de uma resistência desconhecida. Esse dispositivo é muito utilizado para medições utilizando strain gauges. Na figura é mostrada uma ponte de Wheatstone com os valores das resistências R1, R2 e R4 conhecidos.

(Arquivo pessoal; imagem usada com autorização.)
Determine o valor da resistência R3.
Provas
O ar comprimido fornecido aos equipamentos pneumáticos necessita de tratamento para evitar danificar os equipamentos. Esse tratamento é feito nas unidades de conservação ou de tratamento do ar comprimido, nas quais ocorre o ajuste da
Provas
Caderno Container