Foram encontradas 50 questões.
Em um circuito lógico flip-flop JK é inserido uma sequência de sinais para as entradas J e K,
conjuntamente com um sinal de clock, conforme figura abaixo. Considere que nos patamares altos as
curvas representam o número lógico 1 e nos patamares baixos, representam 0. Inicialmente a saída Q
estava no estado 0.
A partir do instante I, qual é a sequência correta por ciclo de clock para a saída Q?
A partir do instante I, qual é a sequência correta por ciclo de clock para a saída Q?
Provas
Questão presente nas seguintes provas
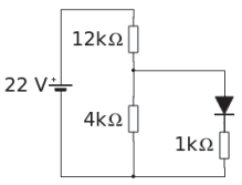
Um circuito de corrente contínua, constituído de uma bateria, três resistores e um diodo, é montado
conforme o diagrama apresentado na figura. O diodo é modelado como um aberto perfeito em sua
polarização reversa e uma ligação fechada com potencial de barreira de 0,7V em sua polarização direta.
Escolha a alternativa correta que indica a corrente que passa pelo resistor de 1kΩ
Escolha a alternativa correta que indica a corrente que passa pelo resistor de 1kΩ
Provas
Questão presente nas seguintes provas
Um circuito alimentado por uma bateria cc de valor U = 16V é composto por resistores R1 = 2kΩ, R2 =
14kΩ e R3 = 6kΩ e um capacitor C = 500mF. O circuito é ligado e deixado em funcionamento durante um
tempo muito longo. O circuito entra então em um estado estacionário.
Após determinar a tensão final no resistor R1 e a carga total no capacitor, quais são seus respectivos valores corretos?
Após determinar a tensão final no resistor R1 e a carga total no capacitor, quais são seus respectivos valores corretos?
Provas
Questão presente nas seguintes provas
Um circuito de corrente alternada é construído com uma fonte de corrente ligada em paralelo a um indutor
L e um resistor R. A função temporal da corrente gerada pela fonte é I(t) = I0 cos (wt), sendo I0 a amplitude
da corrente, w é sua frequência angular e t é o tempo. O diagrama do circuito é apresentado na figura.
Qual é a defasagem da tensão no resistor com relação à corrente na fonte?
Qual é a defasagem da tensão no resistor com relação à corrente na fonte?
Provas
Questão presente nas seguintes provas
Um circuito de corrente contínua é construído com duas baterias de tensões V1 = 8V e V2 = 4V e cinco
resistores com resistências R1 = 1kΩ, R2 = 4kΩ, R3 = 3kΩ, R4 = 1kΩ e R5 = 9kΩ, conforme arranjo
mostrado no diagrama abaixo.
Calcule a tensão elétrica sobre o resistor R5 e assinale a alternativa correta com seu respectivo valor em módulo.
Calcule a tensão elétrica sobre o resistor R5 e assinale a alternativa correta com seu respectivo valor em módulo.
Provas
Questão presente nas seguintes provas
Em um procedimento no laboratório, foi usado um paquímetro de resolução de 0,05mm para medir o
diâmetro de um cilindro metálico. O resultado encontrado foi a referência do nônio posicionada entre a 52a
e a 53a
marcas da escala principal, com a marca 7 do nônio coincidindo com outra marca da escala
principal, conforme apresentado na figura. O fabricante do paquímetro recomenda considerar o erro de
calibração como metade da resolução, arredondado até a mesma ordem de grandeza de sua resolução.
(Fonte: https://www.stefanelli.eng.br/paquimetro-virtual-simulador-milimetro-05/)
Qual é o valor medido pelo paquímetro, acompanhado de sua incerteza instrumental?
(Fonte: https://www.stefanelli.eng.br/paquimetro-virtual-simulador-milimetro-05/)
Qual é o valor medido pelo paquímetro, acompanhado de sua incerteza instrumental?
Provas
Questão presente nas seguintes provas
Em um circuito, dois sinais de tensão foram analisados por um osciloscópio de dois canais. Para fins de
ilustração, o primeiro sinal está representado por “o” e o segundo sinal por “x”.
Assinale a alternativa que apresenta informações INCORRETAS sobre os dados contidos neste gráfico.
Assinale a alternativa que apresenta informações INCORRETAS sobre os dados contidos neste gráfico.
Provas
Questão presente nas seguintes provas
Um estudante montou um circuito em uma protoboard ligando uma bateria de V = 9V a dois resistores de
¼ de potência em série, um de R1 = 5 Ω e outro de R2 = 40 Ω. Um voltímetro foi ligado em paralelo com
R2. Uma chave deslizante foi instalada por questões de segurança. O estudante solicitou ao técnico de
laboratório para verificar o circuito e saber se o mesmo pode ser ligado.
Fonte: https://www.tinkercad.com
Assinale a alternativa que apresenta a resposta mais adequada para este estudante.
Fonte: https://www.tinkercad.com Assinale a alternativa que apresenta a resposta mais adequada para este estudante.
Provas
Questão presente nas seguintes provas
Termopares, também chamados de termoelementos ou sensores termoelétricos são dispositivos
bimetálicos e seu princípio de funcionamento se baseia no efeito Seeback.
Fonte: AGUIRRE, Luis Antonio. Fundamentos de instrumentação. São Paulo: Pearson, 2013.
Assinale a afirmativa INCORRETA a respeito de termopares e das leis que regem seu comportamento.
Fonte: AGUIRRE, Luis Antonio. Fundamentos de instrumentação. São Paulo: Pearson, 2013.
Assinale a afirmativa INCORRETA a respeito de termopares e das leis que regem seu comportamento.
Provas
Questão presente nas seguintes provas
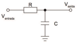
O circuito da figura a seguir possui uma tensão alternada de entrada Ventrada, uma tensão de saída Vsaída,
um resistor R e um capacitor C.
Fonte: FIALHO, Arivelto Bustamante. Instrumentação industrial: conceitos, aplicações e análises. 7. ed. São Paulo:
Erica, 2010
Assinale a opção que apresenta a afirmação CORRETA sobre este circuito.
Fonte: FIALHO, Arivelto Bustamante. Instrumentação industrial: conceitos, aplicações e análises. 7. ed. São Paulo:
Erica, 2010
Assinale a opção que apresenta a afirmação CORRETA sobre este circuito.
Provas
Questão presente nas seguintes provas
Cadernos
Caderno Container