Foram encontradas 50 questões.
Dois resistores estão conectados em paralelo, sendo o primeiro de 240!$ Ω !$ e o segundo de 720!$ Ω !$ , ambos ligados em uma bateria de 12 V.
Se um multímetro for ajustado para a função amperímetro e for devidamente conectado no ramo do resistor de 240!$ Ω !$ , a leitura da corrente no multímetro será, aproximadamente, de:
Provas
Questão presente nas seguintes provas
O esquema representado abaixo é parte da planta baixa de uma residência.

O esquema de ligação citado representa:
Provas
Questão presente nas seguintes provas
Multímetros elétricos são equipamentos capazes de medir diversas grandezas elétricas, de acordo com o ajuste feito pelo operador. Um multímetro digital 3 ½ dígitos (3 valores representados na tela), é utilizado para medir resistores. Sabendo que o mesmo apresenta as escalas 200!$ Ω !$ , 2k!$ Ω !$ , 20k!$ Ω !$ , 200k!$ Ω !$ e 20M!$ Ω !$ , a escala adequada para medir um resistor de 4,7 k!$ Ω !$ com a maior resolução possível seria:
Provas
Questão presente nas seguintes provas
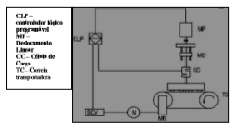
A figura abaixo representa um protótipo de laboratório que simula experimentos de uma correia transportadora com Motor de Indução Trifásico (MIT), carga motriz muito utilizada em indústrias. Assim, NÃO é um tipo de acionamento para o MIT:

Provas
Questão presente nas seguintes provas
Qual o próximo número da sequência 2, 3, 4, 6, 9, 14?
Provas
Questão presente nas seguintes provas
Toda instalação elétrica deve ser dividida em circuitos de modo a alcançar algumas finalidades. Marque a alternativa que NÃO apresenta uma finalidade da divisão da instalação de circuitos:
Provas
Questão presente nas seguintes provas

O arranjo mostrado representa um esquema de aterramento e proteção
Provas
Questão presente nas seguintes provas
O fusível tipo D é bastante utilizado em residências ou indústrias. É indicado para correntes nominais de 2 a 63 A.
O Fusível propriamente dito é um material que se funde quando percorrido por uma corrente:
Provas
Questão presente nas seguintes provas
Se x pertence à união dos conjuntos A e B, podese afirmar que:
Provas
Questão presente nas seguintes provas
Dois resistores estão conectados em paralelo, sendo o primeiro de 240!$ Ω !$ e o segundo de 720!$ Ω !$ , ambos ligados em uma bateria de 12 V.
Nesse caso, a tensão sobre o resistor de 240!$ Ω !$ é de:
Provas
Questão presente nas seguintes provas
Cadernos
Caderno Container