Foram encontradas 50 questões.
O inversor trifásico é um circuito bastante utilizado no acionamento de motores, sendo a sua principal função:
Provas
Questão presente nas seguintes provas
O circuito representado abaixo é uma ponte de Wheatstone. Para que a corrente medida pelo galvanômetro seja nula, o valor ajustado no potenciômetro deve ser:

Provas
Questão presente nas seguintes provas
O esquema representado abaixo é parte da planta baixa de uma residência.

Com base nos eletrodutos mostrados, pode-se afirmar que:
Provas
Questão presente nas seguintes provas
NÃO é elemento de um dispositivo diferencial residual (DR):
Provas
Questão presente nas seguintes provas

As duas cargas conectadas, respectivamente, são:
Provas
Questão presente nas seguintes provas

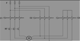
Este esquema elétrico é bastante utilizado no acionamento de motores e pode-se dizer que sua principal função é:
Provas
Questão presente nas seguintes provas

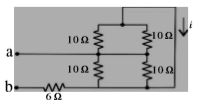
Caso seja conectada uma fonte de tensão de 24 V nos terminais a e b do circuito proposto, o valor da corrente i será, aproximadamente, de:
Provas
Questão presente nas seguintes provas
Considere a situação fictícia abaixo para marcar a opção correta.
O Reitor da Universidade Federal do Amapá, por meio de documento institucional, resolve designar a servidora Cassandra Martins Nunes, matrícula SIAPE 3344567, ocupante do cargo efetivo Assistente em Administração, para exercer a função de Diretora do Departamento de Extensão - DEX, CD-3, da referida universidade.
Para essa legalização da ocupação do cargo destacado acima, o documento a ser emitido pela Reitoria da UNIFAP deverá ser:
Provas
Questão presente nas seguintes provas
A formação do Brasil - LYA LUFT
“A gente quer a sensação não apenas de ser brasileiro, amar este país complicado, e lutar por ele, mas de ter isso reconhecido de uma forma mais clara e melhor”.
Sempre me preocupam posições aleatórias ou radicais, com ou sem fundo ideológico, com respeito à formação étnica e cultural do Brasil (ainda existe realmente o ideológico, ou tudo é jogo do grande partido do PIP, o Partido do Interesse Próprio, que às vezes parece ser o preponderante neste país?). Temos oficialmente o Dia do Índio e o Dia do Negro. Divulgam-se e se promovem programas, disciplinas, mil atividades quase sempre relacionadas ao índio e ao negro. Mais do que justo. O primeiro, porque foi o morador desta terra, quando aqui chegamos e o destruímos. O segundo, porque com seu sangue, sofrimento e trabalho duro construiu parte disso que somos e provou que não somos nada santos, pois tínhamos escravos - como boa parte do mundo tinha, incluindo tribos africanas e povos dos mais variados que, vergonha, opróbrio, escravizavam grupos vencidos em guerras.
Porém, eu gostaria que houvesse mais disciplinas, festejos, ensinamentos, referências aos outros povos e raças que nos fizeram. Os portugueses, italianos, alemães, japoneses, árabes, poloneses, judeus, e tantos mais, sobretudo aqueles que nos povoaram, fizeram crescer, que nos civilizaram e ainda sustentam com suor, trabalho - e às vezes lágrimas - até o dia de hoje. Que nos tornam esse país vasto e, contraditório, problemático, pré-adolescente, que ainda somos - com todos os encantos e disparates que essa fase da vida costuma oferecer.
E gostaria que não só pequenas comunidades em cidades grandes ou no interior comemorassem a cultura de determinados grupos, mas que isso fizesse parte da agenda oficial. Por que não o Dia do Alemão, do Judeu, do Árabe, do Italiano, por exemplo? Do Polonês ou do Português, por exemplo? Pois todos merecem todos contribuem igualmente, todos à sua maneira foram sacrificados, às vezes vilipendiados, não entendidos. Todos sofreram. Meus antepassados, já escrevi isso mais de uma vez, vieram da Alemanha há quase 100 anos, passaram privações inimagináveis em navios, embora não acorrentados.
Foram convocados para povoar, no meu caso, uma região bem aqui no sul do Brasil, onde foram largados de mãos vazias de recursos e ouvidos cheios de promessas não cumpridas. Receberam umas poucas ferramentas, nada mais. Enfrentaram tribos hostis, animais ferozes, natureza e clima estranhos, doenças desconhecidas e isolamento devido ao idioma. As criancinhas morriam em quantidades assustadoras, os doentes eram tratados com chás e orações, pequenos cemitérios cresciam como cogumelos. Aos poucos mandaram buscar mais pessoas, médico, pastor, padre, professor, e foram-se construindo casas, povoados, vilas, hoje florescentes cidades de todos os tamanhos. Apesar das dificuldades da língua, foram se aclimatando, e se consideram tão brasileiros quanto eu, de cinco ou mais gerações nesta terra amada. Isso deve merecer consideração especial.
Escrevo isso como poderia escrever se tivesse antepassados japoneses ou árabes, judeus ou italianos. A gente quer a sensação não apenas de ser brasileiro, amar este país complicado, e lutar por ele, mas de ter isso reconhecido de uma forma mais clara e melhor. Vamos aprender danças e rituais indígenas, comidas e cultos e palavras africanas, mais do que certo: pois somos resultado e mistura de tudo isso. Mas vamos, então, ter outras datas, referências, homenagens e aprendizados mais amplo e mais justos sobre as culturas e etnias que igualmente nos formaram como somos hoje, e vão continuar, cada uma do seu jeito e no seu ritmo, promovendo o país com que tanto sonhamos, onde todos têm hora, voz e vez garantidas e apreciadas.
FONTE: LUFT, Lya. In: VEJA, nº 2264 de 11 de abril de 2012. (Com adaptações).
Com relação aos aspectos semântico-lexicais e a progressão textual, analise o excerto seguinte: “A gente quer a sensação não apenas de ser brasileiro, amar este país complicado, e lutar por ele, mas de ter isso reconhecido de uma forma mais clara e melhor”. Assim, é possível afirmar que:
Provas
Questão presente nas seguintes provas
Os dispositivos de armazenamento externo mais usados atualmente são os pendrives e os HDs externos. Com relação a eles, é correto afirmar que:
Provas
Questão presente nas seguintes provas
Cadernos
Caderno Container