Foram encontradas 295 questões.
TEXTO A (para a questão)
Brasil terá novo ensino médio
Finalmente saiu. A tão debatida e aguardada reforma do ensino médio brasileiro está sendo anunciada agora, em Brasília. Será sacramentada por uma medida provisória, assinada pelo presidente Michel Temer. O texto subverte uma fórmula que leva ao fracasso e, seguido à risca, pode resgatar o Brasil das últimas posições que já se habituou a ocupar nos rankings que comparam jovens estudantes do mundo inteiro. Passa a vigorar imediatamente, mas as redes de ensino e escolas precisarão de tempo para se adaptar. Em 2018, a expectativa é de que já estará tudo diferente.
Primeiro e decisivo ponto positivo: a flexibilização. Hoje, 100% dos jovens fazem o mesmíssimo percurso durante os três anos do ciclo médio. São treze disciplinas obrigatórias ensinadas com idêntica profundidade – ou superficialidade – a estudantes de interesses e capacidades distintas. De acordo com a MP, a grade deixa de ser engessada, permitindo ao aluno escolher a metade das matérias que irá cursar. Isso dentro de cinco áreas mestras: linguagens, matemática, ciências humanas, ciências da natureza e formação técnica profissionalizante.
A outra metade do currículo seguirá igual para todos. O que entra e sai da grade ainda está por definir, provavelmente até janeiro, dentro da Base Nacional Curricular. Mas que vão se enxugar conteúdos não há dúvida. [...]
Segundo e também decisivo ponto da MP: um dos trajetos possíveis ao longo do ensino médio será o curso técnico. Esses estudantes, é bom esclarecer, também cumprirão a ala obrigatória de disciplinas. O impulso para o ensino técnico é mais do que bem-vindo. Modalidade ainda vista no Brasil como de segunda classe, já produziu resultados espetaculares em países como Coreia do Sul, Suíça e Alemanha. Braços especialmente talhados para certos ofícios funcionam como mola para a economia. [...]
RITTO, Cecília. Brasil terá novo ensino médio. Disponível em: <http://veja.abril.com.br/educacao/brasil-tera-novo-ensino-medio/> Veja.com, 22/09/16. Acesso em: 2 nov. 2016.
Com relação às palavras “engessada” e “enxugar”, é correto afirmar que ambas foram empregadas no texto:
Provas
TEXTO A (para a questão)
Brasil terá novo ensino médio
Finalmente saiu. A tão debatida e aguardada reforma do ensino médio brasileiro está sendo anunciada agora, em Brasília. Será sacramentada por uma medida provisória, assinada pelo presidente Michel Temer. O texto subverte uma fórmula que leva ao fracasso e, seguido à risca, pode resgatar o Brasil das últimas posições que já se habituou a ocupar nos rankings que comparam jovens estudantes do mundo inteiro. Passa a vigorar imediatamente, mas as redes de ensino e escolas precisarão de tempo para se adaptar. Em 2018, a expectativa é de que já estará tudo diferente.
Primeiro e decisivo ponto positivo: a flexibilização. Hoje, 100% dos jovens fazem o mesmíssimo percurso durante os três anos do ciclo médio. São treze disciplinas obrigatórias ensinadas com idêntica profundidade – ou superficialidade – a estudantes de interesses e capacidades distintas. De acordo com a MP, a grade deixa de ser engessada, permitindo ao aluno escolher a metade das matérias que irá cursar. Isso dentro de cinco áreas mestras: linguagens, matemática, ciências humanas, ciências da natureza e formação técnica profissionalizante.
A outra metade do currículo seguirá igual para todos. O que entra e sai da grade ainda está por definir, provavelmente até janeiro, dentro da Base Nacional Curricular. Mas que vão se enxugar conteúdos não há dúvida. [...]
Segundo e também decisivo ponto da MP: um dos trajetos possíveis ao longo do ensino médio será o curso técnico. Esses estudantes, é bom esclarecer, também cumprirão a ala obrigatória de disciplinas. O impulso para o ensino técnico é mais do que bem-vindo. Modalidade ainda vista no Brasil como de segunda classe, já produziu resultados espetaculares em países como Coreia do Sul, Suíça e Alemanha. Braços especialmente talhados para certos ofícios funcionam como mola para a economia. [...]
RITTO, Cecília. Brasil terá novo ensino médio. Disponível em: <http://veja.abril.com.br/educacao/brasil-tera-novo-ensino-medio/> Veja.com, 22/09/16. Acesso em: 2 nov. 2016.
A palavra “subverte” poderia ser substituída, sem alteração de sentido, por:
Provas
TEXTO A (para a questão)
Brasil terá novo ensino médio
Finalmente saiu. A tão debatida e aguardada reforma do ensino médio brasileiro está sendo anunciada agora, em Brasília. Será sacramentada por uma medida provisória, assinada pelo presidente Michel Temer. O texto subverte uma fórmula que leva ao fracasso e, seguido à risca, pode resgatar o Brasil das últimas posições que já se habituou a ocupar nos rankings que comparam jovens estudantes do mundo inteiro. Passa a vigorar imediatamente, mas as redes de ensino e escolas precisarão de tempo para se adaptar. Em 2018, a expectativa é de que já estará tudo diferente.
Primeiro e decisivo ponto positivo: a flexibilização. Hoje, 100% dos jovens fazem o mesmíssimo percurso durante os três anos do ciclo médio. São treze disciplinas obrigatórias ensinadas com idêntica profundidade – ou superficialidade – a estudantes de interesses e capacidades distintas. De acordo com a MP, a grade deixa de ser engessada, permitindo ao aluno escolher a metade das matérias que irá cursar. Isso dentro de cinco áreas mestras: linguagens, matemática, ciências humanas, ciências da natureza e formação técnica profissionalizante.
A outra metade do currículo seguirá igual para todos. O que entra e sai da grade ainda está por definir, provavelmente até janeiro, dentro da Base Nacional Curricular. Mas que vão se enxugar conteúdos não há dúvida. [...]
Segundo e também decisivo ponto da MP: um dos trajetos possíveis ao longo do ensino médio será o curso técnico. Esses estudantes, é bom esclarecer, também cumprirão a ala obrigatória de disciplinas. O impulso para o ensino técnico é mais do que bem-vindo. Modalidade ainda vista no Brasil como de segunda classe, já produziu resultados espetaculares em países como Coreia do Sul, Suíça e Alemanha. Braços especialmente talhados para certos ofícios funcionam como mola para a economia. [...]
RITTO, Cecília. Brasil terá novo ensino médio. Disponível em: <http://veja.abril.com.br/educacao/brasil-tera-novo-ensino-medio/> Veja.com, 22/09/16. Acesso em: 2 nov. 2016.
O tema central do texto é:
Provas
Em sistemas trifásicos existem dois tipos de ligações: a ligação Y (ou estrela) e a ligação delta (ou triângulo). De quantas formas diferentes é possível ligar uma fonte a uma carga sendo que ambas estão em um sistema trifásico?
Provas
Entre os dispositivos mais populares para medição, com precisão, de desbalanceamento em ambientes de baixa temperatura e longas distâncias dos pontos de medição, pode-se citar os acelerômetros com sensores piezoelétricos. Entre as características dos acelerômetros com sensores piezoelétricos que tornam vantajoso seu uso na medição do alinhamento/vibração das máquinas, é correto citar, exceto:
Provas
O desalinhamento pode passar despercebido em máquinas rotativas industriais. O que o operador, em geral, percebe são os efeitos secundários do desalinhamento, que lentamente danifica a máquina ao longo de um período. Assinale a alternativa que não apresenta um sintoma comum de desalinhamento.
Provas
Uma das principais funções do lubrificante é reduzir o atrito entre superfícies móveis em todas as condições de pressão e de temperatura e na presença de contaminantes aos quais ele está sujeito. Em relação aos lubrificantes, também é correto afirmar que:
Provas
Um dos parâmetros de seleção de um lubrificante é conhecido como índice de viscosidade, IV, o qual relaciona a variação da viscosidade do óleo com a temperatura e vice-versa. Um óleo com índice IV baixo indica uma grande variação da viscosidade com o aumento da temperatura, já um óleo com índice IV alto indica uma pequena variação na viscosidade com o aumento da temperatura. O índice de viscosidade pode ser calculado por meio da seguinte equação:
\( IV = (\dfrac{L-U}{L-H})*100 \)
Onde:
IV – Índice de viscosidade, adimensional
L – Viscosidade cinemática, em mm2/s, a 40 °C de um óleo de IV = 0 com a mesma viscosidade cinemática a 100
°C que o óleo em análise
H – Viscosidade cinemática, em mm2/s, a 40 °C de um óleo de IV = 100 com a mesma viscosidade cinemática a 100
°C que o óleo em análise
U – Viscosidade cinemática, em mm2/s, a 40 °C do óleo em análise
Sabendo que uma determinada máquina deve operar entre 40°C e 100°C, com várias cargas e velocidades diferentes, selecione o óleo apropriado para que a viscosidade se mantenha aproximadamente constante diante das diferentes condições de operação.
Provas
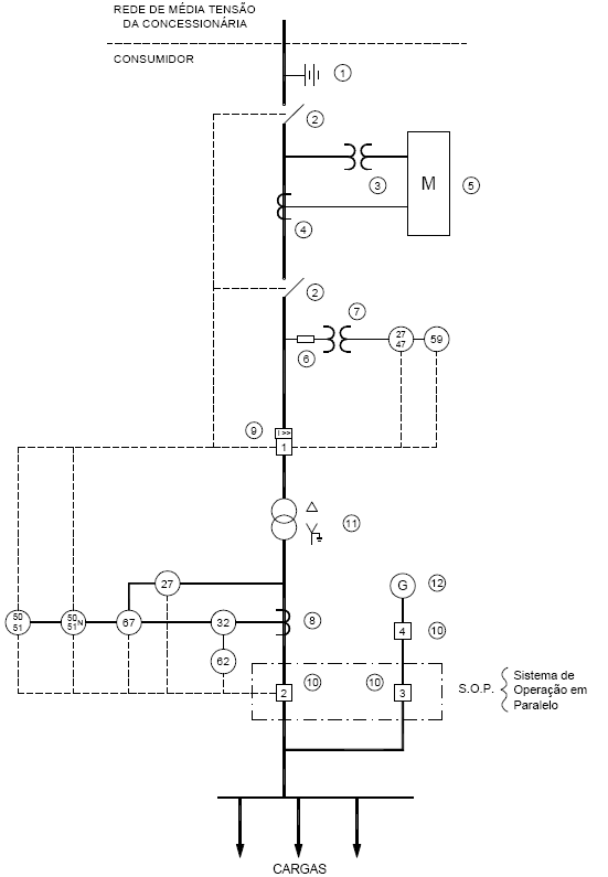
Após analisar o diagrama unifilar apresentado abaixo, identifique quais equipamentos estão representados, respectivamente, pelos símbolos 3 e 4 :

Provas
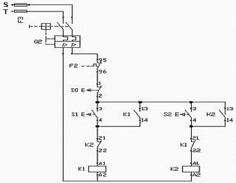
A figura apresentada abaixo mostra o diagrama de comando de uma chave reversora. Se energizarmos a bobina do contator (K1), o motor girará no sentido horário e, se energizarmos a bobina do contator (K2), o motor girará no sentido anti-horário.

Analisando o diagrama, observa-se que o contato de intertravamento elétrico que impede o acionamento do contator (K2), estando o contator (K1) energizado, é:
Provas
Caderno Container