Foram encontradas 40 questões.
A dureza é uma das especificações de materiais aplicáveis em máquinas e equipamentos em geral. Diferentes métodos laboratoriais são usados para determinação da dureza, os quais resultam em diferentes escalas e unidades. Assinale a alternativa que NÃO se refere às escalas e unidades utilizadas na determinação da dureza de um material:
Provas
A manutenção efetuada em intervalos predeterminados, ou de acordo com critérios prescritos, destinada a reduzir a probabilidade de falha ou a degradação do funcionamento de um item, é conhecida como manutenção:
Provas
Em um resistor observou-se o seguinte código de cores:

Trata-se de um resistor de:
Provas
Em projetos de máquinas e equipamentos, o projetista necessita selecionar adequadamente diversos elementos de máquinas, de acordo com suas funções. Assinale a alternativa que apresenta um elemento utilizado para transmitir movimento rotativo de um eixo motor para um eixo movido.
Provas
Os amperímetros são fabricados para trabalharem abaixo de um determinado limite de corrente. Em medições de correntes elétricas cujos valores ultrapassam esses limites, os amperímetros devem ser então utilizados com o auxílio de:
Provas
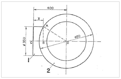
No desenho mecânico apresentado abaixo, a dimensão X pode ser obtida com a expressão:

Provas
Um motor elétrico de indução trifásico, assíncrono, construído com dois polos, está ligado a uma rede elétrica de corrente alternada com frequência de 60 Hz. Sabendo-se que em condições de plena carga este motor apresenta um escorregamento de 2%, sua rotação a plena carga será aproximadamente:
Provas
Considere que em uma instalação de um motor trifásico de corrente alternada com rotor em curto-circuito, o eletricista inverteu a ligação de duas das três fases. Esta ação provocará:
Provas
Em relação aos equipamentos de proteção em circuitos elétricos, identifique as seguintes afirmativas como verdadeiras (V) ou falsas (F):
( ) Quando ocorrem desligamentos frequentes devido a condições de sobrecarga no circuito, recomenda-se a substituição do disjuntor por um outro de maior capacidade.
( ) Em circuitos de alimentação de motores, devem ser usados fusíveis com características de interrupção ultra rápida.
( ) Em circuitos de alimentação de motores, fusíveis combinados com relés térmicos realizam proteção contra correntes de curto-circuito e de sobrecargas.
( ) Os dispositivos DR (diferencial-residual) protegem contra os efeitos nocivos das correntes de fuga à terra, garantindo assim uma proteção eficaz tanto das vidas dos usuários quanto dos equipamentos.
Assinale a alternativa que apresenta a sequência correta, de cima para baixo.
Provas
Em circuitos de alimentação de motores trifásicos de corrente alternada, uma chave operada eletromagneticamente capaz de estabelecer, conduzir e interromper correntes normais do circuito sob carga é chamada de:
Provas
Caderno Container