Foram encontradas 3.180 questões.
Com respeito às características de circuitos trifásicos, julgue os itens seguintes.
A potência média total de um circuito trifásico em equilíbrio pode ser medida somando-se as leituras de apenas dois wattímetros ligados em duas fases distintas do circuito.
Provas
Com respeito às características de circuitos trifásicos, julgue os itens seguintes.
Diferentemente de circuitos monofásicos, nos quais a potência instantânea é sempre pulsante, circuitos trifásicos podem apresentar potência instantânea invariante no tempo. Portanto, o torque desenvolvido no eixo de um motor trifásico pode ser constante, resultando em menos vibração em máquinas acionadas por esses motores.
Provas
Disciplina: TI - Desenvolvimento de Sistemas
Banca: CESPE / CEBRASPE
Orgão: UNIPAMPA
A respeito de linguagens de programação web, julgue o item subsequente.
A execução do trecho HTML a seguir, em um navegador, resultará na abertura da página outra.html em uma nova janela do navegador.
<html>
<body>
<a href="outra.html"
target="_blank">Pagina</a>
</body>
</html>
Provas
Disciplina: TI - Desenvolvimento de Sistemas
Banca: CESPE / CEBRASPE
Orgão: UNIPAMPA
A respeito de linguagens de programação web, julgue o item subsequente.
O trecho de código PHP a seguir define que um arquivo será lido linha a linha.
<?php
$arq=fopen("benvindo.txt","r") or exit("Nao
foi possivel abrir o arquivo!");
while (!feof($arq))
{
echo fgetc($arq);
}
fclose($arq);
?>
Provas
Disciplina: TI - Desenvolvimento de Sistemas
Banca: CESPE / CEBRASPE
Orgão: UNIPAMPA
Julgue o item a seguir, a respeito de tecnologias web.
Existem três formas de incluir uma folha de estilo CSS: em uma folha de estilo externa, em que cada página web deve possuir uma declaração do arquivo CSS na tag <head>; em uma folha de estilo interna, em que os estilos são definidos diretamente no cabeçalho, na tag <head>; diretamente em tags que estejam no corpo (<body>) da página.
Provas
Disciplina: TI - Desenvolvimento de Sistemas
Banca: CESPE / CEBRASPE
Orgão: UNIPAMPA
Julgue o item a seguir, a respeito de tecnologias web.
O trecho de documento XML a seguir está sintaticamente correto.
<?xml version="1.0"?>
<recado id=523>
<para dia =29>Maria</para>
<de>Joana</de>
</recado>
Provas

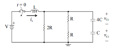
Considere que o circuito ilustrado na figura acima seja mantido com a chave aberta por um tempo suficientemente grande e que, no instante t = 0, a chave seja subitamente fechada, de tal forma que a bateria de tensão igual a V seja conectada ao indutor em associação com os resistores e capacitores. Acerca dessas informações e considerando, ainda, a situação do circuito em regime permanente, julgue os itens a seguir.
A corrente iL que flui pelo indutor é nula.
Provas

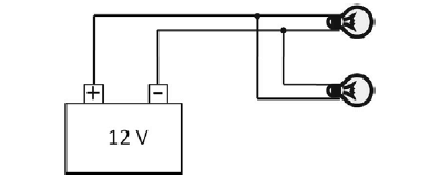
Considerando a figura acima, que ilustra o circuito de alimentação dos faróis de um automóvel, constituído de duas lâmpadas halogênicas idênticas conectadas a uma bateria de 12 V, e admitindo que, em operação normal, as lâmpadas dos faróis possam ser modeladas como resistências ôhmicas, julgue os próximos itens.
Caso um dos faróis queime, a potência dissipada pelo farol em bom estado duplicará de valor.
Provas

Considerando a figura acima, que ilustra o circuito de alimentação dos faróis de um automóvel, constituído de duas lâmpadas halogênicas idênticas conectadas a uma bateria de 12 V, e admitindo que, em operação normal, as lâmpadas dos faróis possam ser modeladas como resistências ôhmicas, julgue os próximos itens.
Se a bateria supre uma corrente de 6 A ao circuito, então a potência elétrica dissipada por cada farol é de 36 W.
Provas
Considerando que uma corrente contínua percorra um fio condutor longo e retilíneo, gerando um campo magnético estático em torno do fio, julgue os itens a seguir.
A orientação do vetor campo magnético, na situação em questão, poderá ser obtida pela regra da mão direita; dessa forma, o polegar apontará para o sentido contrário ao da corrente convencional, ou seja, apontará para o sentido do fluxo de elétrons, e os demais dedos, curvados em torno do polegar, apontarão para o sentido do vetor campo magnético.
Provas
Caderno Container