Foram encontradas 8.143 questões.

A figura acima mostra uma soft-starter ligada dentro do delta de um motor. A relação entre a corrente na soft-starter (ISS) e a corrente total consumida (ITOTAL), sendo ambas em regime permanente, é, aproximadamente,
Provas

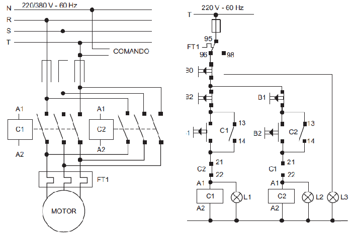
A figura acima representa o
Provas
As colunas abaixo contêm os principais tipos de partidas de motores e algumas das suas características.
TIPO DE PARTIDA
1 – Direta
2 – Chave estrela-triângulo
3 – Chave compensadora
4 – Chave estática
5 – Através de reator
CARACTERÍSTICA
( ) Aumenta a impedância do sistema diminuindo a corrente de partida.
( ) Impede o aumento abrupto de corrente durante a comutação da tensão de partida para a de operação.
( ) Ocorre abrupta elevação da corrente quando da comutação entre a tensão de partida e a tensão de operação, caso não seja corretamente ajustada.
( ) É empregada usualmente em motores que partem sem carga.
( ) Permite ajustar a tensão de partida de modo a atender as características da carga.
A associação correta do tipo de partida com a sua característica, na sequência de cima para baixo, é
Provas

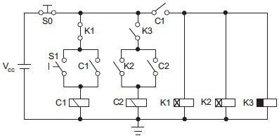
A figura acima apresenta o circuito lógico para o acionamento de duas máquinas trifásicas por intermédio dos contatores C1 e C2. As chaves S0 e S1 são do tipo sem retenção. O ato de acionar uma chave significa apertála e soltá-la em seguida. Os relés K1 e K2 são do tipo com retardo na ligação, programados, respectivamente, para 25 minutos e 15 minutos. O relé K3 é do tipo com retardo no desligamento, programado para 20 minutos. Considere que o operador acionou a chave S0 e, uma hora depois, a chave S1. A partir desse último instante, analise as afirmativas abaixo.
I - A máquina comandada por C1 entrará imediatamente em funcionamento e permanecerá nesse estado por cerca de 45 minutos, quando, então, será desligada.
II - Após 15 minutos, a máquina comandada por C2 será ligada e funcionará por 20 minutos.
III - Após 45 minutos, ambas as máquinas estarão desligadas, encerrando-se o ciclo.
É(São) correta(s) APENAS a(s) afirmativa(s)
Provas
Dispositivos eletrônicos designados de soft starters são utilizados para controlar a tensão/corrente de partida de motores de indução trifásicos. A respeito do soft starter, considere as seguintes afirmativas:
1) O controle de potência em circuitos trifásicos é realizado através de três retificadores controlados de silício-SCR‘s (chaves eletrônicas) os quais são dispostos em montagem antiparalelo. Através da variação do ângulo de disparo dos SCR‘s controla-se a tensão e, por conseguinte, a corrente de partida do motor.
2) A função de by pass é utilizada no soft starter através de um contator disposto em paralelo para desviar a corrente dos SCR‘s e evitar sobreaquecimento dos mesmos.
3) O soft starter pode executar funções tais como: controle de torque, função kick start para partida de cargas com elevado atrito estático, função pump control para controle de sistemas de bombeamento que evita o “golpe de aríete” em bombas e funções de proteção elétrica do motor.
Assinale a alternativa correta.
Provas
Conversores de frequência, comumente chamados “inversores de frequência”, em uma primeira etapa convertem tensão alternada senoidal em tensão contínua e em uma segunda etapa, convertem tensão contínua em tensão alternada senoidal com amplitude e frequência variáveis. Sobre esse tipo de conversor, considere as seguintes afirmativas:
1) Os inversores de frequência, por serem dispositivos dotados geralmente de um circuito retificador a diodos, comportamse como carga não linear gerando harmônicas, sendo necessário o uso de filtros.
2) O acionamento com velocidade variável pode ser obtido através da variação da amplitude da tensão alternada e da frequência aplicada ao motor, utilizando técnicas de modulação por largura de pulso (Pulse width modulation).
3) São aplicados no acionamento com velocidade variável de motores de indução em corrente alternada.
Assinale a alternativa correta.
Provas
Provas
Por não terem torque de partida, os motores de indução monofásicos com dupla tensão de alimentação utilizam capacitores de partida.
Provas
Motores de indução trifásicos utilizam, para partida, dispositivo chave estrela-triângulo a fim de reduzir a corrente de partida. Para isso, o motor precisa ter três terminais de alimentação.
Provas
Motores CC derivação longa são acionados por meio de chaves estrela-triângulo.
Provas
Caderno Container