Foram encontradas 79.522 questões.
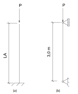
As figuras a seguir apresentam duas colunas metálicas, construídas com aço carbono com módulo de Young de 200 GPa. A coluna (a) possui seção transversal quadrada de lado 0,2m, enquanto a coluna (b) possui seção transversal quadrada de lado 0,1m.

Para que ambas as colunas possuam a mesma carga de instabilidade à compressão axial, o comprimento da coluna (a), LA, deve ser de
Provas
- Arquitetura na Engenharia Civil
- Normas e LegislaçõesNBRsNBR 9.050: Acessibilidade na Construção Civil
Com relação ao último tipo de vaga apresentado, assinale a opção que apresenta um parâmetro a ser respeitado.
Provas
- Arquitetura na Engenharia Civil
- Normas e LegislaçõesNBRsNBR 9.050: Acessibilidade na Construção Civil
Para acessar o novo píer a ser construído pela Prefeitura local na principal praia da cidade, o arquiteto deverá projetar uma rampa, de acordo com a NBR 9050:2020.
Sabendo que a distância entre a calçada da orla e o início do píer é de 12,00m (que corresponderá ao comprimento da projeção horizontal da rampa), e a altura a vencer é de 0,80m, o arquiteto optou por utilizar um único segmento de rampa com a menor inclinação permitida. Para esse caso, o valor aproximado, com até duas casas decimais, será de
Provas
- Arquitetura na Engenharia Civil
- Normas e LegislaçõesNBRsNBR 9.050: Acessibilidade na Construção Civil
Provas
A figura a seguir mostra o desenho de uma poligonal, feito em AutoCad.

Um comando que pode ser utilizado para realizar este desenho é:
Provas
Provas
Assinale a opção que indica a denominação aplicada a três tipos de áreas, na ordem cronológica em que surgem nesse tipo de projeto.
Provas
Provas
I. A Topometria tem por objetivo estudar as formas da superfície terrestre, com base nos resultados dos levantamentos topográficos. II. O modelo Geoidal da superfície terrestre consiste em uma superfície fictícia, definida pelo prolongamento do nível médio dos mares por sobre os continentes. III. A Topografia tem como finalidade mapear pequenas porções da superfície terrestre, enquanto a Geodésia mapeia grandes porções.
Está correto o que se afirma em:
Provas
Provas
Caderno Container