Foram encontradas 41.164 questões.
Analise a figura a seguir:

A figura apresentada corresponde ao transformador de corrente tipo:
Provas
Um motor trifásico possui a seguinte placa de especificações:

A potência elétrica aproximada do motor é:
Provas
Considere o circuito elétrico a seguir:

A impedância aproximada desse circuito é:
Provas
Analise as proposições abaixo, referentes ao item 12.5.2 da NR 12, que trata dos requisitos que os sistemas de segurança devem atender para serem selecionados e instalados:
I.estar sob a responsabilidade técnica de profissional capacitado, mesmo que não seja legalmente habilitado.
II. possuir conformidade técnica com o sistema de comando a que são integrados.
III.instalação de modo que dificulte a sua burla.
IV. manterem-se sob vigilância automática, ou seja, monitoramento, se indicado pela apreciação de risco, de acordo com a categoria de segurança requerida, exceto para dispositivos de segurança exclusivamente mecânicos.
Está correto o que se afirma APENAS em
Provas
Para o projeto de iluminação de uma sala de reuniões, têm-se as seguintes informações: a sala de reuniões é retangular, com 35 m de comprimento e 10 m de largura, o nível de iluminância mantida para as atividades a serem desenvolvidas no local será de 750 lux, o coeficiente de utilização e o fator de manutenção já foram determinados e valem, respectivamente, 0,78 e 0,67, a luminária escolhida possui 4 lâmpadas fluorescentes, cada uma com potência de 32 W e fluxo luminoso de 2750 lumens. Usando o método dos lumens, o número de luminárias necessário para atender às características e exigências de iluminação da sala de reuniões será:
Provas
Considere os seguintes itens, que constam da NBR 5674 - Manutenção de edificações:
- Cronograma físico x financeiro.
- Disponibilidade de recursos humanos.
- Especificações detalhadas dos insumos e materiais.
- Sequência racional e duração das atividades.
Esses itens/requisitos devem ser considerados para
Provas
No Marco Legal da Microgeração e Minigeração Distribuida e Sistema de Compensação de Energia Elétrica, no seu Capítulo I - Disposições Preliminares, Artigo 1a, é definido o conceito de microgeração, que corresponde a uma central geradora de energia elétrica com potência instalada em corrente
Provas
No AutoCAD, os snaps a objeto fornecem uma forma de especificar localizações precisas em objetos sempre que houver a solicitação de inserção de um ponto dentro de um comando, como no desenho a seguir:

Os 4 snaps enumerados são denominados:
Provas
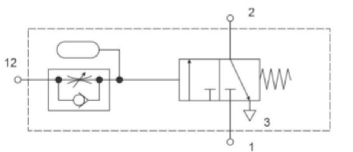
Considere o sistema pneumático a seguir:

A simbologia representa
Provas
A NBR 5419-4 cita que há regras de instalação que são importantes para garantir que a equipotencialização seja eficiente. Dessa forma,
Provas
Caderno Container