Foram encontradas 40.992 questões.
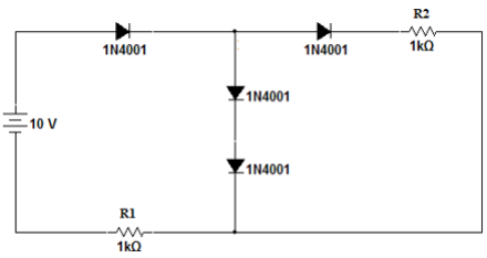
Para o circuito da figura a seguir, considere Vdiodo de 0,7V. As correntes nos resistores R1 e R2 são, respectivamente:

Provas
Conforme norma NBR 5419 para o projeto de SPDA, determine a área da construção do prédio protegida, sabendo que a altura da haste do para-raio Franklin que atende uma residência que requer nível de proteção IV é de 5m. A estrutura total tem 28m de altura e está instalada no topo do prédio, conforme figura abaixo.

Provas
A figura abaixo apresenta um método de medição de potência trifásica utilizando dois wattímetros, cujas leituras são iguais a W1 e W2.

Considerando que a carga trifásica é equilibrada, os valores das potências trifásica ativa e reativa são dados, respectivamente, por
Provas
Um sistema trifásico do tipo estrela-estrela a três fios (neutro da fonte desconectado do neutro da carga), composto de uma fonte simétrica e uma carga desequilibrada, poderá ter como consequência desse desequilíbrio
Provas
Um circuito elétrico composto de uma fonte senoidal, uma reatância indutiva e um resistor possui a relação entre a resistência e a impedância igual a !$ (\sqrt3 /2) !$.
Sendo a potência ativa envolvida nesse circuito igual a 20kW, a potência reativa será de
Provas
Considere o circuito da figura abaixo:

O circuito equivalente final, constituído do Equivalente de Thévenin visto dos terminais de R e do valor do resistor R é composto de uma fonte e um resistor de valores iguais a:
Provas
A figura abaixo apresenta um circuito composto por três baterias e três resistores:

A corrente elétrica I, em ampères, é igual a
Provas
Deseja-se construir um amperímetro para corrente contínua com fundo de escala de 200 A, a partir de um amperímetro digital com fundo de escala de 5 A. Sabendo-se que a resistência interna do instrumento utilizado é de !$ 0,1 \Omega !$, o valor da resistência em derivação (shunt) e sua capacidade de dissipação necessária à obtenção do instrumento pretendido são:
Provas
Especificamente, em trabalhadores de empresas de energia e telecomunicações somente serão consideradas desenergizadas as instalações elétricas liberadas para trabalho, mediante os procedimentos apropriados, obedecida a seqüência abaixo, sendo a primeira medida a(o):
Provas
Qual o subgrupo é composto de unidades consumidoras com tensão de conexão menor que 2,3 kV, a partir de sistema subterrâneo de distribuição?
Provas
Caderno Container