Foram encontradas 41.307 questões.
Em relação a ciências dos materiais, julgue o item a seguir.
O fator de perda dielétrica é dado por k - sen (δ), em que k é a constante dielétrica do material, e δ é o ângulo de perda dielétrica.
Provas
Em relação a ciências dos materiais, julgue o item a seguir.
As ligas de alnico (alumínio, níquel e cobalto) são caracterizadas por um alto produto de energia, alta indução remanescente e coercividade moderada.
Provas
Em relação a ciências dos materiais, julgue o item a seguir.
Os materiais ferroelétricos têm dipolos permanentes, que fazem com que eles se polarizem espontaneamente, mesmo sem um campo elétrico aplicado.
Provas
Considerando que um sistema linear tenha a função de transferência dada por \( G(s)={\large{3 \over s(s+2)}} \), julgue o item a seguir, a respeito de teoria de controle.
O contorno de Nyquist para o sistema linear apresentado é representado corretamente a seguir.

Provas
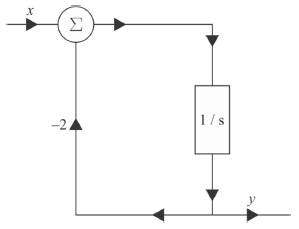
Considerando que um sistema linear tenha a função de transferência dada por \( G(s)={\large{3 \over s(s+2)}} \), julgue o item a seguir, a respeito de teoria de controle.
O diagrama de blocos a seguir representa corretamente o sistema linear em questão.

Provas
Considerando que um sistema linear tenha a função de transferência dada por \( G(s)={\large{3 \over s(s+2)}} \), julgue o item a seguir, a respeito de teoria de controle.
A propriedade da decomposição em sistemas lineares é a combinação das propriedades da homogeneidade e da aditividade.
Provas
- Sistemas Elétricos de PotênciaAnálise de SEPAnálise de Curto-circuitos
- Sistemas Elétricos de PotênciaAnálise de SEPFluxo de Potência, Estabilidade e Regulação
Considerando que um sistema linear tenha a função de transferência dada por \( G(s)={\large{3 \over s(s+2)}} \), julgue o item a seguir, a respeito de teoria de controle.
Na análise de uma transformada Z, é conveniente considerá-la unilateral, uma vez que a transformada bilateral pode não apresentar unicidade da transformada inversa.
Provas
- Eletromagnetismo
- Instalações Elétricas
- Sistemas Elétricos de PotênciaAnálise de SEP
- Sistemas Elétricos de PotênciaDistribuição de Energia Elétrica
No cenário I, a largura de banda do canal limita diretamente a taxa máxima de transmissão de informações; no cenário II, a comutação de pacotes permite o uso eficiente de recursos da rede, sem introduzir o inconveniente de se ter uma latência variável.
Provas
A menor variação de tensão (VLSBV) que pode ser detectada pelo conversor analógico/digital é igual a 1,22 mV.
Provas

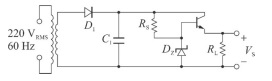
A tensão de saída, VS, sobre o resistor de carta RL, é inferior a 12 V.
Provas
Caderno Container