Foram encontradas 41.139 questões.
Provas
Provas
No circuito abaixo, determine acorrente ix e a tensão vx no resistor de 4Ω:

Provas
I. resistor: é o bipolo para o qual existe uma relação funcional f(v,i,t) = 0 entre a tensão (v) em seus terminais, a corrente (i) que o atravessa e o tempo (t). Se essa relação não depende explicitamente de t, o resistor é dito fixo (invariante no tempo); caso contrário, é variável no tempo;
II. capacitor: é o bipolo capaz de armazenar carga elétrica, de modo que a carga q(t) armazenada no instante t depende apenas da tensão v(t) aplicada aos seus terminais (convenção do receptor);
III. indutor: é o bipolo que pode armazenar energia magnética, associada à corrente que o atravessa;
IV. fonte: é um bipolo passivo cuja tensão e corrente dependem unicamente do elemento conectado aos seus terminais, tendo como função principal armazenar energia elétrica.
Provas
Disciplina: Engenharia Elétrica
Banca: Instituto Seletiva
Orgão: Câm. Angra Reis-RJ
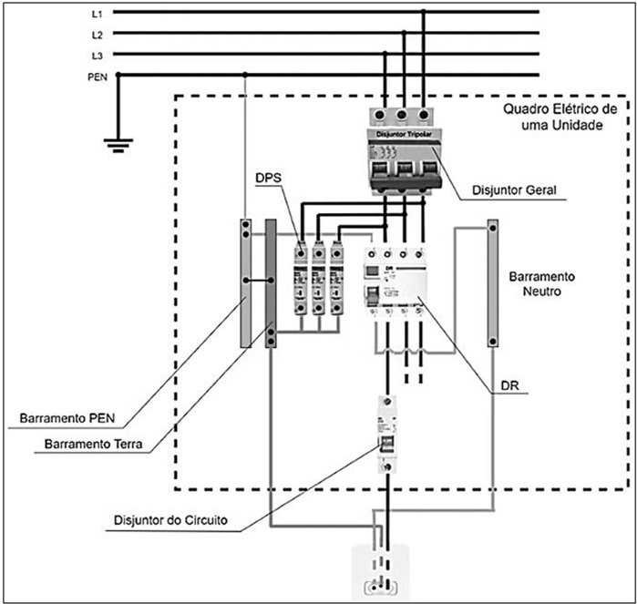
O esquema de aterramento implementado é classificado, conforme a ABNT NBR 5410, como
Provas
Disciplina: Engenharia Elétrica
Banca: Instituto Seletiva
Orgão: Câm. Angra Reis-RJ
Em regime normal, as correntes nos dois condutores possuem o mesmo valor eficaz, mas circulam em sentidos opostos. Em um evento de curto-circuito na carga, a corrente elétrica pode atingir valores de pico instantâneos extremamente elevados (Icc≫Inominal). Nesta situação de sobrecorrente momentânea, assinale a alternativa correta que apresenta o efeito predominante das forças eletromecânicas (Força de Ampère), que atuarão sobre os dois condutores do circuito, e como essa força se manifestará.
Provas
Disciplina: Engenharia Elétrica
Banca: Instituto Seletiva
Orgão: Câm. Angra Reis-RJ
Considere a forma de onda de tensão (V) e corrente (i) a seguir, de uma carga ZL alimentada por uma fonte CA:

Com base no gráfico entre a tensão e a corrente exibidas, assinale a alternativa correta que apresenta a natureza da carga e o seu fator de potência (FP).
Provas
Disciplina: Engenharia Elétrica
Banca: Instituto Seletiva
Orgão: Câm. Angra Reis-RJ
Assinale a alternativa correta que descreve o que acontece com a resistência total dos cabos (Rcabos) e a perda de potência nos cabos (Pperda), se a área da seção transversal (A) de ambos os cabos for dobrada (aumentando a bitola) e a fonte “V” e a carga “Z” permanecerem inalteradas.
Provas
Disciplina: Engenharia Elétrica
Banca: Instituto Seletiva
Orgão: Câm. Angra Reis-RJ
Uma das aplicações práticas mais difundidas para o processamento de energia CC-CC são os conversores de potência. Estes circuitos utilizam componentes como chaves de potência (transistores), indutores, diodos e capacitores para que se possa controlar o fluxo de potência em tensão/corrente contínua, exigidos por aplicações de instrumentação e fontes chaveadas.
Considere o circuito eletrônico de potência composto por uma chave de potência S, um diodo d, um indutor L, um capacitor C alimentando uma carga R, de acordo com o esquemático a seguir:

Sabendo que “v0” é a tensão de saída, “E” a tensão de entrada (fonte) e que “D” representa o ciclo de trabalho de chaveamento aplicado à chave “S”, o ganho estático de tensão do conversor (v0/|E) é corretamente indicado por
Provas
Disciplina: Engenharia Elétrica
Banca: Instituto Seletiva
Orgão: Câm. Angra Reis-RJ
Provas
Caderno Container