Foram encontradas 41.164 questões.
O solo tem uma composição bastante heterogênea, sendo que o valor da sua resistividade pode variar de local para local em função do tipo (argila, calcário, areia, granito, etc.), do nível de umidade (seco, molhado), da profundidade das camadas, da idade de formação geológica, da temperatura, da salinidade e de outros fatores naturais. Para medição de resistividade com grandes espaçamentos, geralmente em terrenos de alta resistividade, da ordem de 3.000 ohm.m ou maior, utiliza-se:
Provas
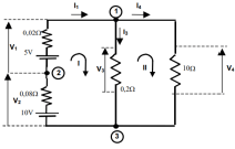
Em um circuito de corrente contínua, uma rede de bipolos é um conjunto de bipolos ligados entre si. Considerando a rede abaixo, pode-se afirmar que a corrente de 49,668A, refere-se a:

Provas
Sobre Circuitos de Corrente Alternada, nas afirmações abaixo, marque "V" se forem verdadeiras e "F" se forem falsas, e em seguida assinale a alternativa com a sequência correta:
( ) Na análise de circuitos alternada, é bastante útil usar o formalismo da impedância complexa, que usa as propriedades das exponenciais imaginárias para simplificar a análise de problemas que envolvem valores (tensões e correntes) que variam senoidalmente. A grande vantagem é que as equações diferenciais lineares transformam-se facilmente em equações ordinárias.
( ) Com o formalismo de impedâncias complexas a análise dos circuitos de corrente contínua. Do mesmo modo que uma combinação de resistores em série e em paralelo pode ser representada por um único resistor equivalente, um circuito contendo uma combinação arbitrária de resistores, indutores e capacitores pode ser representado por uma impedância total Z.
( ) A tensão e a corrente variam periodicamente no tempo, e estão fora de fase por um ângulo de 90º. Entretanto, no caso do circuito puramente indutivo a corrente é atrasada em relação à tensão. Esse resultado pode ser compreendido qualitativamente se lembramos que a força contra eletromotriz no indutor é proporcional a taxa de variação da corrente no tempo (lei de Faraday- Lenz).
Provas
Provas
A maioria das máquinas operatrizes normalmente possui inúmeros componentes elétricos. Conhecer esses componentes e utilizar equipamentos de medição de grandezas elétricas é fundamental para a manutenção dessas máquinas. No circuito abaixo, qual será o valor de intensidade de corrente elétrica apresentado pelo amperímetro?

Provas
A figura abaixo apresenta a ligação de um transformador abaixador com “center TAP” do secundário aterrado. Assinale a alternativa correta.

Provas
Amplificadores operacionais são circuitos integrados capazes de amplificar o sinal de entrada. Sua popularidade de uso se deve à sua versatilidade de projeção para os mais diversos circuitos e à sua operação com valores muito próximos aos previstos teoricamente. Dentre as suas aplicações, estão a realização de operações matemáticas e sua utilização como conversores de tensão-corrente e corrente-tensão.
Seja o circuito com amplificadores na figura a seguir, assinale a alternativa que apresenta os valores corretos de Vo quando R5 for !$ 180 k\Omega !$ e !$ 240 k\Omega !$, respectivamente.
Dados do circuito:
!$ V1=0,5 V, R1=10 \Omega, R2=40 k\Omega, V3=2 V, R3=30 k\Omega \ e \ R4=60 k\Omega. !$

Provas
O equacionamento das Leis de Kirchhoff e sua análise nos possibilitam o cálculo das correntes e das tensões dos componentes de um circuito. Considere o circuito abaixo e assinale a alternativa que apresenta, respectivamente, os valores aproximados de corrente e de tensão no resistor R3 (considere os condutores ideias):

Provas
Um transformador ideal apresenta relação de espiras N1:N2 de 50:500.
Assinale a alternativa que apresenta a tensão no primário se for aplicado 100V no secundário:
Provas
Multímetros são instrumentos muito utilizados em laboratórios de diversas áreas e têm como finalidade a medição de algumas grandezas elétricas como tensão, corrente e resistência. Alguns equipamentos têm, ainda, a capacidade de medir capacitância, frequência e temperatura. Sobre os multímetros é correto o que se afirma em:
Provas
Caderno Container