Foram encontradas 41.103 questões.
Os extensômetros resistivos são sensores empregados em uma série de aplicações que envolvem medições de pressão, força e outras grandezas.
Eles estão associados com um circuito comum na instrumentação, a ponte de Wheatstone, como na figura a seguir:

Considerando que a ponte de Wheatstone se encontra em equilíbrio e o potenciômetro encontra-se ajustado em 270 Ω, assinale a alternativa que indica corretamente a resistência elétrica atual do extensômetro.
Provas
Falhas em equipamentos elétricos frequentemente são ocasionadas por conexões realizadas de forma inadequada.
Assinale a alternativa correta sobre as conexões elétricas em instalações de baixa tensão.
Provas
A segurança de um equipamento ou instalação está diretamente relacionada com o projeto e montagem adequada de isolamentos elétricos.
Para averiguar a resistência de isolamento em um painel de automação, transformador ou motor elétrico, um técnico em automação deve fazer uso preferencialmente de um:
Provas
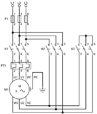
A partida de motores empregando a técnica estrela-triângulo exige correto acionamento dos elementos que compõem o circuito.
A figura a seguir exibe em exemplo de circuito de potência utilizado nesta técnica.

Assinale a alternativa correta com base no diagrama apresentado e nas características da técnica de partida estrela- triângulo.
Provas
No diagrama elétrico a seguir são exibidos os circuitos de potência e de comando de um motor elétrico trifásico.

Assinale a alternativa correta em relação ao funcionamento desse circuito.
Provas
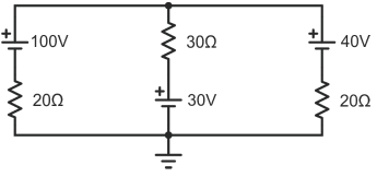
Analise o circuito elétrico a seguir que associa resistores e fontes de tensão contínua.

Assinale a alternativa que indica corretamente o módulo da corrente que atravessa o resistor de 30 Ω.
Provas
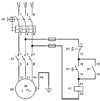
O diagrama elétrico a seguir apresenta um circuito para manobra e proteção de um motor elétrico trifásico.

Assinale a alternativa que identifica corretamente o elemento deste circuito responsável pela proteção contra curto-circuito e sobrecorrente nos enrolamentos do motor.
Provas
Nas instalações elétricas industriais, assim como nas instalações residenciais, são necessários dispositivos de segurança como fusíveis e disjuntores.
Assinale a alternativa correta sobre estes dispositivos de proteção.
Provas
Assinale a alternativa correta sobre a parametrização de inversores de frequência.
Provas
A IEC 61131-3 especifica a sintaxe e a semântica das linguagens de programação para Controladores Lógicos Programáveis (CLP).
Assinale a alternativa que apresenta apenas linguagens definidas pela norma em questão.
Provas
Caderno Container