Foram encontradas 20.559 questões.
3034351
Ano: 2023
Disciplina: Engenharia Eletrônica
Banca: FUNDATEC
Orgão: Pref. Sapucaia Sul-RS
Disciplina: Engenharia Eletrônica
Banca: FUNDATEC
Orgão: Pref. Sapucaia Sul-RS
Provas:
Um transformador de alta tensão típico, de núcleo de ferro, tem as seguintes
especificações: 3 kVA, 2.000/220 V e 60 Hz. As tensões especificadas (2.000 V e 220 V) são as do
primário e do secundário, mas não necessariamente nessa ordem; ou seja, se 2.000 V for a tensão
aplicada ao primário, a tensão no secundário será 220 V, e vice-versa. A potência aparente
especificada para esse transformador é de 3 kVA. Determine a corrente máxima na carga se a tensão
no secundário for 2.000 V (considere o valor com 1 casa decimal).
Provas
Questão presente nas seguintes provas
3034350
Ano: 2023
Disciplina: Engenharia Eletrônica
Banca: FUNDATEC
Orgão: Pref. Sapucaia Sul-RS
Disciplina: Engenharia Eletrônica
Banca: FUNDATEC
Orgão: Pref. Sapucaia Sul-RS
Provas:
Um motor CC de excitação independente 25 kW e 125 V opera com velocidade
constante de 3.000 rpm e uma corrente de campo constante tal que a tensão de armadura em circuito
aberto seja de 125 V. A resistência de armadura é 0,03. Determine a potência eletromagnética quando
a tensão de terminal é de 130 V (considere o valor com 1 casa decimal).
Provas
Questão presente nas seguintes provas
3034349
Ano: 2023
Disciplina: Engenharia Eletrônica
Banca: FUNDATEC
Orgão: Pref. Sapucaia Sul-RS
Disciplina: Engenharia Eletrônica
Banca: FUNDATEC
Orgão: Pref. Sapucaia Sul-RS
Provas:
Considere um motor de 2,5 kW, 220 V e 60 Hz com partida a capacitor. A figura a
seguir apresenta o motor com partida a capacitor e, abaixo, as impedâncias nos enrolamentos
principal e auxiliar (na partida) do motor mencionado:

Zprincipal = 4,5 + j3,7 Ω enrolamento principal
Zauxiliar = 9,5 + j3,5 Ω enrolamento auxiliar
Determine o valor do ângulo de impedância do enrolamento principal (considere o valor com 1 casa decimal).

Zprincipal = 4,5 + j3,7 Ω enrolamento principal
Zauxiliar = 9,5 + j3,5 Ω enrolamento auxiliar
Determine o valor do ângulo de impedância do enrolamento principal (considere o valor com 1 casa decimal).
Provas
Questão presente nas seguintes provas
3034348
Ano: 2023
Disciplina: Engenharia Eletrônica
Banca: FUNDATEC
Orgão: Pref. Sapucaia Sul-RS
Disciplina: Engenharia Eletrônica
Banca: FUNDATEC
Orgão: Pref. Sapucaia Sul-RS
Provas:
Segundo Creder (2016), nas instalações elétricas, são considerados três tipos básicos
de aterramento. Relacione a Coluna 1 à Coluna 2, associando os tipos básicos de aterramento às suas
características.
Coluna 1 1. Aterramento funcional. 2. Aterramento de proteção. 3. Aterramento de trabalho.
Coluna 2 ( ) Trata-se de um aterramento de caráter provisório, que é desfeito tão logo cessa o período de manutenção. ( ) Consiste na ligação à terra de um dos condutores do sistema (geralmente o neutro) e está relacionado à operação correta, segura e confiável da instalação. ( ) Consiste na ligação à terra das massas e dos elementos condutores estranhos à instalação, visando evitar choques elétricos por contato direto.
A ordem correta de preenchimento dos parênteses, de cima para baixo, é:
Coluna 1 1. Aterramento funcional. 2. Aterramento de proteção. 3. Aterramento de trabalho.
Coluna 2 ( ) Trata-se de um aterramento de caráter provisório, que é desfeito tão logo cessa o período de manutenção. ( ) Consiste na ligação à terra de um dos condutores do sistema (geralmente o neutro) e está relacionado à operação correta, segura e confiável da instalação. ( ) Consiste na ligação à terra das massas e dos elementos condutores estranhos à instalação, visando evitar choques elétricos por contato direto.
A ordem correta de preenchimento dos parênteses, de cima para baixo, é:
Provas
Questão presente nas seguintes provas
3034347
Ano: 2023
Disciplina: Engenharia Eletrônica
Banca: FUNDATEC
Orgão: Pref. Sapucaia Sul-RS
Disciplina: Engenharia Eletrônica
Banca: FUNDATEC
Orgão: Pref. Sapucaia Sul-RS
Provas:
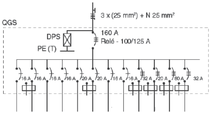
Analise o seguinte diagrama unifilar do circuito de cargas e serviço de um edifício residencial:

A quantidade de saídas trifásicas presentes nesse diagrama é:
Provas
Questão presente nas seguintes provas
3034346
Ano: 2023
Disciplina: Engenharia Eletrônica
Banca: FUNDATEC
Orgão: Pref. Sapucaia Sul-RS
Disciplina: Engenharia Eletrônica
Banca: FUNDATEC
Orgão: Pref. Sapucaia Sul-RS
Provas:
Um transistor tem quatro regiões de operações distintas. Assinale a alternativa que
NÃO corresponde a uma dessas regiões.
Provas
Questão presente nas seguintes provas
3034345
Ano: 2023
Disciplina: Engenharia Eletrônica
Banca: FUNDATEC
Orgão: Pref. Sapucaia Sul-RS
Disciplina: Engenharia Eletrônica
Banca: FUNDATEC
Orgão: Pref. Sapucaia Sul-RS
Provas:
Circuitos constituídos de um diodo, um resistor e um capacitor que desloca uma
forma de onda para um nível CC diferente, sem alterar a aparência do sinal aplicado, são circuitos:
Provas
Questão presente nas seguintes provas
3034344
Ano: 2023
Disciplina: Engenharia Eletrônica
Banca: FUNDATEC
Orgão: Pref. Sapucaia Sul-RS
Disciplina: Engenharia Eletrônica
Banca: FUNDATEC
Orgão: Pref. Sapucaia Sul-RS
Provas:
O amperímetro é um instrumento cuja função consiste em medir corrente elétrica.
Sobre o amperímetro, analise as afirmações abaixo:
1. Deve ser conectado em série com o circuito ao medir a corrente. 2. Se ligarmos um amperímetro em paralelo com um circuito, a corrente será toda desviada pelo instrumento e, em consequência, surgirá um curto-circuito. 3. Considerando duas cargas em série l1 e l2, se o amperímetro for ligado em paralelo com a carga l1 e em série com a carga l2, a corrente que passará pelo instrumento será limitada apenas pela resistência da carga l2. 4. Se o amperímetro for ligado em paralelo com a fonte, este drenará uma corrente muito baixa, que ocasionará um erro de leitura. 5. Esse instrumento tem como principal característica uma alta impedância de entrada.
O resultado da somatória dos números correspondentes às afirmações corretas é:
1. Deve ser conectado em série com o circuito ao medir a corrente. 2. Se ligarmos um amperímetro em paralelo com um circuito, a corrente será toda desviada pelo instrumento e, em consequência, surgirá um curto-circuito. 3. Considerando duas cargas em série l1 e l2, se o amperímetro for ligado em paralelo com a carga l1 e em série com a carga l2, a corrente que passará pelo instrumento será limitada apenas pela resistência da carga l2. 4. Se o amperímetro for ligado em paralelo com a fonte, este drenará uma corrente muito baixa, que ocasionará um erro de leitura. 5. Esse instrumento tem como principal característica uma alta impedância de entrada.
O resultado da somatória dos números correspondentes às afirmações corretas é:
Provas
Questão presente nas seguintes provas
3034343
Ano: 2023
Disciplina: Engenharia Eletrônica
Banca: FUNDATEC
Orgão: Pref. Sapucaia Sul-RS
Disciplina: Engenharia Eletrônica
Banca: FUNDATEC
Orgão: Pref. Sapucaia Sul-RS
Provas:
Em um circuito CA, o número total de watts, volts ampères reativos e volts-ampères
pode ser determinado usando-se o seguinte procedimento:
A potência real total do sistema em watts (PT) é a soma das potências médias fornecidas a todos os ramos (1ª parte). A potência reativa total (QT) é a soma entre as potências reativas das cargas indutivas e a das cargas capacitivas (2ª parte). A potência total aparente é dada por
(3ª parte).
Quais partes estão corretas?
A potência real total do sistema em watts (PT) é a soma das potências médias fornecidas a todos os ramos (1ª parte). A potência reativa total (QT) é a soma entre as potências reativas das cargas indutivas e a das cargas capacitivas (2ª parte). A potência total aparente é dada por
Quais partes estão corretas?
Provas
Questão presente nas seguintes provas
3034342
Ano: 2023
Disciplina: Engenharia Eletrônica
Banca: FUNDATEC
Orgão: Pref. Sapucaia Sul-RS
Disciplina: Engenharia Eletrônica
Banca: FUNDATEC
Orgão: Pref. Sapucaia Sul-RS
Provas:
Circuitos RLC em paralelo têm diversas aplicações, como em projetos de filtros e
redes de comunicação. A figura a seguir apresenta o circuito RLC em paralelo:
Considerando R = 1,923 Ω, L = 1 H e C = 10 mF, determine a resposta de amortecimento.
Considerando R = 1,923 Ω, L = 1 H e C = 10 mF, determine a resposta de amortecimento.
Provas
Questão presente nas seguintes provas
Cadernos
Caderno Container