Foram encontradas 20.445 questões.
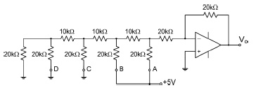
Analise o circuito a seguir, considerando todos os seus componentes como ideais:

Assinale a alternativa que contém o valor mais aproximado de Vo.
Provas
O circuito mostrado a seguir é uma esquematização simplificada de um conversor muito usado em multímetros digitais de baixo custo.

Assinale a alternativa que define a sua principal função.
Provas
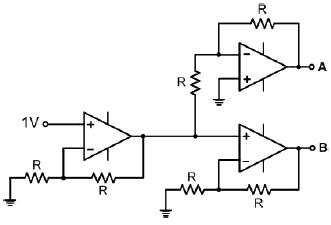
Considere que os componentes do circuito a seguir têm características ideais:

Determine a tensão de saída “VAB”.
Provas
Considere a tabela verdade apresentada a seguir:
|
A |
B | C | D | S |
| 0 | 0 | 0 | 0 | 1 |
| 0 | 0 | 0 | 1 | 0 |
| 0 | 0 | 1 | 0 | 1 |
| 0 | 0 | 1 | 1 | 0 |
| 0 | 1 | 0 | 0 | 0 |
| 0 | 1 | 0 | 1 | 1 |
| 0 | 1 | 1 | 0 | 0 |
| 0 | 1 | 1 | 1 | 1 |
| 1 | 0 | 0 | 0 | 1 |
| 1 | 0 | 0 | 1 | 0 |
| 1 | 0 | 1 | 0 | 1 |
| 1 | 0 | 1 | 1 | 0 |
| 1 | 1 | 0 | 0 | 0 |
| 1 | 1 | 0 | 1 | 1 |
| 1 | 1 | 1 | 0 | 0 |
| 1 | 1 | 1 | 1 | 1 |
É correto afirmar que a saída S, depois de minimizada, necessita para ser implementada de:
Provas
Considerando os diodos ideais no circuito abaixo:

Qual o valor da tensão “VD”?
Provas
Considere os quatro circuitos apresentados a seguir:

É correto afirmar que as configurações apresentadas na sequência I, II, III, IV correspondem, respectivamente, aos filtros:
Provas
Considere o circuito apresentado a seguir.

É correto afirmar que se trata de um:
Provas
As alternativas a seguir apresentam as características que um Amplificador Operacional deve ter, exceto pela alternativa:
Provas
A transformada de Laplace fornece soluções mais diretas às equações diferenciais, além de resolver algumas funções irregulares. Com base no tema a transformada de Laplace de \( f(t)= \sin ω t \) está escrita em:

Provas
Com base no circuito a seguir responda a questão.

Aplicando-se LKC e LKT chegamos ao valor de Vx expresso na alternativa:
Provas
Caderno Container