Foram encontradas 20.456 questões.
Julgue o item a seguir, em relação a instrumentos eletrônicos.
Osciloscópio é um instrumento de medida que apresenta gráficos de um ou mais sinais elétricos (de acordo com a quantidade de canais de entrada) em duas dimensões: o eixo vertical da tela representa a frequência do sinal; já o eixo horizontal, a amplitude do sinal, tornando o instrumento útil para mostrar sinais periódicos.
Provas
Julgue o item a seguir, em relação a instrumentos eletrônicos.
Frequencímetros eletromecânicos são usados para medir a baixa frequência da rede elétrica, e se compõem de barras de ferro-doce, que vibram em determinadas frequências de ressonância.
Provas
Julgue o item a seguir, em relação a instrumentos eletrônicos.
Os frequencímetros digitais fazem uso de uma base de tempo precisa (um cristal de quartzo) e de circuitos contadores digitais para realizar a medição da frequência, sendo muito utilizados em laboratórios de eletrônica e medição em campo. A resolução do sinal pode ser melhorada por técnicas como oversampling e averaging.
Provas
Julgue o item a seguir, em relação a instrumentos eletrônicos.
Alguns frequencímetros também podem medir a amplitude e o período do sinal que está sendo avaliado, na escala de segundo, milissegundo, microssegundo ou nanossegundo.
Provas
Julgue o item a seguir, em relação a instrumentos eletrônicos.
Frequencímetro é um instrumento utilizado para medição da frequência de um sinal periódico. Um frequencímetro digital, em geral, possui um mostrador que pode ser de cristal líquido ou de LED, informando a frequência medida em Hz, kHz, MHz ou GHz, conforme a escala utilizada.
Provas
Julgue o item a seguir, em relação a instrumentos eletrônicos.
Um gerador de funções deve ser capaz de gerar sinais senoidais, triangulares, quadrados, dente-de-serra, com sweep (varredura), frequência variável, em diversas frequências e amplitudes. Normalmente, ele possui um frequencímetro acoplado e diversos botões de ajuste e seleção, além de conectores para saída do sinal.
Provas
Julgue o item a seguir, em relação a instrumentos eletrônicos.
Amperímetro é um instrumento de medida que deve apresentar o maior valor possível de resistência interna, a fim de que o instrumento interfira minimamente no circuito sob inspeção. Um amperímetro ideal tem resistência interna que equivale a um circuito aberto.
Provas
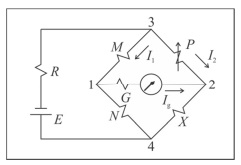
Acerca de instrumentos indicadores eletromecânicos, julgue o item que se segue.
Na ponte de Wheatstone a seguir, a condição de zero no ramo central será obtida quando os parâmetros da rede forem tais que a corrente Ig seja igual a 0, de modo que a tensão entre os pontos 1 e 2 é nula. Na condição de equilíbrio, os produtos entre os resistores opostos deverão ser iguais, quaisquer que sejam os valores de E, R e G.

Provas
Acerca de instrumentos indicadores eletromecânicos, julgue o item que se segue.
A disposição em ponte, empregada em vários instrumentos de medida, é utilizada para medir parâmetros em circuitos, mas também se aplica como instrumento seletor sensível, instrumento de controle e filtros.
Provas
Acerca de instrumentos indicadores eletromecânicos, julgue o item que se segue.
O método que utiliza ponte para determinar resistências, indutâncias ou capacitâncias é basicamente um método de zero. Entre as pontes mais utilizadas estão as de Wheatstone, de Owen, de Schering, de Maxwell e de Anderson, sendo a ponte de Wheatstone a mais difundida.
Provas
Caderno Container