Foram encontradas 20.559 questões.

Provas

Provas
Provas

Provas

Provas
Em relação à teoria dos semicondutores, considere as afirmações a seguir.
I → Um material semicondutor que sofreu o processo de dopagem é chamado de material extrínseco.
II → Elétrons livres no material semicondutor, devido somente aos fatores naturais, são chamados de portadores intrínsecos.
III → Materiais semicondutores como o germânio e o silício tendem a apresentar coeficientes de temperatura positivos.
IV → Um semicondutor com excesso de elétrons é denominado semicondutor do tipo N, ao passo que o material com excesso de lacunas é denominado semicondutor do tipo P.
Está(ão) correta(s)
Provas
Observe a figura.

Uma das linguagens de programação de controladores lógicos programáveis (CLP) mais utilizadas na indústria é a linguagem Ladder. O diagrama Ladder mostrado na figura utiliza três entradas digitais (X0, X1 e X2), três saídas digitais (Y0, Y1, Y2) e uma função de memória (M1).
Com relação ao diagrama Ladder apresentado na figura, é correto afirmar:
Provas

Para que esses diagramas sejam equivalentes, A e B devem ser iguais a:
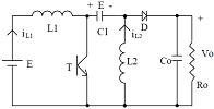
Provas

Esse conversor é do tipo:
Provas

A saída desse circuito é:
Provas
Caderno Container