Foram encontradas 20.455 questões.
O número 78 está expresso no sistema decimal. Qual das alternativas mostra a representação do mesmo número no sistema binário?
Provas

Provas
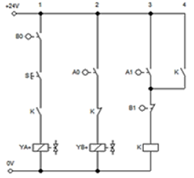
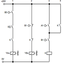
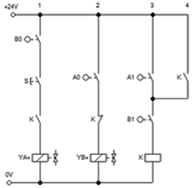
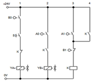
Assinale a assertiva verdadeira:
Provas
Provas
Analise o circuito digital abaixo.

A partir das informações do circuito, é correto afirmar que o sinal (SIN) estará disponível continuamente na saída (S)
Provas

Provas

Provas
Considerando um circuito RLC formado por um resistor, um indutor e um capacitor associados em série, sendo a associação submetida a uma fonte de tensão alternada V (volts), fazem-se as afirmativas:
I - Na frequência de ressonância do circuito RLC em série, ele é puramente resistivo, e a oposição à passagem da corrente é máxima.
II - Para o circuito RLC em série, abaixo da frequência de ressonância, a impedância é capacitiva (XC > XL ), e a corrente está adiantada em relação à tensão aplicada.
III - Pode-se determinar a frequência fo de ressonância do circuito a partir da igualdade XL = XC , obtendo-se, assim, a equação !$ f_o = { \large 1 \over 2\pi \sqrt {X_L ⋅ X_C}} !$.
Está(ão) correta(s)
Provas
Provas
O Decibel (dB) é uma unidade logarítmica que indica a proporção de uma quantidade física (geralmente energia ou intensidade) em relação a um nível de referência especificado ou implícito. Um decibel é um décimo de um bel.
Por definição, a potência em dB é igual a 10 vezes o logaritmo decimal da relação de duas potências. Uma potência P pode ser expressa em decibéis pela equação:
!$ P_{dB} = 10log_{10} \left ( { \large P \over P_0}\right) !$
P0 = Potências de Referência.
Em relação à equação, analise as afirmativas.
I - Se PdB é 3 dB, então P é o dobro de P0.
II - Se PdB é 10 dB, então P é 10 vezes maior que P0.
III - Se PdB é -10 dB, então P é 1 vez menor que P0.
IV - Se PdB é -20 dB, então P é 40 vezes maior que P0.
Estão corretas as afirmativas
Provas
Caderno Container