Foram encontradas 6.381 questões.
Acerca dos equipamentos e métodos de medições e ajustes de parâmetros técnicos de sistemas de comunicação, julgue os itens a seguir.

Provas
Acerca dos equipamentos e métodos de medições e ajustes de parâmetros técnicos de sistemas de comunicação, julgue os itens a seguir.
Um transmissor digital deve ter uma resposta em potência mais linear que a resposta em potência de um transmissor analógico. Serve de exemplo o sistema de modulação 16-AM, que tem componentes de amplitude e fase e, caso os amplificadores não apresentem linearidade, pode ocorrer degradação da taxa de erro de bits. Quanto maior for a quantidade de bits por símbolo em sistemas QAM, maior deverá ser a linearidade do transmissor, para determinados requisitos de qualidade.
Provas

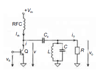
A figura acima ilustra uma topologia básica de amplificadores de sinais de RF de classes A, AB, B e C. Considerando que o circuito apresentado na figura seja excitado por um sinal de RF senoidal, para quaisquer classes de operação, julgue os itens seguintes.

Provas

A figura acima ilustra uma topologia básica de amplificadores de sinais de RF de classes A, AB, B e C. Considerando que o circuito apresentado na figura seja excitado por um sinal de RF senoidal, para quaisquer classes de operação, julgue os itens seguintes.
A função do capacitor Cd é a supressão de harmônicos gerados no processo de amplificação do transistor.
Provas

A figura acima ilustra uma topologia básica de amplificadores de sinais de RF de classes A, AB, B e C. Considerando que o circuito apresentado na figura seja excitado por um sinal de RF senoidal, para quaisquer classes de operação, julgue os itens seguintes.
Amplificadores de RF de classe A têm ângulo de condução igual a 360o. Como o dispositivo opera, em sua região ativa, em todo o ciclo do sinal de RF de entrada, seu comportamento é mais linear que nãolinear, ou seja, a supressão de espúrios de freqüências harmônicas gerados nesse tipo de amplificador é de importância secundária para o projeto do circuito mostrado.
Provas
Acerca de conceitos de sistemas de comunicação digital, julgue os itens subseqüentes.
Considere que um sistema de comunicação utilize codificador de fonte que empregue como sinalização duas voltagens de ±5 volts, para transmitir mensagens digitais na forma binária, na presença de ruído aditivo gaussiano de valor rms igual a 1 volt. Nessa situação, para minimizar a probabilidade de erro de bit, se as duas voltagens do sinal de sinalização forem igualmente prováveis, então o limiar de decisão do receptor, em volts, deve ser zero.
Provas
Acerca de conceitos de sistemas de comunicação digital, julgue os itens subseqüentes.
Considere que um sinal seja transmitido através de uma fibra óptica, usando-se um codificador de canal com taxa de codificação de 8/10 . Nesse caso, se a taxa de bits antes do codificador é igual a 2 Gbps, então, a taxa de bits na fibra é igual a 2,5 Gbps.
Provas
Acerca de conceitos de sistemas de comunicação digital, julgue os itens subseqüentes.
Um receptor projetado para detectar um sinal PSK (phase-shift keying) pode, igualmente, detectar um sinal FSK (frequency-shift keying).
Provas
Acerca de conceitos de sistemas de comunicação digital, julgue os itens subseqüentes.

Provas

No enlace descrito no texto e na figura, é mais provável a ocorrência de desvanecimento devido a precipitações que de desvanecimento seletivo em freqüência.
Provas
Caderno Container