Foram encontradas 29.717 questões.
Um objeto de massa M é conectado a uma das extremidades de uma mola de constante elástica K. A outra extremidade da mola é presa a um suporte vertical fixo, e então o objeto começa a oscilar, executando um movimento harmônico simples, livre de atrito. Adotando o ponto em torno do qual o objeto oscila como a origem do sistema de coordenadas, a posição ocupada pelo mesmo muda com o tempo t, de acordo com o gráfico apresentado.

Com base nos conhecimentos sobre o movimento harmônico simples e nas informações apresentadas, é correto afirmar que
Provas

A Análise de Bioimpedância é uma resposta de qualquer amostra biológica à aplicação de uma corrente elétrica de excitação. Dentre as áreas de aplicação, pode-se destacar a medição da composição corporal. O interesse em medir a quantidade dos diferentes componentes do corpo humano surgiu pela correlação com doenças ligadas ao excesso de gordura corporal, como a hipertensão e a diabetes tipo II.
Disponível em: <https://www.udesc.br/arquivos>. Acesso em: ago. 2019.
Um terminal de um dispositivo está conectado a uma das mãos de um paciente, e o outro terminal a um dos pés, conforme a figura. Ao fixar uma diferença de potencial constante nos terminais do dispositivo, V = 1,8 Volts, o corpo do paciente é atravessado por uma corrente de intensidade 500,0!$ \mu !$A.
Desprezando a resistência elétrica do dispositivo e considerando que os braços e as pernas oferecem, cada um, uma resistência R e o tronco 4R, ao serem atravessados pela corrente, o valor de R, em ohms, é
Provas
Pela primeira vez na história chinesa, uma cirurgia complexa foi feita de maneira totalmente remota, com o auxílio de tecnologia nacional e conexão 5G.
A operação foi realizada por um cirurgião do Primeiro Centro Médico, em Zhejiang, a uma distância de três mil quilômetros do paciente, que sofre com o mal de Parkinson. O procedimento consistia na implantação de um chip diretamente no cérebro do paciente a fim de realizar uma série de estímulos para reduzir os sintomas do mal de Parkinson, além de monitorar o avanço da doença e traçar um histórico médico completo para melhor tratar a enfermidade.
Disponível em: <https://www.terra.com.br/noticias>. Acesso em: ago. 2019.
Admitindo-se que a informação do comando do cirurgião viaja a uma velocidade escalar média de 3,0.108m/s até o equipamento que realiza a operação, é possível estimar que o atraso mínimo entre o comando do cirurgião e a execução de um procedim ento é de:
Provas
A figura seguinte ilustra uma partícula q, carregada positivamente, lançada com velocidade !$ \vec{v} !$ perpendicularmente às linhas do campo magnético uniforme !$ \vec{B} !$ , que penetra no plano da folha de papel com sentido e direção mostrados na figura.

Considerando as informações e a figura apresentadas anteriormente, julgue o item seguinte.
A direção e o sentido da força magnética !$ \vec{F} !$ que atua na partícula estão corretamente representados na figura a seguir.

Provas
Em um parque de diversões, para descer de uma altura H igual a 5 m, as crianças têm as opções mostradas na figura a seguir.

Considerando a aceleração da gravidade igual a 10 m/s2 e desprezando todas as forças externas que atuam em todas as situações, inclusive a força de atrito, julgue o item que se segue.
Uma criança de 30 kg que descer pela rampa, partindo do repouso, chegará ao solo com uma velocidade superior a 9 m/s.
Provas
Em um parque de diversões, para descer de uma altura H igual a 5 m, as crianças têm as opções mostradas na figura a seguir.

Considerando a aceleração da gravidade igual a 10 m/s2 e desprezando todas as forças externas que atuam em todas as situações, inclusive a força de atrito, julgue o item que se segue.
A criança ilustrada na figura precedente realiza um trabalho maior na opção III, devido ao seu peso.
Provas
Uma caneca termicamente isolada e de capacidade térmica desprezível contém 400 g de café coado a uma temperatura de 80 °C. Foram colocados nessa caneca 60 g de gelo a 0 °C, conforme a ilustração a seguir.

Considerando que o calor específico do café coado seja igual a 1,0 cal/g °C, que o calor latente de fusão do gelo seja igual a 80 cal/g e que o calor específico da água seja igual a 1,0 cal/g °C, julgue o seguinte item.
A temperatura final de equilíbrio é inferior a 60 °C.
Provas
Em uma manifestação pelos direitos humanos, um estudante segurava o cartaz mostrado na figura a seguir.

Considerando esse cartaz e as propriedades de reflexão em espelhos, julgue o próximo item.
Se o estudante, segurando o cartaz, se colocasse em frente de um espelho plano vertical, veria a seguinte imagem.

Provas
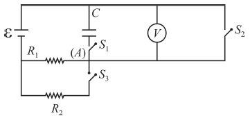
O circuito seguinte é constituído de uma fonte com força eletromotriz ε = 20 V, dois resistores R1 = R2 = 100 Ω, um capacitor C, um voltímetro V, um amperímetro A e três chaves — S1, S2 e S3.

Considerando que todos os elementos do circuito sejam ideais, julgue o item que se segue.
Se as chaves S1, S2 e S3 forem fechadas e o capacitor estiver totalmente carregado, a corrente registrada pelo amperímetro será igual a zero.
Provas
O circuito seguinte é constituído de uma fonte com força eletromotriz ε = 20 V, dois resistores R1 = R2 = 100 Ω, um capacitor C, um voltímetro V, um amperímetro A e três chaves — S1, S2 e S3.

Considerando que todos os elementos do circuito sejam ideais, julgue o item que se segue.
Caso a chave S2 seja fechada e as demais chaves sejam mantidas abertas, o voltímetro registrará uma diferença de potencial igual a zero.
Provas
Caderno Container