Foram encontradas 355 questões.
A vazão em uma planta deve ser mantida a 5 kg/s, o que corresponde a, aproximadamente,
Provas
Questão presente nas seguintes provas

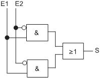
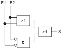
O diagrama lógico correspondente à tabela verdade representada acima é
Provas
Questão presente nas seguintes provas
Os parâmetros de tolerância geométrica - circularidade, concentricidade e paralelismo - correspondem, respectivamente, às características de
Provas
Questão presente nas seguintes provas

Segundo a norma ISA 5.1, a Figura acima deve ser utilizada para representar uma válvula
Provas
Questão presente nas seguintes provas
Em instalações industriais, as tubulações para ar comprimido devem ser pintadas na cor
Provas
Questão presente nas seguintes provas
Considere as etapas presentes no processo de purificação de água para uso em caldeiras apresentado na Figura abaixo.

Após passar por um sedimentador contínuo e um filtro de areia, a água pode ser direcionada ou a um sistema contendo um filtro de carvão seguido de troca iônica, ou a um sistema de tratamento por membranas.
No processo representado,

Após passar por um sedimentador contínuo e um filtro de areia, a água pode ser direcionada ou a um sistema contendo um filtro de carvão seguido de troca iônica, ou a um sistema de tratamento por membranas.
No processo representado,
Provas
Questão presente nas seguintes provas

Um sistema de controle de vazão em malha fechada apresenta a resposta dinâmica ilustrada na Figura acima.
O valor do tempo de assentamento da curva de resposta do sistema é
Provas
Questão presente nas seguintes provas

Provas
Questão presente nas seguintes provas
Na indústria, existem formas de se realizarem ligações entre tubulações e equipamentos.
Entre as possibilidades recomendadas de se realizar uma ligação, NÃO se encontra a do tipo
Entre as possibilidades recomendadas de se realizar uma ligação, NÃO se encontra a do tipo
Provas
Questão presente nas seguintes provas
Segundo o Vocabulário Internacional de Metrologia, o erro sistemático é o(a)
Provas
Questão presente nas seguintes provas
Cadernos
Caderno Container