Foram encontradas 4.782 questões.
O excesso de óleo no motor pode causar
Provas
Considerando-se os vários tipos de ferramentas e equipamentos, como chaves, alicates e torquímetros, utilizados em oficinas de caldeiraria, julgue os próximos itens.
A chave Phillips tem, oposta ao cabo, a ponta na forma de cruz e serve para as cabeças de parafusos com fendas cruzadas.
Provas
Considerando-se os vários tipos de ferramentas e equipamentos, como chaves, alicates e torquímetros, utilizados em oficinas de caldeiraria, julgue os próximos itens.
A chave fixa de bater e a chave estrela de bater são ferramentas indicadas para trabalhos leves.
Provas
Operações de soldagem e corte envolvem riscos de incêndios, explosões, queimaduras, choque elétrico etc. Práticas de segurança são obrigatórias em galpões de fabricação e na montagem de campo. Acerca desse assunto, julgue os itens que se seguem.
O incêndio classificado como de classe A corresponde a fogo em óleos combustíveis.
Provas

Considerando o desenho acima, que ilustra, em representação simplificada, um ramo principal com vários trechos em derivação de uma linha de vapor de serviço, julgue os seguintes itens.
Na linha de serviço ilustrada, o tipo de ligação entre as conexões é do tipo solda de encaixe
Provas

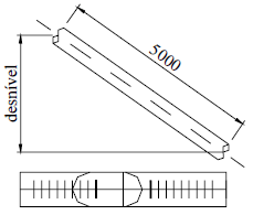
A figura acima ilustra um trecho de tubulação que se encontra em declive. Um nível de bolha está sendo usado para medir o desnível da tubulação. A sensibilidade do nível de bolha é de 0,05 mm/m e, na medição, a bolha se estabilizou na posição indicada no desenho. Com relação ao nível de bolha e à operação de medição da declividade, julgue os seguintes itens.
O desnível do tubo considerado é de 0,25 mm.
Provas
Uma tubulação de óleo residual pesado precisa ser aquecida para permitir o bombeamento do óleo. Esse aquecimento será realizado por meio de uma tubulação fina de cobre de 7/8 polegada de diâmetro. Para interligar a tubulação de cobre com a estação de vapor de aquecimento, será usada uma vareta de solda da classe AWS RBCuZn-A. O tubo da estação foi confeccionado com material ASTM A 53 de grau B. A respeito dessa situação, bem como do processo de soldagem e dos materiais a serem usados, julgue os itens que se seguem.
O material ASTM A 53 de grau B é um aço baixa-liga.
Provas
Considere que as soldas de uma tubulação de gás devam ser inspecionadas por meio do ensaio por líquido penetrante visível de cor vermelha. Nessa situação, julgue os itens subseqüentes.
A etapa da revelação consiste em se aplicar um talco branco sobre a superfície de ensaio e aguardar o tempo de revelação.
Provas
Considere que as soldas de uma tubulação de gás devam ser inspecionadas por meio do ensaio por líquido penetrante visível de cor vermelha. Nessa situação, julgue os itens subseqüentes.
A primeira operação do ensaio consiste em colocar o líquido penetrante sobre as soldas e aguardar o tempo de penetração.
Provas
As máquinas que dispõem de lubrificação a óleo precisam de retentores, de forma a se evitarem vazamentos e a entrada de impurezas. Aspecto fundamental a ser considerado na escolha dos retentores é o de verificar se o seu material é compatível com o fluido a ser vedado e com a temperatura de trabalho. Considerando um motor que utiliza óleo derivado de petróleo em seu sistema de lubrificação, julgue os itens subseqüentes.
Nos vedadores dinâmicos, o lábio de vedação fica isolado da superfície deslizante, o que evita o atrito e o conseqüente aumento da temperatura de trabalho.
Provas
Caderno Container