Foram encontradas 4.780 questões.
O tratamento de superfícies tem adquirido cada vez mais importância para a conservação de peças e estruturas em geral. Os mecânicos especializados devem conhecer detalhadamente os métodos de limpeza e preparação de superfícies, visto que essas operações são utilizadas de forma corriqueira na indústria em geral. Com relação ao processo de limpeza de superfícies por solvente inorgânico, julgue os itens seguintes.
É preferível trabalhar com as soluções em temperatura de ebulição.
Provas
Considere que, em uma soldagem a arco elétrico, a ser feita pelo processo do eletrodo revestido, deve-se usar o eletrodo da classe AWS E 7028. Com relação a esse eletrodo, julgue os itens subseqüentes.
O número 8 da sigla indica que o eletrodo é do tipo celulósico.
Provas
Um mecânico experiente foi escalado para produzir uma série de suportes de aço a serem utilizados na ancoragem de uma tubulação especial de uma plataforma de petróleo. Para tanto, o mecânico utilizou a estampagem como processo de fabricação mais adequado e produtivo naquele momento, realizando, a fim de obter peças de qualidade, os seguintes procedimentos: 1.º) análise da chapa de aço; 2.º) construção da matriz; 3.º) testes da ferramenta; 4.º) produção em série do suporte.
Acerca do processo de produção em série descrito na situação hipotética acima, julgue os itens a seguir.
Considere que, com todos os ajustes já implementados ao processo, o mecânico ainda tenha verificado um problema no produto final, traduzido por estrias de embutimento, e constatado que a ferramenta punção não apresentava desgaste. Nesse caso, o mecânico deve exigir a troca da matriz.
Provas
Um mecânico experiente foi escalado para produzir uma série de suportes de aço a serem utilizados na ancoragem de uma tubulação especial de uma plataforma de petróleo. Para tanto, o mecânico utilizou a estampagem como processo de fabricação mais adequado e produtivo naquele momento, realizando, a fim de obter peças de qualidade, os seguintes procedimentos: 1.º) análise da chapa de aço; 2.º) construção da matriz; 3.º) testes da ferramenta; 4.º) produção em série do suporte.
Acerca do processo de produção em série descrito na situação hipotética acima, julgue os itens a seguir.
Se, nos testes iniciais, o mecânico tiver verificado um desprendimento do fundo da matriz, nesse caso, uma das possibilidades é a de que o punção de embutir atuou como punção de corte, solicitando o arredondamento de suas arestas e também da matriz.
Provas

Considerando o desenho acima, que ilustra, em representação simplificada, um ramo principal com vários trechos em derivação de uma linha de vapor de serviço, julgue os seguintes itens.
O trecho 2 representa uma derivação vertical para cima.
Provas

Considerando o desenho acima, que ilustra, em representação simplificada, um ramo principal com vários trechos em derivação de uma linha de vapor de serviço, julgue os seguintes itens.
O trecho 1 no desenho representa uma derivação vertical para baixo.
Provas
Considere que determinada fábrica utilize, em suas instalações, os quatro tipos de manutenção planejada: a preventiva, a preditiva, a TPM (Total Productive Maintenance) e a terotecnologia. No contexto da manutenção dessa fábrica, julgue os itens que se seguem.
Considere que alguns operários sejam treinados para cuidar completamente das máquinas utilizadas na fábrica e estejam capacitados para fazer a sua manutenção. Nessa situação, é caracterizada uma intervenção do tipo TPM.
Provas
Nas máquinas e nos equipamentos industriais que pertencem a circuitos automatizados de produção, utilizam-se sensores de proximidade, os quais desempenham papel importante nessa automação. Esses elementos emitem sinais elétricos e ocupam posições estratégicas no percurso dos cabeçotes móveis. O material a ser detectado e o tipo de aplicação são fatores importantes para a escolha dos sensores. Em relação a esses dispositivos, julgue os itens a seguir.
A distância de detecção dos sensores capacitivos depende da massa do material a ser detectado.
Provas

O comprimento de uma barra de cobre foi medido utilizando-se uma régua de aço inoxidável com escala graduada em unidades inglesas (polegadas e frações da polegada) na forma indicada na figura acima. Considerando esse contexto, julgue os itens subseqüentes, relativos a metrologia.
Em uma emergência, é correto usar a régua mostrada como chave de fenda
Provas

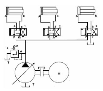
A partir da interpretação do circuito pneumático mostrado acima, julgue os próximos itens.
As válvulas pneumáticas de 3 posições estão, todas elas, livres, ou seja, criando um circuito aberto.
Provas
Caderno Container