Foram encontradas 3.467 questões.
Segundo a NR 13, toda caldeira deve ter afixada em seu corpo placa de identificação indelével com algumas infor- mações imprescindíveis.
NÃO constitui uma dessas informações a seguinte:
NÃO constitui uma dessas informações a seguinte:
Provas
Questão presente nas seguintes provas
Na instalação de máquinas e equipamentos, deve-se ter bastante cuidado com os efeitos da vibração sobre os mesmos. A vibração é a oscilação de algum objeto em torno de um ponto de referência.
Assim, uma vibração mecânica pode ocorrer da seguinte forma:
Assim, uma vibração mecânica pode ocorrer da seguinte forma:
Provas
Questão presente nas seguintes provas
Um tubo de pequeno diâmetro é recoberto por uma camada de isolante, cuja condutividade térmica é de 0,2 W/(m . º C).
Considerando-se que o coeficiente de transferência convectiva de calor vale 8 W/(m2 .ºC), o raio crítico de isolamento, em cm, é
Considerando-se que o coeficiente de transferência convectiva de calor vale 8 W/(m2 .ºC), o raio crítico de isolamento, em cm, é
Provas
Questão presente nas seguintes provas
O que constitui um requisito básico para a broca utilizada em um processo de usinagem por furação?
Provas
Questão presente nas seguintes provas
A cunhagem (processo de fabricação de moedas) é uma derivação de qual processo de conformação mecânica?
Provas
Questão presente nas seguintes provas
A válvula gaveta é uma válvula que, primordialmente,
Provas
Questão presente nas seguintes provas

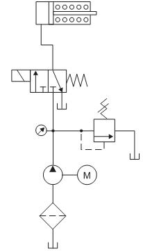
Considerando a posição da válvula direcional do circuito hidráulico mostrado na Figura acima, se a bomba estiver ligada, o fluido de trabalho que dela sai será conduzido para a(o)
Provas
Questão presente nas seguintes provas
Nos ensaios não destrutivos para inspeção automatizada de tubos de perfuração e produção, deve existir uma relação entre as velocidades de inspeção e de calibração.
Essa relação deve ser feita de modo que a velocidade de inspeção seja
Essa relação deve ser feita de modo que a velocidade de inspeção seja
Provas
Questão presente nas seguintes provas
O grau de concordância entre os resultados das medições de um mesmo mensurando, efetuadas sob condições variadas de medição, é conhecido como
Provas
Questão presente nas seguintes provas
As trincas na forma de defeitos planares de reduzida espessura e agudos são consideradas severos concentradores de tensões.
Quanto à capacidade de detecção dessas trincas pelos ensaios não destrutivos, pode-se verificar que o ensaio por
Quanto à capacidade de detecção dessas trincas pelos ensaios não destrutivos, pode-se verificar que o ensaio por
Provas
Questão presente nas seguintes provas
Cadernos
Caderno Container