Foram encontradas 3.467 questões.
Quer-se confeccionar um eixo ⌀102 mm p7. O valor numérico do grau de tolerância-padrão para dimensões nominais entre 80 mm e 120 mm é igual a 35 µm, e o valor numérico do afastamento fundamental para eixos entre 100 mm e 120 mm é de 37 µm.
Os diâmetros mínimo e máximo do eixo, em milímetros, são, respectivamente,
Os diâmetros mínimo e máximo do eixo, em milímetros, são, respectivamente,
Provas
Questão presente nas seguintes provas

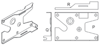
A Figura acima e à esquerda representa uma base de fixação de uma peça, em vista isométrica, no primeiro diedro.
As vistas projetadas P, Q e R são, respectivamente, no primeiro diedro, as vistas
Provas
Questão presente nas seguintes provas
Os aços inoxidáveis martensíticos caracterizam-se por serem aços-cromo e endurecerem pela têmpera.
Apresentam boa resistência à corrosão, quando expostos ao tempo, à ação da água e de certas substâncias químicas.
Em relação a esses aços, pode-se dizer, ainda, que
Apresentam boa resistência à corrosão, quando expostos ao tempo, à ação da água e de certas substâncias químicas.
Em relação a esses aços, pode-se dizer, ainda, que
Provas
Questão presente nas seguintes provas
As graxas apresentam pontos de gota bastante distintos, uma vez que dependem do agente engrossador. O ponto de gota indica a temperatura em que o produto se torna fluido, capaz de gotejar através de um orifício padronizado, sob determinadas condições.
Com relação aos respectivos pontos de gota, da temperatura mais baixa para a mais alta, têm-se as seguintes graxas:
Com relação aos respectivos pontos de gota, da temperatura mais baixa para a mais alta, têm-se as seguintes graxas:
Provas
Questão presente nas seguintes provas

As colunas 1 e 2 da estrutura mostrada na Figura acima sustentam, respectivamente, as cargas R1 e R2 provenientes do carregamento concentrado F.
Para garantir o equilíbrio da estrutura, a relação entre as cargas atuantes nas colunas, R1 / R2 , vale
Provas
Questão presente nas seguintes provas

O nível d’água do reservatório mostrado na Figura acima, está relacionado à deformação circunferencial na base do reservatório através da expressão h = 4.000 ε, sendo a altura h expressa em metros, e a deformação ε, em mícrons.
Se o reservatório possui um diâmetro de 1,0 m, e a deformação medida for de 1.000µ, o volume de água no reservatório, em m3 , está na faixa de
Provas
Questão presente nas seguintes provas
As tintas utilizadas em pintura industrial apresentam constituintes considerados básicos e eventuais, os quais são incorporados apenas a alguns tipos de tintas, para conferir propriedades especiais.
Quanto à função desses constituintes, pode-se verificar que a(o)
Quanto à função desses constituintes, pode-se verificar que a(o)
Provas
Questão presente nas seguintes provas
O cabo de aço 8 19 + AF Seale 1 + 9 + 9 é usado para tração em elevadores de passageiros.
O tipo de alma, o número de pernas e o número de arames em cada perna são, respectivamente,
O tipo de alma, o número de pernas e o número de arames em cada perna são, respectivamente,
Provas
Questão presente nas seguintes provas

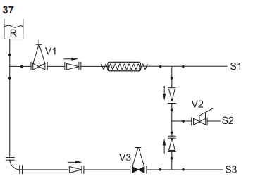
A Figura acima representa a vista lateral de uma tubulação. O reservatório R contém água a temperatura ambiente. De início, todas as válvulas estão totalmente fechadas.
Ao abrir totalmente as válvulas gaveta e de fecho rápido, mantendo a válvula globo fechada, a água sai
Provas
Questão presente nas seguintes provas
A expressão dimensional analítica da unidade de potência no Sistema Internacional de Unidades é
Provas
Questão presente nas seguintes provas
Cadernos
Caderno Container