Foram encontradas 1.749 questões.

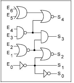
Com relação ao circuito mostrado na figura acima, julgue os itens seguintes.
Se as portas forem do tipo TTL, e a entrada E0 for deixada flutuando, ou seja, nenhum sinal é conectado à entrada inversora, o nível lógico da saída S1 será 1.
Provas

Com relação ao circuito mostrado na figura acima, julgue os itens seguintes.
Como as portas lógicas mostradas não contêm resistores de pull-up, elas são do tipo coletor aberto.
Provas

Com relação ao circuito mostrado na figura acima, julgue os itens seguintes.
Uma expressão lógica para a saída S3 é 
Provas

Com relação ao circuito mostrado na figura acima, julgue os itens seguintes.
A entrada E6E5E4E3E2E1E0 = 1101011 forma um número binário equivalente ao número 99 em decimal.
Provas

Com relação ao circuito mostrado na figura acima, julgue os itens seguintes.
Caso o circuito esteja funcionando perfeitamente, se a entrada for E6E5E4E3E2E1E0 = 1101011, a saída será S4S3S2S1S0 = 00101.
Provas
Em um local suprido por rede de baixa tensão, foi necessário instalar disjuntores para realizar as funções de comando e de proteção de circuitos. Em relação aos dispositivos que cumprem tais funções, julgue os itens a seguir.
Disjuntores termomagnéticos são providos de disparadores para ações de sobrecarga e de curto-circuito.
Provas
Em um local suprido por rede de baixa tensão, foi necessário instalar disjuntores para realizar as funções de comando e de proteção de circuitos. Em relação aos dispositivos que cumprem tais funções, julgue os itens a seguir.
Em caso de avaria, os componentes dos disjuntores construídos em caixa moldada são, normalmente, substituídos, o que possibilita a recuperação do disjuntor.
Provas
Em um local suprido por rede de baixa tensão, foi necessário instalar disjuntores para realizar as funções de comando e de proteção de circuitos. Em relação aos dispositivos que cumprem tais funções, julgue os itens a seguir.
São inadequados para montagem em quadros e painéis quando o seu mecanismo de atuação — o dispositivo de disparo, entre outros — é montado em estrutura, normalmente metálica, do tipo aberta.
Provas
Os condutores isolados para emprego em baixa tensão são constituídos de fios de cobre mole e apresentam bitola de acordo com a capacidade de corrente que podem conduzir. Acerca desses condutores, julgue os itens abaixo.
A vida útil de um cabo condutor não é afetada pela temperatura na qual o cabo opera.
Provas
Os condutores isolados para emprego em baixa tensão são constituídos de fios de cobre mole e apresentam bitola de acordo com a capacidade de corrente que podem conduzir. Acerca desses condutores, julgue os itens abaixo.
Os cabos são, em geral, isolados com dielétricos sólidos, tais como cloreto de polivinila (PVC) e polietileno reticulado (XLPE).
Provas
Caderno Container