Foram encontradas 1.749 questões.
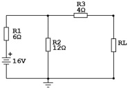
Em muitas aplicações se deseja que seja transferida a maior potência possível a uma carga.

Para que seja fornecida a máxima potência à carga RL, no circuito acima, o valor de RL deverá ser igual a
Provas
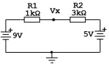
O valor da tensão medida em Vx em relação ao terra no circuito abaixo, é igual a

Provas
Disciplina: Telecomunicações
Banca: LJ Assessoria
Orgão: Pref. Dom Eliseu-PA
Provas
Disciplina: Telecomunicações
Banca: LJ Assessoria
Orgão: Pref. Dom Eliseu-PA
Provas
São funcionalidades de um sistema PABX as alternativas abaixo, EXCETO
Provas
As centrais telefônicas foram criadas com o intuito de facilitar a comunicação entre as pessoas a partir de um mesmo ramal. Elas proporcionam a possibilidade de efetuar e receber chamadas internas e externas, enviar informações e até mesmo realizar áudios ou videoconferências, de acordo com o sistema PABX escolhido pela empresa.
Sobre o sistema PABX, é CORRETO afirmar que se refere a
Provas
Provas
Provas
Provas
Provas
Caderno Container