Foram encontradas 60 questões.
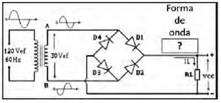
No que diz respeito aos conceitos de eletrônica. digital, a figura abaixo representa um circuito com diodos em ponte.

A forma de onda de saída está indicada na seguinte opção:
Provas
No que diz respeito à eletrônica digital, o mapa de Kamaugh é utilizado para simplificar uma equação lógica ou para converter uma tabela da verdade para o circuito lógico correspondente. Nesse sentido, um circuito lógico é representado por

e a expressão de saída
. Usando os conceitos do Mapa de Kamaugh, a expressão simplificada se torna igual a:
Provas
No que diz respeito aos sistemas de numeração, os números binário 11100111 e decimal 195 são representados, respectivamente, no sistema hexadecimal como:
Provas
Existem três possibilidades de configurar um transistor em um circuito. O nome dado a cada configuração é definido com base no terminal do transistor que é comum às duas malhas do circuito. Dessa forma, observe as três configurações a seguir.
I.

II.

III.

Neste contexto, as figuras em I, II e III, respectivamente, constituem configurações:
Provas
No contexto da Teoria de Controle, a sigla PID é a ferramenta mais utilizada no controle automático de processos industriais, e sua função é manter o valor da variável de um processo no valor desejado. Esse tipo de controlador fornece uma variação contínua da saída dentro de um mecanismo de realimentação de loop de controle para controlar com precisão o processo, removendo a oscilação e aumentando a eficiência. Os significados das letras P, I e D são, respectivamente:
Provas
CLP tem por significado Controlador Lógico Programável, e é uma sigla para equipamentos microprocessados, projetados para comandar e monitorar máquinas ou processos industriais. Sua operação se baseia na execução de um programa previamente armazenado em sua memória, que tem por função executar o processamento de sinais de entrada provenientes de diferentes tipos de sensores, chaves e botoeiras, além de fornecer sinais de saída compatíveis com o acionamento de diversos atuadores, como motores elétricos e válvulas, atendendo a diversas funções, como lógica sequencial e combinacional, comunicação e segurança. Nesse contexto, analise a figura abaixo, que representa um diagrama de blocos genéricos para um CLP.

Os identificadores ALFA, BETA e GAMA representam, respectivamente, os seguintes componentes de um CLP:
Provas
Atualmente, a criptografia é uma ciência que tem importância fundamental para a segurança da informação, ao servir de base para diversas tecnologias e protocolos, tais como a infraestrutura de chaves públicas (PKI), o IPSec e o WEP. Nesse contexto, observe a figura abaixo, que ilustra um esquema de criptografia.

Nesse esquema,
• Ana mantém somente o seu par de chaves (privada e pública), ao passo que Célio, Júlio e Cláudio obtêm a chave pública de Maria para enviar a mensagem cifrada para ela.
• Como somente a chave privada equivalente é capaz de decifrar a mensagem, e somente Ana a possui, o sigilo da mensagem para Ana é garantido.
Esse esquema refere-se à criptografia:
Provas
- Paradigmas de ProgramaçãoOrientação a ObjetosOrientação a Objetos: Classes e Objetos
- Paradigmas de ProgramaçãoOrientação a ObjetosOrientação a Objetos: Encapsulamento
A Programação Orientada a Objetos (POO) diz respeito a um padrão de desenvolvimento que é seguido por muitas linguagens, como C# e Java. A POO se baseia em quatro pilares, sendo um dos principais aquele que adiciona segurança à aplicação em uma POO, pelo fato de esconder as propriedades, criando uma espécie de caixa preta. Trata-se de um princípio que está associado ao conceito de proteger os atributos de um objeto, definindo as propriedades como privadas, ou seja, elas podem ser consultadas, mas não modificadas por outros objetos. Esse princípio é conhecido como:
Provas
O algoritmo abaixo refere-se a um programa de computador, que ilustra o uso de uma função recursiva.

Após a execução, os valores para as variáveis MAR, SOL e LUA são respectivamente:
Provas
Analise o algoritmo da figura abaixo.

Observe as afirmativas a seguir:
• Após a execução, será impressa uma sequência de números.
• Na saída da estrutura, K terá um valor específico.
• As instruções no loop serão executadas n vezes.
Nessas condições, a sequência de números e os valores de K e de n são, respectivamente:
Provas
Caderno Container